- Partiron
- OEM Parts
- Honda
- MOTORCYCLE
- Models With No Year
- CA77A MOTORCYCLE, JPN, VIN# CA77-100001
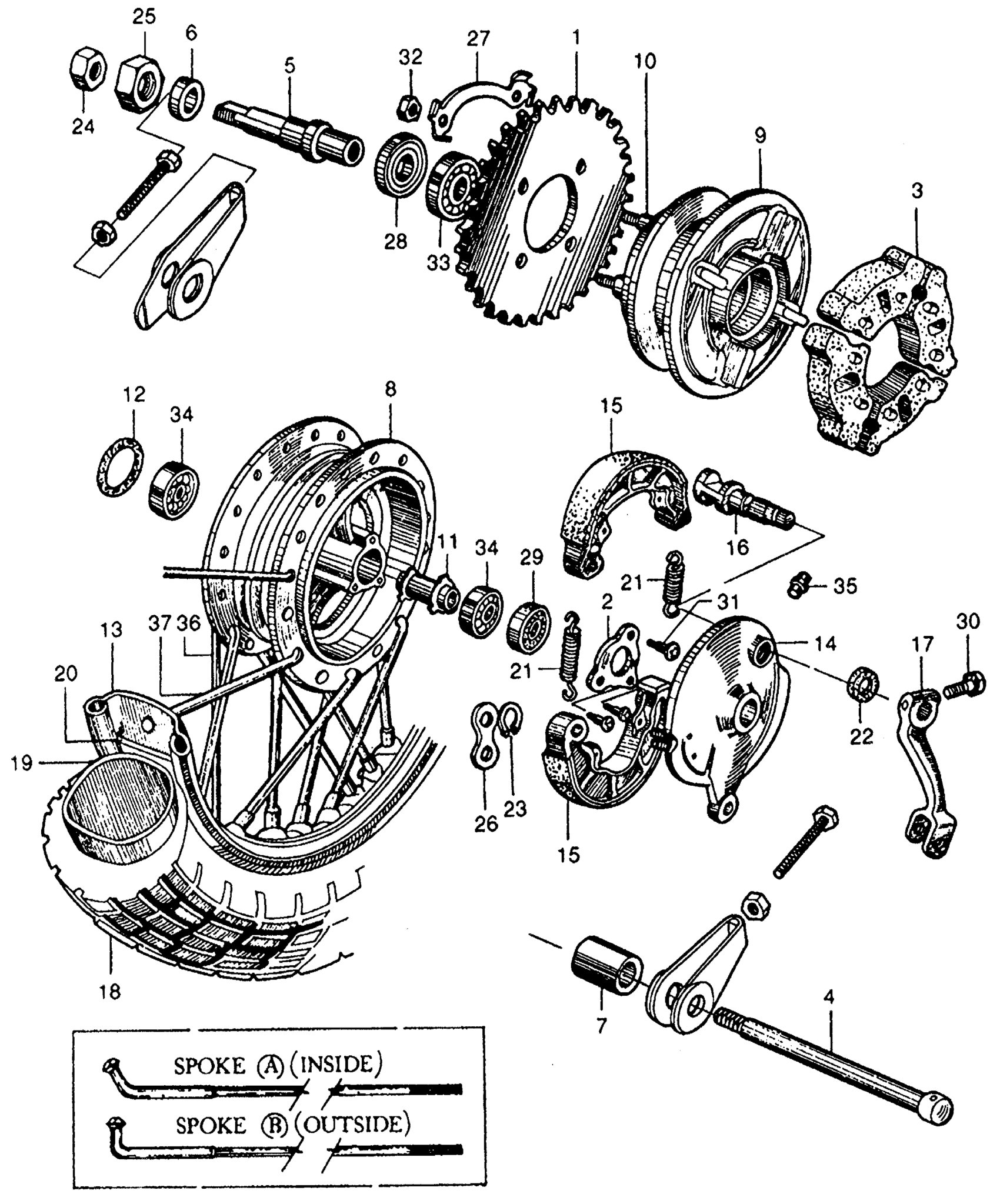
REAR WHEEL
Honda CA77A MOTORCYCLE, JPN, VIN# CA77-100001 REAR WHEEL Diagram
#
1
SPROCKET, FINAL DRIVE (29T) (NOT AVAILABLE)
41201-266-000
Unavailable
2
RETAINER, RR. WHEEL BEARING (NOT AVAILABLE)
41231-253-000
Unavailable
3
DAMPER, RR. WHEEL (NOT AVAILABLE) | Use up to Frame SN 0102452 This part replaces 41241-253-000.
41241-259-000
Unavailable
3
DAMPER, RR. WHEEL (NOT AVAILABLE) | Use from Frame SN 0102453
41241-259-000
Unavailable
4
AXLE, RR. WHEEL (NOT AVAILABLE)
42301-250-000
Unavailable
5
SLEEVE, RR. AXLE (NOT AVAILABLE) | Use up to Frame SN 0102452
42303-250-000
Unavailable
5
SLEEVE, RR. AXLE (NOT AVAILABLE) | Use from Frame SN 0102453
42303-250-303
Unavailable
6
COLLAR, RR. AXLE SLEEVE (NOT AVAILABLE)
42304-253-010
Unavailable
7
COLLAR, RR. SIDE BRAKE PANEL (NOT AVAILABLE)
42313-253-010
Unavailable
8
HUB, RR. WHEEL (NOT AVAILABLE) | Use up to Frame SN 0312957
42601-253-020
Unavailable
8
HUB, RR. WHEEL | Use from Frame SN 0312958 to 0102454 This part replaces 42601-259-000.
42601-259-010
Unavailable
8
HUB, RR. WHEEL | Use from Frame SN 0312958
42601-259-010
Unavailable
9
FLANGE, FINAL DRIVE (NOT AVAILABLE) | Use up to Frame SN 0011400 This part replaces 42610-253-000.
42610-259-000
Unavailable
9
FLANGE, FINAL DRIVE (NOT AVAILABLE) | Use from Frame SN 0020001
42610-259-000
Unavailable
10
BOLT, DRIVE FLANGE (NOT AVAILABLE)
42612-259-000
Unavailable
11
COLLAR, RR. DISTANCE AXLE (NOT AVAILABLE)
42620-253-000
Unavailable
12
O-RING (51MM) (NOT AVAILABLE)
42653-250-000
Unavailable
13
RIM, RR. WHEEL (NOT AVAILABLE) | Use up to Frame SN 0312957 This part replaces 42701-253-020.
42701-259-000
Unavailable
13
RIM, RR. WHEEL (NOT AVAILABLE) | Use from Frame SN 0312958
42701-259-000
Unavailable
14
PANEL, RR. WHEEL (NOT AVAILABLE) | Use up to Frame SN 0312957
43100-253-010
Unavailable
14
PANEL, RR. WHEEL | Use from Frame SN 0312958
43100-259-000
Unavailable
15
SHOE, RR. BRAKE This part replaces 43120-253-000.
43120-253-305
Unavailable
16
CAM, RR. WHEEL
43141-253-010
Unavailable
17
ARM, RR. WHEEL (NOT AVAILABLE)
43410-253-000
Unavailable
18
TIRE, RR. WHEEL (3.25-16) (WHITE WALL) (INOUE) (NOT AVAILABLE) This part replaces 42711-250-000.
42711-259-010
Unavailable
18
TIRE, RR. WHEEL (3.25-16) (WHITE WALL) (INOUE) (NOT AVAILABLE)
42711-259-010
Unavailable
19
TUBE, WHEEL (2.75/3.00-16) (IRC) This part replaces 0Y400-41900.
42712-167-005
Unavailable
19
TUBE, WHEEL (2.75/3.00-16) (IRC) This part replaces 08400-41900.
42712-167-005
Unavailable
19
TUBE, WHEEL (2.75/3.00-16) (IRC) This part replaces 42712-167-003.
42712-167-005
Unavailable
19
TUBE, WHEEL (2.75/3.00-16) (IRC)
42712-167-005
Unavailable
19
TUBE, WHEEL (2.75/3.00-16) (IRC) This part replaces 44712-200-000.
42712-167-005
Unavailable
19
TUBE, WHEEL (2.75/3.00-16) (IRC) This part replaces 44712-250-000.
42712-167-005
Unavailable
20
FLAP, TIRE (NOT AVAILABLE)
44713-250-000
Unavailable
21
SPRING, BRAKE SHOE (NOT AVAILABLE)
45133-253-000
Unavailable
23
SET-RING, ANCHOR PIN (NOT AVAILABLE)
45135-205-010
Unavailable
24
NUT, RR. AXLE (NOT AVAILABLE)
90306-250-000
Unavailable
25
NUT, RR. AXLE SLEEVE (NOT AVAILABLE)
90307-250-000
Unavailable
26
WASHER, RR. ANCHOR PIN (NOT AVAILABLE)
90514-205-000
Unavailable
27
WASHER, TONGUE (10MM) (NOT AVAILABLE)
90524-250-000
Unavailable
28
DUST SEAL (32X52X7)
91253-VM0-004
Unavailable
28
DUST SEAL (32X52X7) This part replaces 91253-250-000.
91253-VM0-004
Unavailable
29
OIL SEAL (26X37X8) (NOT AVAILABLE)
91254-253-000
Unavailable
37
SPOKE B, RR.
97924-52101-1
Unavailable
