- Partiron
- OEM Parts
- Honda
- MOTORCYCLE
- Models With No Year
- CA77A MOTORCYCLE, JPN, VIN# CA77-100001
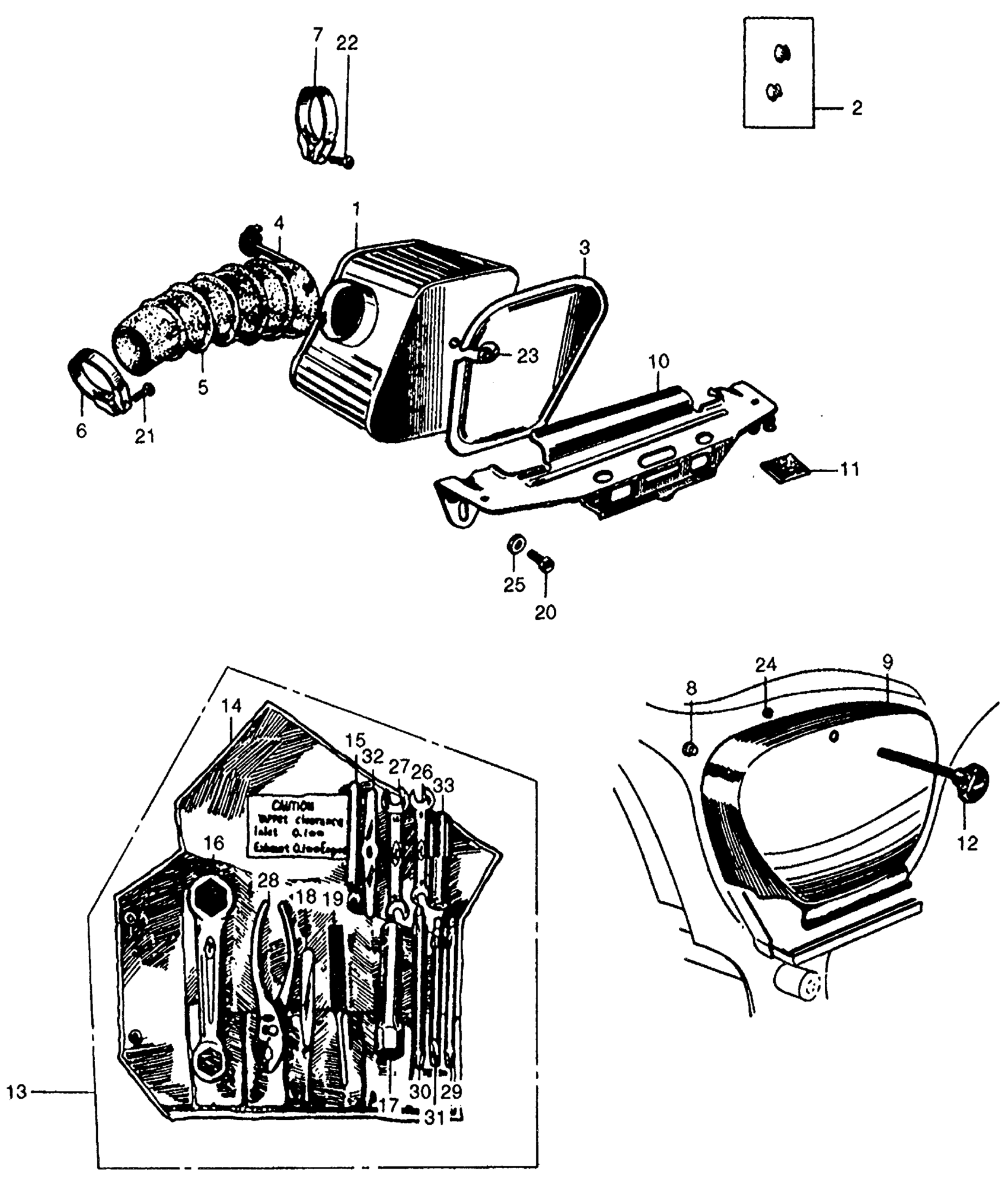
AIR CLEANER + TOOL SET
Honda CA77A MOTORCYCLE, JPN, VIN# CA77-100001 AIR CLEANER + TOOL SET Diagram
#
1
ELEMENT, AIR CLEANER | Use up to Frame SN 1036498 This part replaces 17211-266-000.
17211-271-P00
Unavailable
1
ELEMENT, AIR CLEANER | Use from Frame SN 1036499 This part replaces 17211-271-000.
17211-271-P00
Unavailable
2
PLUG, AIR CLEANER | Use up to Frame SN 1036538
17212-271-303
Unavailable
3
LID, AIR CLEANER (NOT AVAILABLE)
17241-259-000
Unavailable
4
CLAMP, AIR CLEANER ELEMENT (NOT AVAILABLE)
17245-250-000
Unavailable
5
TUBE, AIR CLEANER CONNECTING (NOT AVAILABLE)
17253-259-000
Unavailable
7
BAND B, CONNECTING TUBE (NOT AVAILABLE) | Use up to Frame SN 0011100 This part replaces 17256-253-000.
17256-259-000
Unavailable
7
BAND B, CONNECTING TUBE (NOT AVAILABLE) | Use from Frame SN 0011101
17256-259-000
Unavailable
8
RUBBER, TOOL BOX SHOCK PROOF (NOT AVAILABLE)
50391-250-010
Unavailable
9
TOOL BOX (NOT AVAILABLE) | Use up to Frame SN 1010862
83500-259-000Z
Unavailable
9
TOOL BOX (NOT AVAILABLE) | Use from Frame SN 1010863
83500-271-000Z
Unavailable
10
BOARD, TOOL BOX *NH1* (BLACK) (NOT AVAILABLE) | Use up to Frame SN 1010862
83530-259-000B
Unavailable
10
BOARD, TOOL BOX *NH1* (BLACK) (NOT AVAILABLE) | Use up to Frame SN 1010862 This part replaces 83530-259-000Z.
83530-259-000B
Unavailable
10
BOARD, TOOL BOX (NOT AVAILABLE) | Use from Frame SN 1010863
83530-271-000Z
Unavailable
11
RUBBER, TERMINAL SEAL (NOT AVAILABLE)
83531-271-300
Unavailable
12
LATCH, AIR CLEANER COVER *NH1* (BLACK) (NOT AVAILABLE)
17251-030-000B
Unavailable
12
LATCH, AIR CLEANER COVER *NH1* (BLACK) (NOT AVAILABLE) This part replaces 83550-271-000.
17251-030-000B
Unavailable
13
TOOL SET (NOT AVAILABLE) | Use up to Frame SN 0020100
89010-259-000
Unavailable
13
TOOL SET (NOT AVAILABLE) | Use from Frame SN 0020101
89010-271-000
Unavailable
14
BAG, TOOL (NOT AVAILABLE)
89101-200-000
Unavailable
15
WRENCH, TAPPET ADJUSTING (NOT AVAILABLE) This part replaces 89201-222-000.
89201-259-000
Unavailable
15
WRENCH, TAPPET ADJUSTING (NOT AVAILABLE)
89201-259-000
Unavailable
16
WRENCH, AXLE (NOT AVAILABLE)
89202-259-000
Unavailable
17
WRENCH, SPARK PLUG | Use up to Frame SN 0020100
89216-001-000
Unavailable
17
WRENCH, SPARK PLUG | Use from Frame SN 0020101
89216-028-010
Unavailable
17
WRENCH, SPARK PLUG (NOT AVAILABLE) | Use from Frame SN 0020101 This part replaces 89216-033-000.
99004-18230
Unavailable
17
WRENCH, SPARK PLUG | Use up to Frame SN 0020100
89216-041-000
Unavailable
17
WRENCH, SPARK PLUG | Use up to Frame SN 0020100
89216-041-010
Unavailable
17
WRENCH, SPARK PLUG | Use up to Frame SN 0020100
89216-259-000
Unavailable
17
WRENCH, SPARK PLUG | Use up to Frame SN 0020100
89216-259-010
Unavailable
17
WRENCH, SPARK PLUG | Use from Frame SN 0020101
89216-264-000
Unavailable
17
WRENCH, SPARK PLUG (NOT AVAILABLE) | Use from Frame SN 0020101
99004-18230
Unavailable
18
GAUGE, TAPPET CLEARANCE ADJUST
89231-200-000
Unavailable
19
POINTED FILE (NOT AVAILABLE)
89235-253-000
Unavailable
21
SCREW, PAN (5X16) (NOT AVAILABLE)
93500-05016
Unavailable
