- Partiron
- OEM Parts
- Honda
- MOTORCYCLE
- Models With No Year
- CA72A MOTORCYCLE, JPN, VIN# C72-100001
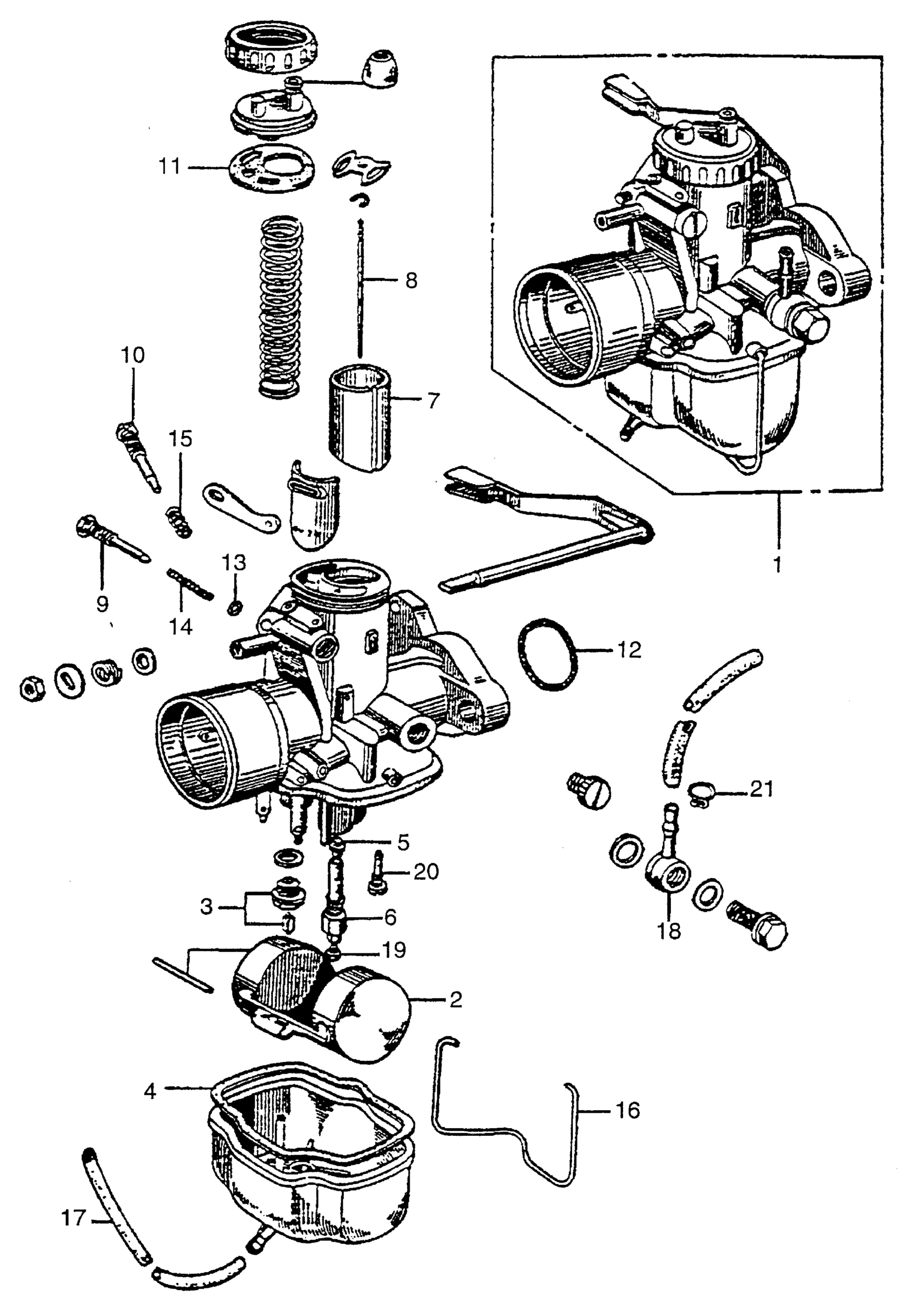
CARBURETOR
Honda CA72A MOTORCYCLE, JPN, VIN# C72-100001 CARBURETOR Diagram
#
1
CARBURETOR ASSY. (NOT AVAILABLE) | Use from Engine SN 0110101 to 0210550 This part replaces 16100-259-020.
16100-259-030
Unavailable
1
CARBURETOR ASSY. (NOT AVAILABLE) | Use from Engine SN 0210551
16100-259-030
Unavailable
2
FLOAT SET
16013-312-004
Unavailable
2
FLOAT SET This part replaces 16122-268-004.
16013-312-004
Unavailable
3
VALVE, FLOAT (NOT AVAILABLE)
16125-259-005
Unavailable
4
WASHER, FLOAT CHAMBER
16129-268-004
Unavailable
4
WASHER, FLOAT CHAMBER (ROUND TYPE) (NOT AVAILABLE)
16172-259-005
Unavailable
5
NEEDLE, JET (NOT AVAILABLE)
16133-259-005
Unavailable
6
HOLDER, NEEDLE JET (NOT AVAILABLE)
16139-259-004
Unavailable
7
VALVE, THROTTLE (NOT AVAILABLE)
16141-259-004
Unavailable
7
VALVE, THROTTLE
16141-259-005
Unavailable
8
NEEDLE, JET (NOT AVAILABLE) This part replaces 16151-259-004.
16151-268-004
Unavailable
8
NEEDLE, JET (NOT AVAILABLE)
16151-259-005
Unavailable
8
NEEDLE, JET (NOT AVAILABLE)
16151-268-004
Unavailable
9
SCREW, AIR (NOT AVAILABLE)
16162-259-004
Unavailable
9
SCREW, AIR
16162-259-005
Unavailable
10
SCREW, THROTTLE STOP (NOT AVAILABLE)
16163-259-004
Unavailable
10
SCREW, THROTTLE STOP
16163-259-005
Unavailable
11
WASHER, TOP (NOT AVAILABLE) This part replaces 16171-259-004.
16171-250-004
Unavailable
11
WASHER, TOP (NOT AVAILABLE)
16171-259-005
Unavailable
12
O-RING (24X2.4) This part replaces 00000-00015.
16173-250-004
Unavailable
12
O-RING (24X2.4) This part replaces 16173-202-004.
16173-250-004
Unavailable
12
O-RING (24X2.4)
16173-250-004
Unavailable
12
O-RING (24X2.4) This part replaces 16173-259-004.
16173-250-004
Unavailable
12
O-RING (NOT AVAILABLE)
16173-259-005
Unavailable
13
O-RING (2.8MM) (NOT AVAILABLE)
16175-260-004
Unavailable
14
SPRING, AIR SCREW (NOT AVAILABLE)
16181-259-005
Unavailable
15
SPRING, THROTTLE STOP (NOT AVAILABLE)
16182-011-004
Unavailable
15
SPRING, THROTTLE STOP (NOT AVAILABLE)
16182-259-005
Unavailable
16
CLIP, FLOAT CHAMBER SET (NOT AVAILABLE)
16187-259-014
Unavailable
17
PIPE, OVERFLOW (NOT AVAILABLE)
16234-259-000
Unavailable
17
PIPE, OVERFLOW (NOT AVAILABLE)
16235-259-000
Unavailable
18
JOINT, FUEL FEED TUBE (NOT AVAILABLE)
17625-250-000
Unavailable
19
JET, MAIN (#75) This part replaces 99102-07504.
99114-051-0750
Unavailable
19
JET, MAIN (#78) This part replaces 99102-07804.
99114-051-0780
Unavailable
19
JET, MAIN (#80) (NOT AVAILABLE) This part replaces 99102-08004.
99114-051-0800
Unavailable
19
JET, MAIN (#82) This part replaces 99102-08204.
99114-051-0820
Unavailable
19
JET, MAIN (#85) (NOT AVAILABLE) This part replaces 99102-08504.
99114-051-0850
Unavailable
19
JET,MAIN #88 This part replaces 99102-08804.
99114-051-0880
Unavailable
19
JET, MAIN (#90) (NOT AVAILABLE) This part replaces 99102-09004.
99114-051-0900
Unavailable
19
JET, MAIN (#92) (NOT AVAILABLE) This part replaces 99102-09204.
99114-051-0920
Unavailable
19
JET, MAIN (#95) This part replaces 99102-09504.
99114-051-0950
Unavailable
19
JET, MAIN (#98) (NOT AVAILABLE)
99102-09804
Unavailable
19
JET, MAIN (#100)
99102-10004
Unavailable
19
JET, MAIN (#105) (NOT AVAILABLE)
99102-10504
Unavailable
19
JET, MAIN (#110) (NOT AVAILABLE)
99102-11004
Unavailable
19
JET, MAIN (#115) (NOT AVAILABLE)
99102-11504
Unavailable
19
JET, MAIN (#120) (NOT AVAILABLE)
99102-12004
Unavailable
19
JET, MAIN (#125) (NOT AVAILABLE)
99102-12504
Unavailable
19
JET, MAIN (#130) (NOT AVAILABLE)
99102-13004
Unavailable
19
JET, MAIN (#135) (NOT AVAILABLE)
99102-13504
Unavailable
19
JET, MAIN (#140) (NOT AVAILABLE)
99102-14004
Unavailable
19
JET, MAIN (#145) (NOT AVAILABLE)
99102-14504
Unavailable
19
JET, MAIN (#150) (NOT AVAILABLE)
99102-15005
Unavailable
19
JET, MAIN (#160) (NOT AVAILABLE)
99102-16005
Unavailable
19
JET, MAIN (#170) (NOT AVAILABLE)
99102-17005
Unavailable
19
JET, MAIN (#180) (NOT AVAILABLE)
99102-18005
Unavailable
19
JET, MAIN (#75)
99114-051-0750
Unavailable
19
JET, MAIN (#78)
99114-051-0780
Unavailable
19
JET, MAIN (#80) (NOT AVAILABLE)
99114-051-0800
Unavailable
19
JET, MAIN (#82)
99114-051-0820
Unavailable
19
JET, MAIN (#85) (NOT AVAILABLE)
99114-051-0850
Unavailable
19
JET, MAIN (#90) (NOT AVAILABLE)
99114-051-0900
Unavailable
19
JET, MAIN (#92) (NOT AVAILABLE)
99114-051-0920
Unavailable
19
JET, MAIN (#92) (NOT AVAILABLE) This part replaces 99114-09204.
99114-051-0920
Unavailable
20
JET, SLOW (#45) (NOT AVAILABLE)
99132-04504
Unavailable
20
JET, SLOW (#35) (NOT AVAILABLE)
99134-03504
Unavailable
20
JET, SLOW (#38) (NOT AVAILABLE)
99134-03804
Unavailable
20
JET, SLOW (#40) (NOT AVAILABLE)
99134-04004
Unavailable
20
JET, SLOW (#42) (NOT AVAILABLE)
99134-04204
Unavailable
20
JET, SLOW (#45) (NOT AVAILABLE) This part replaces 99134-04504.
99132-04504
Unavailable
20
JET, SLOW (#15) (NOT AVAILABLE)
99134-15005
Unavailable
20
JET, SLOW (#17) (NOT AVAILABLE)
99134-17505
Unavailable
20
JET, SLOW (#20) (NOT AVAILABLE)
99134-20005
Unavailable
