- Partiron
- OEM Parts
- Honda
- MOTORCYCLE
- Models With No Year
- CA72A MOTORCYCLE, JPN, VIN# C72-100001
ALTERNATOR + STARTER MOTOR
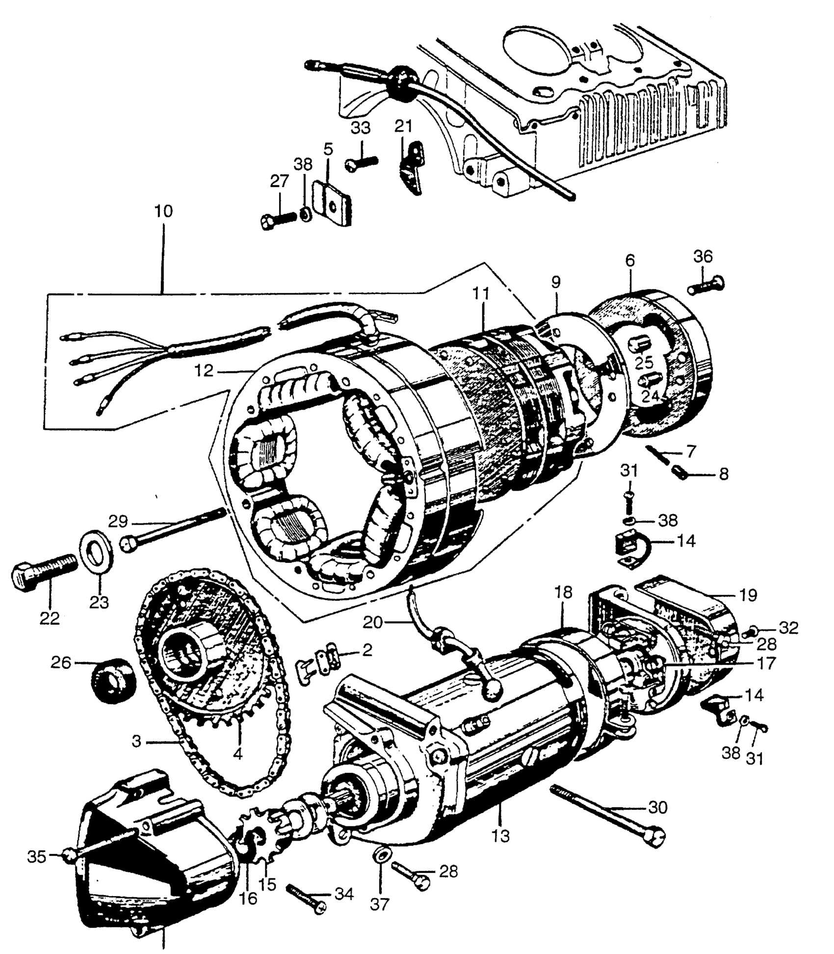
Honda CA72A MOTORCYCLE, JPN, VIN# C72-100001 ALTERNATOR + STARTER MOTOR Diagram
#
1
COVER, STARTING SPROCKET (NOT AVAILABLE)
11641-253-000
Unavailable
2
JOINT, CAM CHAIN (DK219)
14411-259-000
Unavailable
3
CHAIN, STARTING (DK219, 58L) (NOT AVAILABLE)
28101-253-000
Unavailable
4
SPROCKET, STARTING (NOT AVAILABLE) This part replaces 28110-259-000.
28110-259-010
Unavailable
4
SPROCKET, STARTING (NOT AVAILABLE)
28110-259-010
Unavailable
5
STOPPER, STARTING SPROCKET (NOT AVAILABLE) | Use up to Engine SN 1000149
28116-259-000
Unavailable
5
STOPPER, STARTING SPROCKET (NOT AVAILABLE) | Use from Engine SN 1000150
28116-259-010
Unavailable
6
CLUTCH, STARTING (OUTER) (NOT AVAILABLE)
28121-259-000
Unavailable
10
ALTERNATOR ASSY. (HIGH OUTPUT) (NOT AVAILABLE)
31100-259-000
Unavailable
10
ALTERNATOR ASSY. (LOW OUTPUT) (NOT AVAILABLE)
31100-262-000
Unavailable
11
ROTOR, A.C. IGNITION ALTERNATOR
31101-259-003
Unavailable
11
ROTOR, A.C. IGNITION ALTERNATOR
31101-259-004
Unavailable
12
ROTOR, A.C. IGNITION ALTERNATOR (HIGH OUTPUT) (NOT AVAILABLE)
31102-259-003
Unavailable
12
ROTOR, A.C. IGNITION ALTERNATOR (LOW OUTPUT) (NOT AVAILABLE)
31102-259-004
Unavailable
12
ROTOR, A.C. IGNITION ALTERNATOR (HIGH OUTPUT) (NOT AVAILABLE) This part replaces 31102-262-003.
31102-259-003
Unavailable
12
ROTOR, A.C. IGNITION ALTERNATOR (LOW OUTPUT) (NOT AVAILABLE) This part replaces 31102-262-004.
31102-259-004
Unavailable
13
MOTOR ASSY., STARTER (NOT AVAILABLE) This part replaces 31200-259-000.
31200-259-305
Unavailable
13
MOTOR ASSY., STARTER (NOT AVAILABLE)
31200-259-305
Unavailable
14
BRUSH, STARTER MOTOR CARBON (NOT AVAILABLE)
31201-253-003
Unavailable
14
BRUSH, STARTER MOTOR CARBON (NOT AVAILABLE)
31201-253-014
Unavailable
15
SPROCKET, STARTER MOTOR (NOT AVAILABLE)
31202-253-003
Unavailable
15
SPROCKET, STARTER MOTOR (NOT AVAILABLE) This part replaces 31202-253-004.
31202-253-003
Unavailable
17
SPRING, BRUSH (NOT AVAILABLE)
31204-253-003
Unavailable
17
SPRING, BRUSH (NOT AVAILABLE) This part replaces 31204-253-004.
31204-253-014
Unavailable
17
SPRING, BRUSH (NOT AVAILABLE)
31204-253-014
Unavailable
18
COVER, COMMUTATOR (NOT AVAILABLE)
31207-253-003
Unavailable
18
COVER, COMMUTATOR (NOT AVAILABLE) This part replaces 31207-253-004.
31207-253-014
Unavailable
18
COVER, COMMUTATOR (NOT AVAILABLE)
31207-253-014
Unavailable
19
COVER, STARTER MOTOR SIDE (NOT AVAILABLE)
31281-253-000
Unavailable
20
CABLE, STARTER MOTOR (NOT AVAILABLE)
32401-259-000
Unavailable
21
CLAMP, STARTER MOTOR CABLE (NOT AVAILABLE)
32911-253-000
Unavailable
22
BOLT, ROTOR SETTING (NOT AVAILABLE)
90026-259-000
Unavailable
23
WASHER, ROTOR SETTING (NOT AVAILABLE)
90427-259-000
Unavailable
24
PIN, KNOCK (6X17.5) (NOT AVAILABLE)
90704-259-000
Unavailable
26
OIL SEAL (NOT AVAILABLE)
91208-259-000
Unavailable
29
BOLT, HEX. (6X65) This part replaces 92000-06065.
92101-06065-0A
Unavailable
31
SCREW, PAN (3X6) (NOT AVAILABLE)
93500-03006-0B
Unavailable
36
SCREW, FLAT (6X25) This part replaces 93600-06025.
93600-06025-0A
Unavailable
36
SCREW, FLAT (6X25)
93600-06025-0A
Unavailable
