- Partiron
- OEM Parts
- Honda
- MOTORCYCLE
- Models With No Year
- CA72A MOTORCYCLE, JPN, VIN# C72-100001
AIR CLEANER + TOOLS
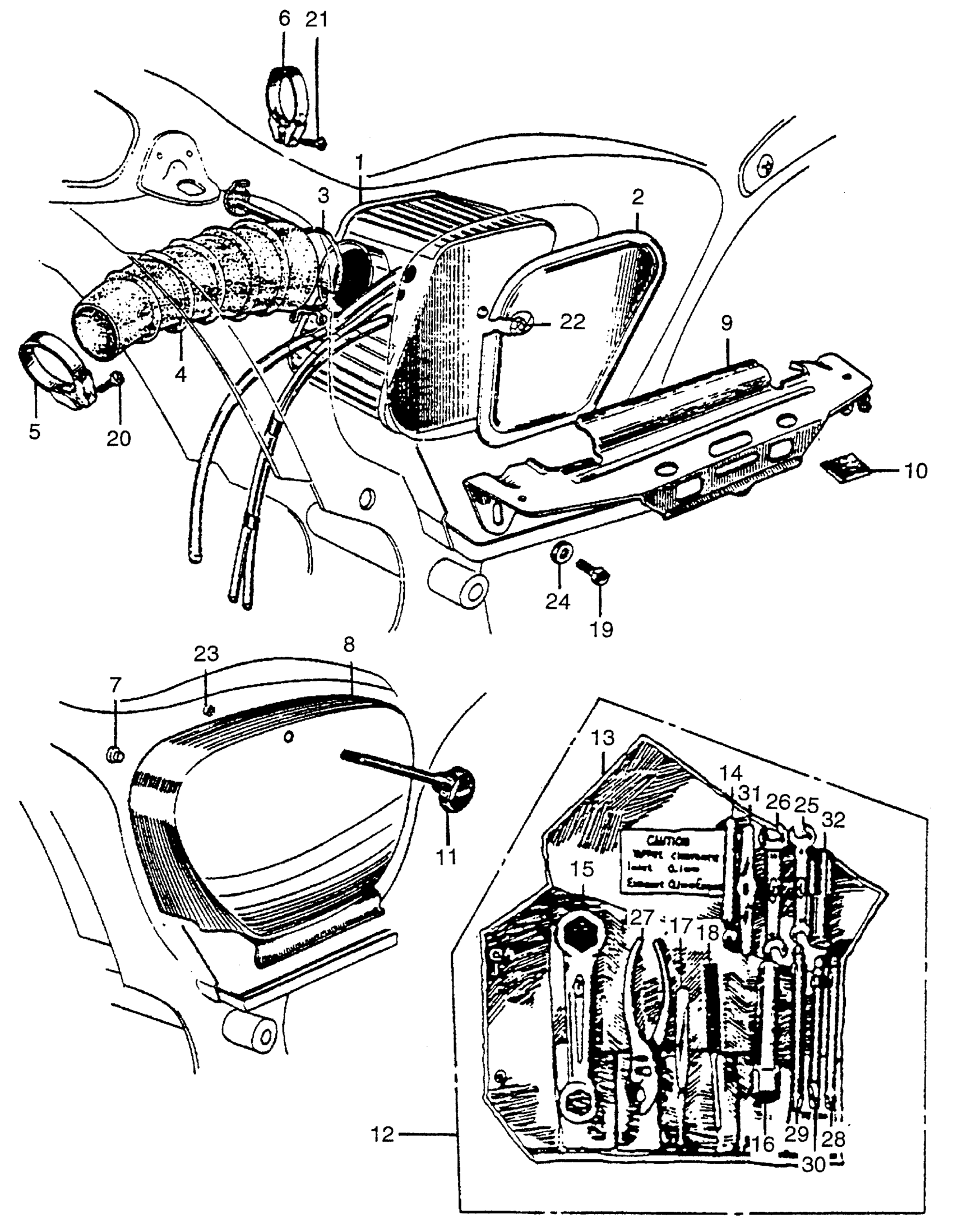
Honda CA72A MOTORCYCLE, JPN, VIN# C72-100001 AIR CLEANER + TOOLS Diagram
#
1
ELEMENT, AIR CLEANER | Use up to Frame SN 1000330 This part replaces 17211-266-000.
17211-271-P00
Unavailable
1
ELEMENT, AIR CLEANER | Use from Frame SN 1000331 This part replaces 17211-271-000.
17211-271-P00
Unavailable
2
LID, AIR CLEANER (NOT AVAILABLE)
17241-259-000
Unavailable
3
CLAMP, AIR CLEANER ELEMENT (NOT AVAILABLE)
17245-250-000
Unavailable
4
TUBE, AIR CLEANER CONNECTING (NOT AVAILABLE)
17253-259-000
Unavailable
6
BAND B, CONNECTING TUBE (NOT AVAILABLE) | Use up to Frame SN 0010100 This part replaces 17256-253-000.
17256-259-000
Unavailable
6
BAND B, CONNECTING TUBE (NOT AVAILABLE) | Use from Frame SN 0010101
17256-259-000
Unavailable
7
RUBBER, TOOL BOX SHOCK PROOF (NOT AVAILABLE)
50391-250-010
Unavailable
8
TOOL BOX (NOT AVAILABLE) | Use up to Frame SN 1000330
83500-259-000Z
Unavailable
8
TOOL BOX (NOT AVAILABLE) | Use from Frame SN 1000331
83500-271-000Z
Unavailable
9
BOARD, TOOL BOX *NH1* (BLACK) (NOT AVAILABLE) | Use up to Frame SN 1000330 This part replaces 83530-259-000Z.
83530-259-000B
Unavailable
9
BOARD, TOOL BOX (NOT AVAILABLE) | Use up to Frame SN 1000330
83530-271-000Z
Unavailable
10
RUBBER, TERMINAL SEAL (NOT AVAILABLE)
83531-271-300
Unavailable
11
LATCH, AIR CLEANER COVER *NH1* (BLACK) (NOT AVAILABLE)
17251-030-000B
Unavailable
11
LATCH, TOOL BOX | Use up to Frame SN 1000330 This part replaces 83550-259-000.
83650-003-000
$6.52
11
LATCH, AIR CLEANER COVER *NH1* (BLACK) (NOT AVAILABLE) | Use from Frame SN 1000331 This part replaces 83550-271-000.
17251-030-000B
Unavailable
12
TOOL SET (NOT AVAILABLE) | Use up to Frame SN 0020100
89010-259-000
Unavailable
12
TOOL SET (NOT AVAILABLE) | Use from Frame SN 0020100
89010-271-000
Unavailable
13
BAG, TOOL (NOT AVAILABLE)
89101-200-000
Unavailable
14
WRENCH, TAPPET ADJUSTING (NOT AVAILABLE) This part replaces 89201-222-000.
89201-259-000
Unavailable
14
WRENCH, TAPPET ADJUSTING (NOT AVAILABLE)
89201-259-000
Unavailable
15
WRENCH, AXLE (NOT AVAILABLE)
89202-259-000
Unavailable
16
WRENCH, SPARK PLUG | Use up to Frame SN 0020100
89216-001-000
Unavailable
16
WRENCH, SPARK PLUG | Use from Frame SN 0020100
89216-028-010
Unavailable
16
WRENCH, SPARK PLUG (NOT AVAILABLE) | Use from Frame SN 0020100 This part replaces 89216-033-000.
99004-18230
Unavailable
16
WRENCH, SPARK PLUG | Use up to Frame SN 0020100
89216-041-000
Unavailable
16
WRENCH, SPARK PLUG | Use up to Frame SN 0020100
89216-041-010
Unavailable
16
WRENCH, SPARK PLUG | Use up to Frame SN 0020100
89216-259-000
Unavailable
16
WRENCH, SPARK PLUG | Use up to Frame SN 0020100
89216-259-010
Unavailable
16
WRENCH, SPARK PLUG | Use from Frame SN 0020100
89216-264-000
Unavailable
16
WRENCH, SPARK PLUG (NOT AVAILABLE) | Use from Frame SN 0020100
99004-18230
Unavailable
17
GAUGE, TAPPET CLEARANCE ADJUST
89231-200-000
Unavailable
18
POINTED FILE (NOT AVAILABLE)
89235-253-000
Unavailable
20
SCREW, PAN (5X16) (NOT AVAILABLE)
93500-05016
Unavailable
