- Partiron
- OEM Parts
- Honda
- MOTORCYCLE
- Models With No Year
- CA175K3A MOTORCYCLE, JPN, VIN# CD175-2005045
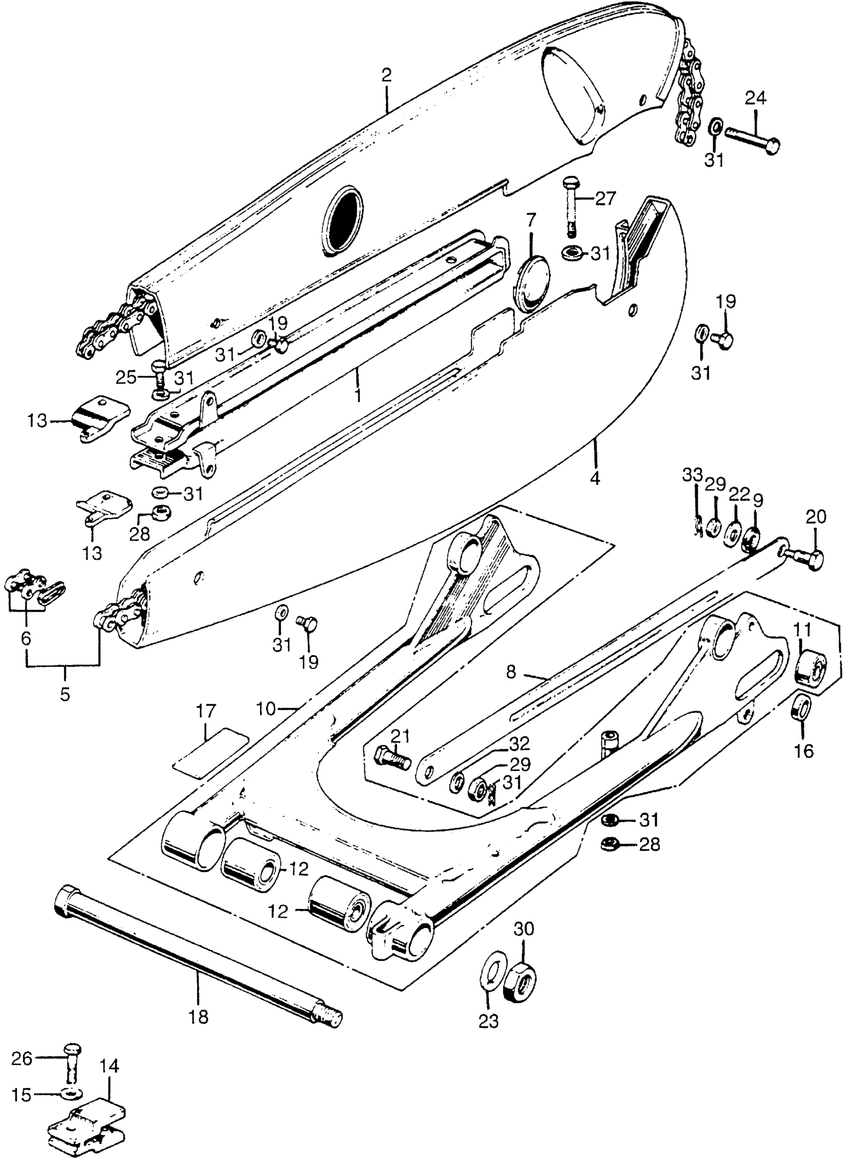
CA175 CHAIN CASE + SWINGARM
Honda CA175K3A MOTORCYCLE, JPN, VIN# CD175-2005045 CA175 CHAIN CASE + SWINGARM Diagram
#
Description
Price
1
CASE, MIDDLE DRIVE CHAIN *NH1* (BLACK) (NOT AVAILABLE) | Use up to Frame SN 2003038
40051-303-010B
Unavailable
1
CASE, MIDDLE DRIVE CHAIN *NH1* (BLACK) (NOT AVAILABLE) | Use from Frame SN 2003039
40515-303-020B
Unavailable
2
CASE, HALF DRIVE CHAIN (UPPER) (NOT AVAILABLE)
40510-303-010Z
Unavailable
4
CASE, HALF DRIVE CHAIN (LOWER) (NOT AVAILABLE)
40520-303-010Z
Unavailable
6
MASTER LINK
40531-205-013
Unavailable
6
MASTER LINK This part replaces 40531-216-003.
40531-205-013
Unavailable
8
ARM, RR. BRAKE STOPPER (NOT AVAILABLE)
43431-303-000
Unavailable
10
SWINGARM
52100-303-010Z
Unavailable
11
BUSH, RR. SWINGARM RUBBER (LOWER) (NOT AVAILABLE)
52109-222-810
Unavailable
12
BUSH, SWINGARM PIVOT RUBBER (NOT AVAILABLE)
52147-303-310
Unavailable
13
SLIDER, CHAIN | Use up to Frame SN 2003038
52155-303-000
Unavailable
14
SLIDER, CHAIN | Use from Frame SN 2003039
52155-303-020
Unavailable
15
WASHER, SPECIAL | Use from Frame SN 2003039
52156-303-000
Unavailable
16
COLLAR, SWINGARM END PIECE DISTANCE (NOT AVAILABLE)
52170-302-000
Unavailable
18
BOLT, SWINGARM PIVOT (NOT AVAILABLE)
90121-303-000
Unavailable
19
BOLT, CHAIN CASE SETTING
90122-303-000
Unavailable
20
BOLT, RR. BRAKE TORQUE (NOT AVAILABLE)
90127-303-010
Unavailable
21
BOLT, RR. BRAKE STOPPER ARM (NOT AVAILABLE)
90133-303-000
Unavailable
23
WASHER (14X26) This part replaces 90526-216-000.
90527-634-670
Unavailable
23
WASHER (14X26)
90527-634-670
Unavailable
30
NUT, HEX. (14MM)
94001-14020-0S
Unavailable
