- Partiron
- OEM Parts
- Honda
- MOTORCYCLE
- Models With No Year
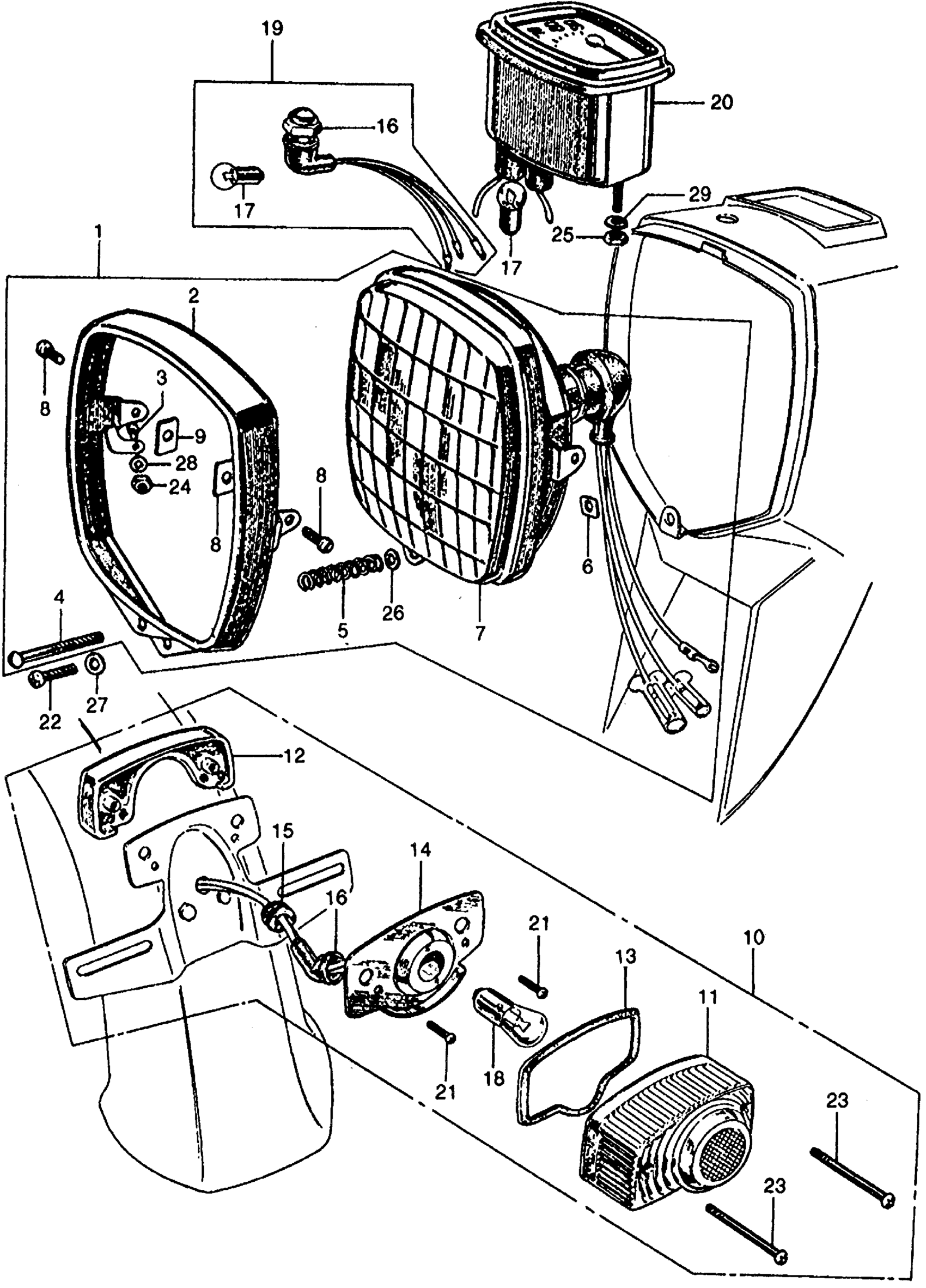
- CA160A MOTORCYCLE, JPN, VIN# CA160-1000001
CA160 HEADLIGHT
Honda CA160A MOTORCYCLE, JPN, VIN# CA160-1000001 CA160 HEADLIGHT Diagram
#
Description
Price
1
HEADLIGHT ASSY. (NOT AVAILABLE)
33100-203-000
Unavailable
2
RIM, HEADLIGHT (NOT AVAILABLE)
33101-203-000
Unavailable
3
SCREW (3MM) (NOT AVAILABLE) This part replaces 33102-200-000.
33102-200-003
Unavailable
3
SCREW (3MM) (NOT AVAILABLE)
33102-200-003
Unavailable
4
SCREW, HEADLIGHT BEAM ADJ. (NOT AVAILABLE)
33103-200-020
Unavailable
6
NUT, HEADLIGHT BEAM ADJUSTING (NOT AVAILABLE)
33117-200-023
Unavailable
7
HEADLIGHT ASSY. (NOT AVAILABLE)
33100-203-000
Unavailable
7
HEADLIGHT ASSY. (NOT AVAILABLE) This part replaces 33120-203-000.
33100-203-000
Unavailable
8
SCREW, HEADLIGHT (NOT AVAILABLE)
33125-200-030
Unavailable
9
NUT, UNIT HOLDER (NOT AVAILABLE)
33128-200-023
Unavailable
10
TAILLIGHT ASSY. (6V-8/3CP) (NOT AVAILABLE)
33700-212-000
Unavailable
11
LENS, TAILLIGHT (NOT AVAILABLE)
33701-268-680
Unavailable
12
PLATE, TAILLIGHT LENS HOLDER (NOT AVAILABLE)
33705-268-670
Unavailable
13
GASKET, TAILLIGHT LENS (NOT AVAILABLE)
33709-268-810
Unavailable
14
TAILLIGHT ASSY. (6V-8/3CP) (NOT AVAILABLE) This part replaces 33710-212-000.
33700-212-000
Unavailable
15
GROMMET B, TAILLIGHT CABLE (NOT AVAILABLE)
33714-268-000
Unavailable
16
COVER, TERMINAL (NOT AVAILABLE)
33749-268-670
Unavailable
19
LIGHT ASSY., NEUTRAL PILOT (NOT AVAILABLE)
35450-215-000
Unavailable
20
SPEEDOMETER ASSY. (NOT AVAILABLE)
37200-215-008
Unavailable
24
NUT, HEX. (3MM) (NOT AVAILABLE)
94001-03000
Unavailable
