- Partiron
- OEM Parts
- Honda
- MOTORCYCLE
- Models With No Year
- CA160A MOTORCYCLE, JPN, VIN# CA160-1000001
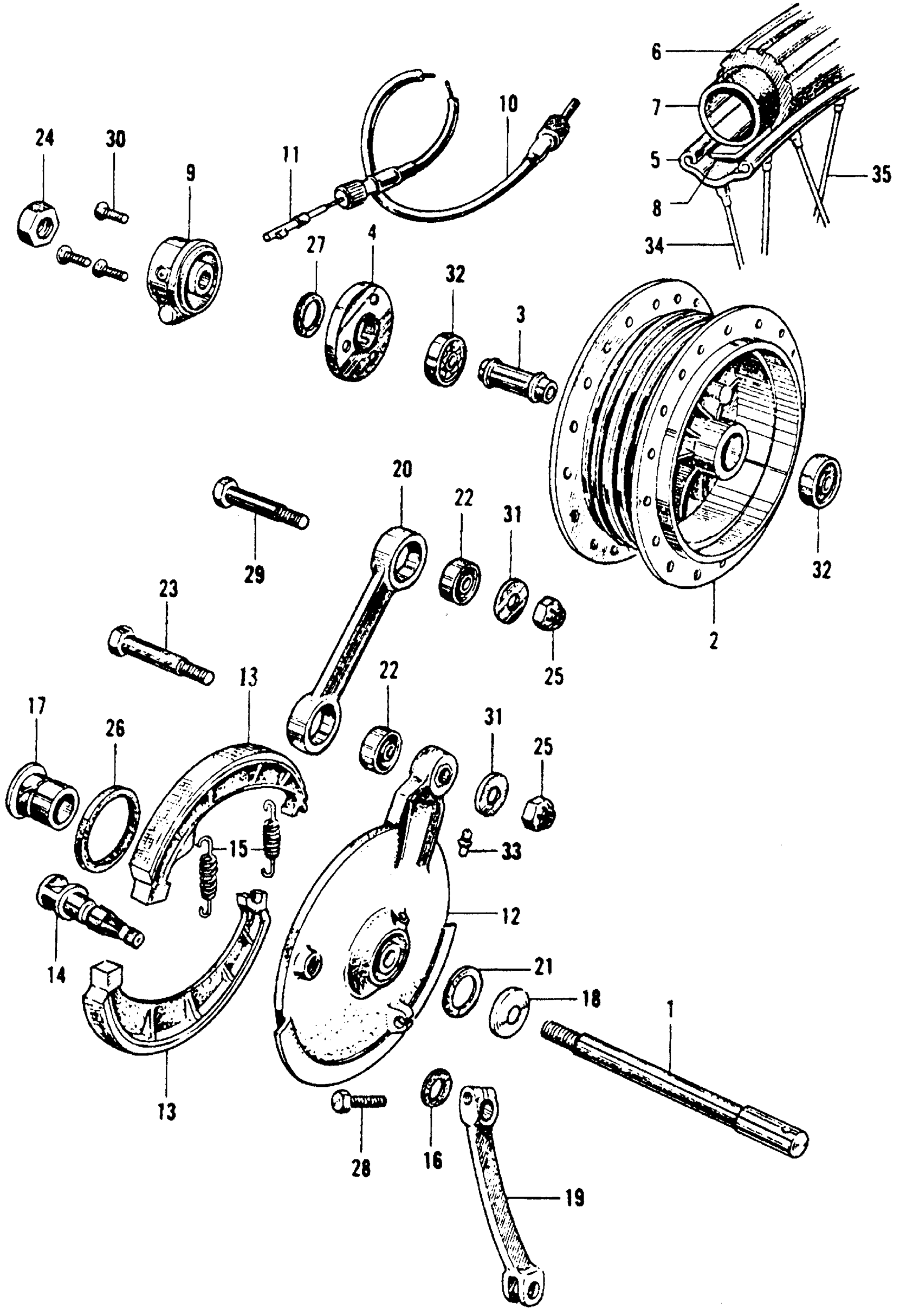
CA160 FRONT WHEEL
Honda CA160A MOTORCYCLE, JPN, VIN# CA160-1000001 CA160 FRONT WHEEL Diagram
#
1
AXLE, FR. WHEEL (NOT AVAILABLE)
44301-202-000
Unavailable
2
HUB, FR. WHEEL (NOT AVAILABLE)
44601-202-020
Unavailable
3
COLLAR, FR. AXLE DISTANCE (NOT AVAILABLE)
44620-202-010
Unavailable
4
RETAINER, FR. WHEEL BEARING (NOT AVAILABLE)
44641-202-010
Unavailable
5
RIM, WHEEL (NOT AVAILABLE)
44701-202-010
Unavailable
6
TIRE, FR. WHEEL (3.00-16) (BS) (NOT AVAILABLE) This part replaces 44711-219-010.
44711-230-000
Unavailable
6
TIRE, FR. WHEEL (3.00-16) (BS) (NOT AVAILABLE)
44711-230-000
Unavailable
7
TUBE, WHEEL (2.75/3.00-16) (IRC) This part replaces 0Y400-41900.
42712-167-005
Unavailable
7
TUBE, WHEEL (2.75/3.00-16) (IRC) This part replaces 08400-41900.
42712-167-005
Unavailable
7
TUBE, WHEEL (2.75/3.00-16) (IRC) This part replaces 42712-167-003.
42712-167-005
Unavailable
7
TUBE, WHEEL (2.75/3.00-16) (IRC)
42712-167-005
Unavailable
7
TUBE, WHEEL (2.75/3.00-16) (IRC) This part replaces 44712-200-000.
42712-167-005
Unavailable
9
BOX, SPEEDOMETER GEAR (NOT AVAILABLE)
44800-202-010
Unavailable
10
CABLE ASSY., SPEEDOMETER (NOT AVAILABLE)
44830-200-305
Unavailable
11
CABLE ASSY., SPEEDOMETER (NOT AVAILABLE) This part replaces 44830-200-000.
44830-200-305
Unavailable
11
CABLE ASSY., SPEEDOMETER (NOT AVAILABLE)
44830-200-305
Unavailable
11
CABLE ASSY., SPEEDOMETER (NOT AVAILABLE) This part replaces 44831-200-305.
44830-200-305
Unavailable
12
PANEL, FR. BRAKE (NOT AVAILABLE)
45100-202-030
Unavailable
13
SHOE, BRAKE (NOT AVAILABLE)
45120-200-000
Unavailable
14
CAM, FR. BRAKE
45131-200-010
Unavailable
15
SPRING, BRAKE SHOE (NOT AVAILABLE)
45133-250-000
Unavailable
17
SPACER, FR. BRAKE PANEL (NOT AVAILABLE)
45141-202-000
Unavailable
18
CAP, FR. BRAKE PANEL DUST (NOT AVAILABLE)
45142-271-000
Unavailable
19
ARM, FR. BRAKE
45410-200-010
Unavailable
20
TORQUE LINK, FR. BRAKE (NOT AVAILABLE)
45433-202-000
Unavailable
21
DUST SEAL, FR. BRAKE PANEL (NOT AVAILABLE)
45435-271-000
Unavailable
22
BUSH, STOPPER ARM RUBBER (NOT AVAILABLE)
45437-254-330
Unavailable
23
BOLT, FR. BRAKE PANEL STOPPER (NOT AVAILABLE)
90104-200-000
Unavailable
24
NUT, AXLE (NOT AVAILABLE)
90305-200-000
Unavailable
26
OIL SEAL (50X64X8) (NOT AVAILABLE)
91251-250-000
Unavailable
27
OIL SEAL (22X35X8) (NOT AVAILABLE)
91254-200-000
Unavailable
34
SPOKE A, FR. (NOT AVAILABLE)
97422-41111-11
Unavailable
35
SPOKE B, FR. (NOT AVAILABLE)
97687-41108-11
Unavailable
