- Partiron
- OEM Parts
- Honda
- MOTORCYCLE
- Models With No Year
- CA160A MOTORCYCLE, JPN, VIN# CA160-1000001
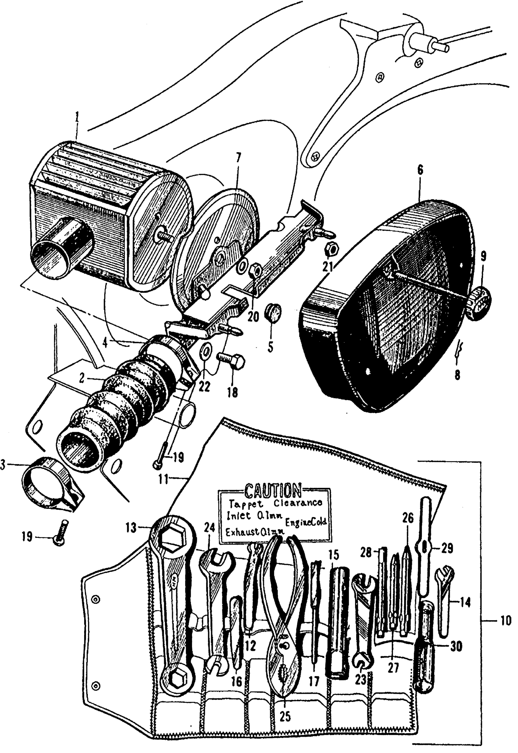
CA160 AIR CLEANER + TOOL BOX + TOOLS
Honda CA160A MOTORCYCLE, JPN, VIN# CA160-1000001 CA160 AIR CLEANER + TOOL BOX + TOOLS Diagram
#
Description
Price
1
ELEMENT, AIR CLEANER (NOT AVAILABLE)
17211-225-000
Unavailable
2
TUBE, AIR CLEANER CONNECTING (NOT AVAILABLE)
17253-202-000
Unavailable
3
BAND A, CONNECTING TUBE (NOT AVAILABLE)
17255-202-000
Unavailable
4
BAND B, AIR CLEANER CONNECTING TUBE (NOT AVAILABLE) This part replaces 17256-202-000.
17256-329-000
Unavailable
5
PLUG, FRAME BASE HOLE (NOT AVAILABLE)
50329-250-000
Unavailable
6
COVER, TOOL *NH1* (BLACK) (NOT AVAILABLE)
83500-200-000B
Unavailable
6
COVER, TOOL *R2* (SCARLET) (NOT AVAILABLE)
83500-200-000C
Unavailable
6
COVER, TOOL *PB5* (ROYAL BLUE) (NOT AVAILABLE)
83500-200-000E
Unavailable
6
COVER, TOOL *PB1* (DARK BLUE) (NOT AVAILABLE)
83500-200-000N
Unavailable
7
BOARD, TOOL TRAY (NOT AVAILABLE)
83530-200-000Z
Unavailable
10
TOOL SET (NOT AVAILABLE)
89010-212-000
Unavailable
11
BAG, TOOL (NOT AVAILABLE)
89101-200-000
Unavailable
13
WRENCH, AXLE (NOT AVAILABLE)
89022-200-000
Unavailable
13
WRENCH, AXLE
89202-200-000
Unavailable
14
SPANNER (9MM) (N/A: SEE ASSEMBLY)
89203-200-000
Unavailable
15
WRENCH, SPARK PLUG
89216-028-010
Unavailable
15
WRENCH, SPARK PLUG (NOT AVAILABLE) This part replaces 89216-033-000.
99004-18230
Unavailable
15
WRENCH, SPARK PLUG
89216-264-000
Unavailable
15
WRENCH, BOX (P18X23) (NOT AVAILABLE)
99004-18230
Unavailable
16
GAUGE, TAPPET CLEARANCE ADJUST (NOT AVAILABLE)
89231-216-000
Unavailable
17
POINTED FILE (NOT AVAILABLE)
89235-253-000
Unavailable
