- Partiron
- OEM Parts
- Polaris
- Motorcycle
- VIC
- 2005
- CA TOURING CRUISER ALL OPTIONS - V05TB16
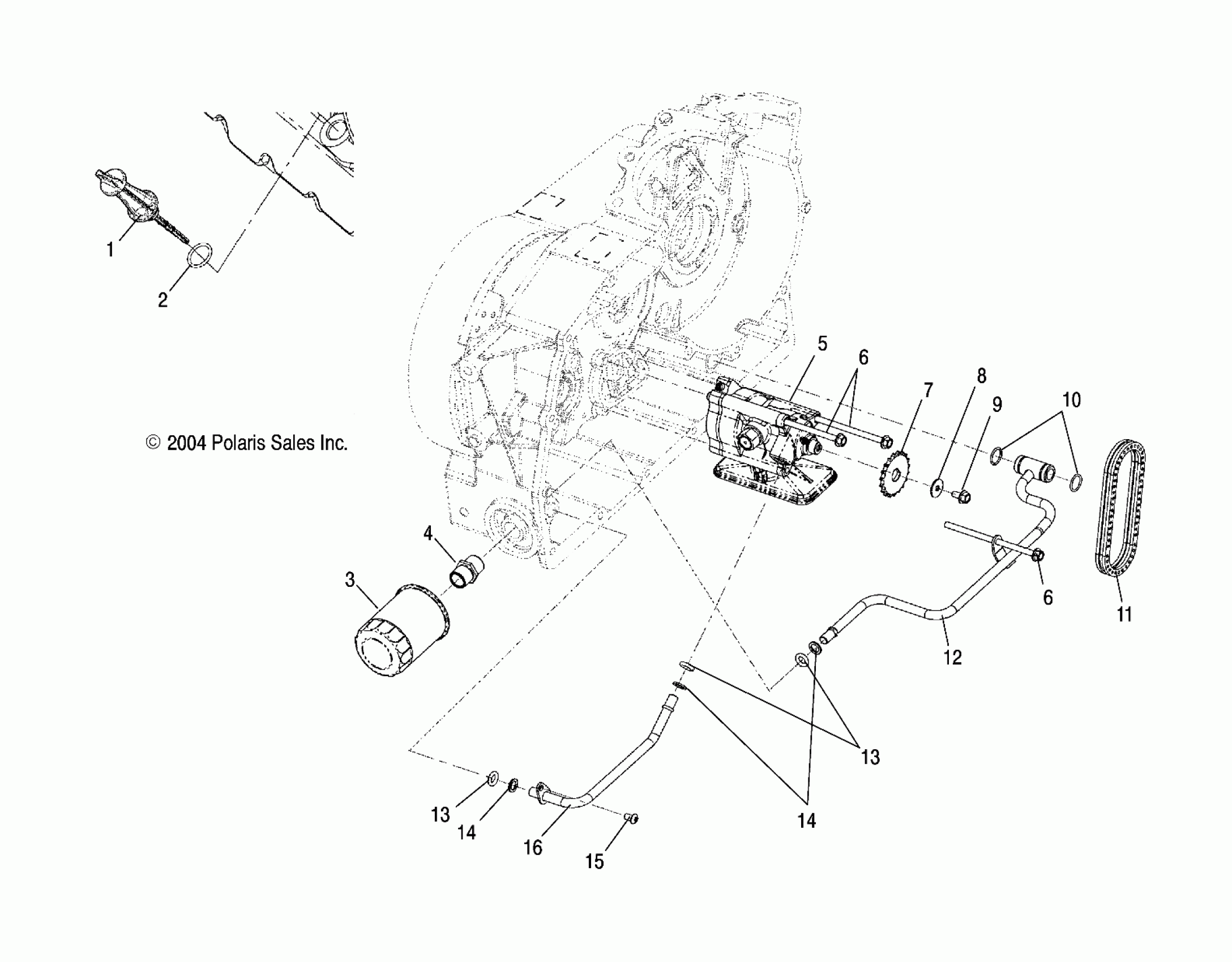
ENGINE, OIL PUMP MOUNTING - V05TB16/ALL OPTIONS (4996279627D03)
Polaris CA TOURING CRUISER ALL OPTIONS - V05TB16 ENGINE, OIL PUMP MOUNTING - V05TB16/ALL OPTIONS (4996279627D03) Diagram
#
Description
Price
1
DIPSTICK, OIL FILL
5434349
Unavailable
4
Nipple
2540115
Unavailable
5
Body, Oil Pump
5133043
Unavailable
6
SCREW
7517256
Unavailable
6
SCREW
7517256
Unavailable
11
Chain
3221144
Unavailable
12
Tube, Oil, Filter/Crankcase
2540076
Unavailable
13
O-RING
5411231
Unavailable
13
O-RING
5411231
Unavailable
15
SCREW
7517406
Unavailable
