- Partiron
- OEM Parts
- Polaris
- Motorcycle
- VIC
- 2004
- CA TOURING CRUISER ALL OPTIONS - V04TB16
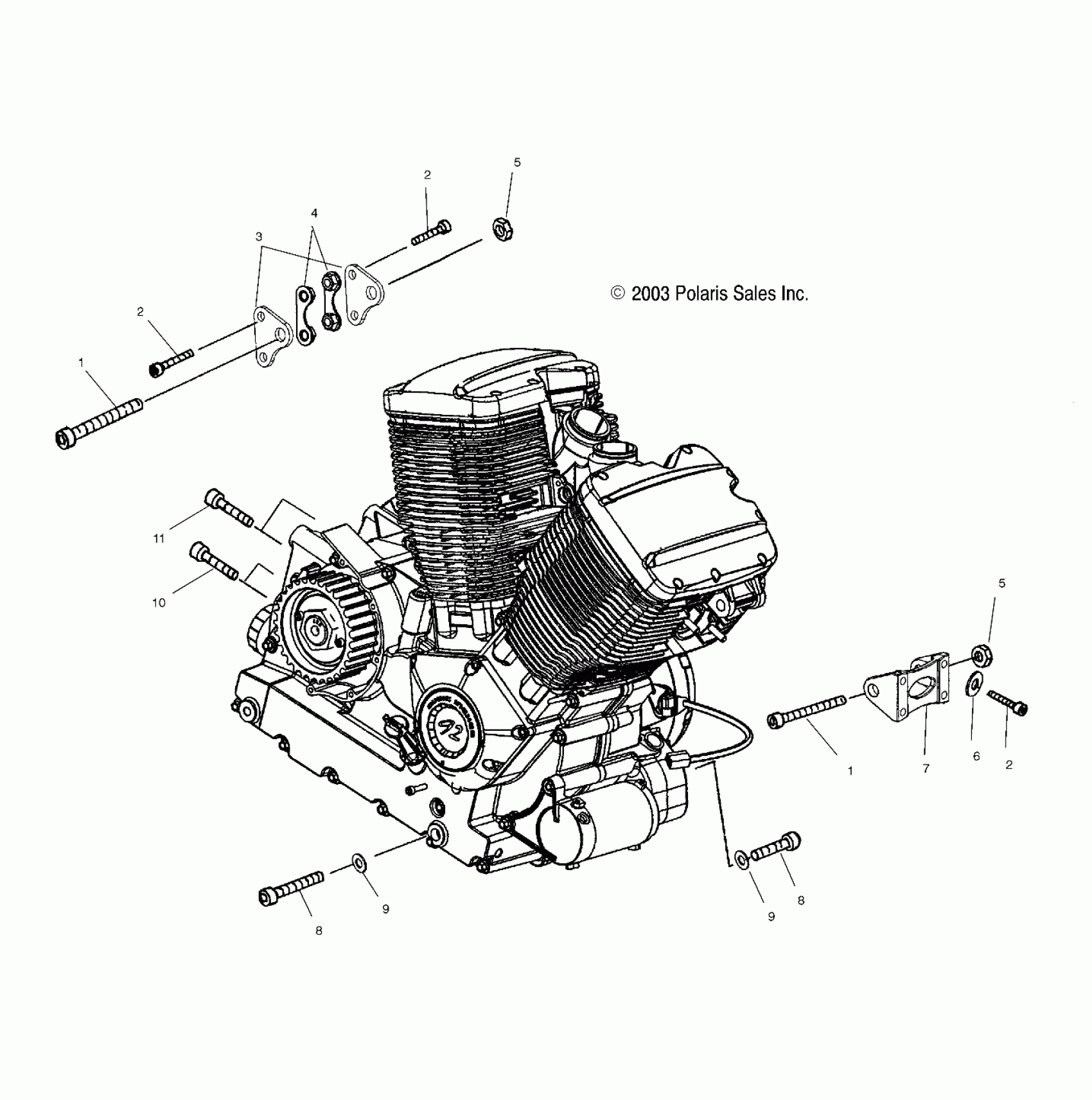
ENGINE, MOUNTING - V04TB16/ALL OPTIONS (4989528952C08)
Polaris CA TOURING CRUISER ALL OPTIONS - V04TB16 ENGINE, MOUNTING - V04TB16/ALL OPTIONS (4989528952C08) Diagram
#
Description
Price
7
Bracket, Upper Front [Silver]
5131664-236
Unavailable
10
SCR-SH-M10X1.5X45 12.9 SPC
7518122
Unavailable
