- Partiron
- OEM Parts
- Yamaha
- motorcycle
- 1990
- BW80A (BIG WHEEL) 1990
FUEL TANK
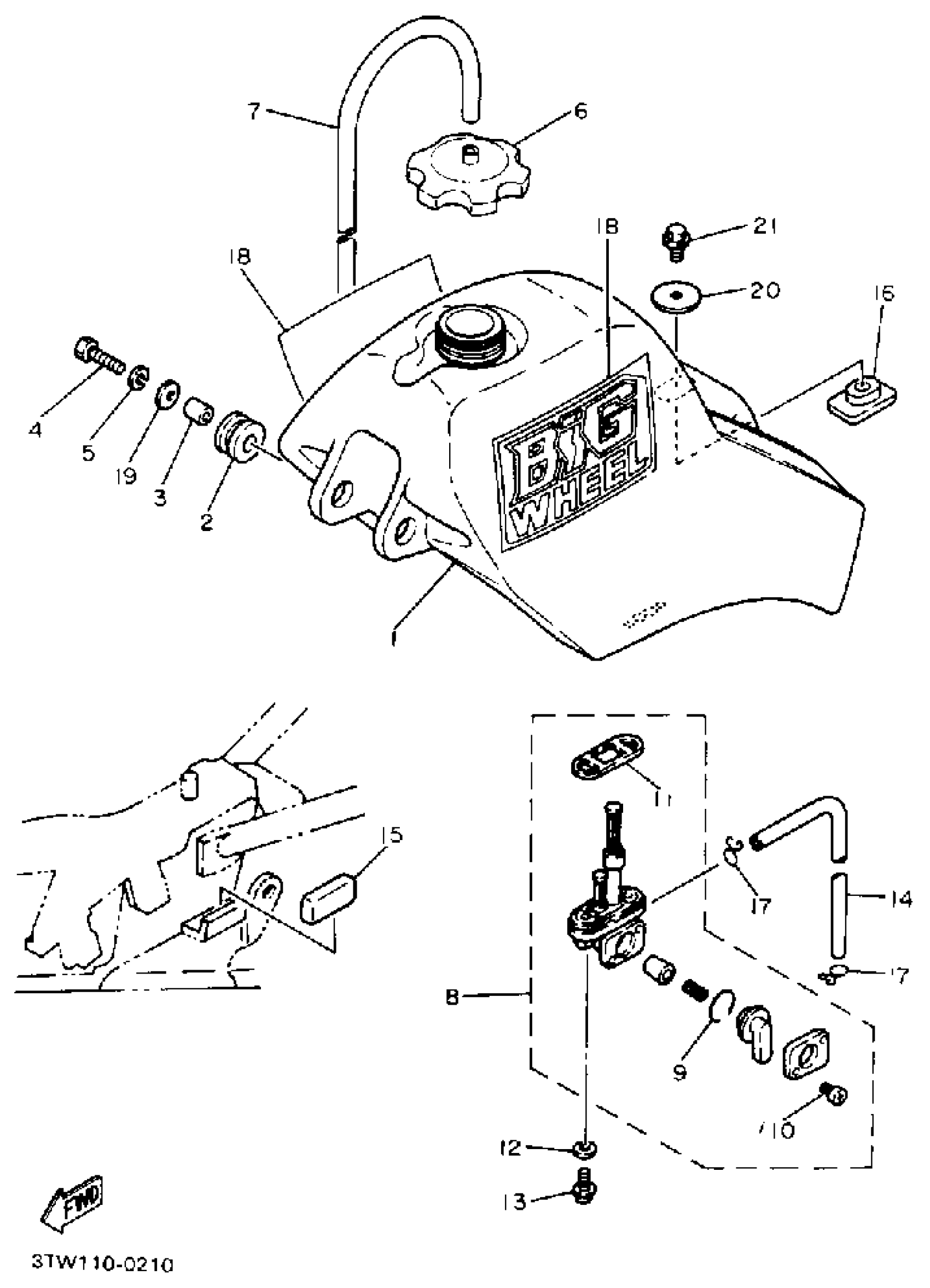
Yamaha BW80A (BIG WHEEL) 1990 FUEL TANK Diagram
#
Description
Price
1
FUEL TANK
1RY-24110-00-00
Unavailable
5
WASHER, SPRING
92995-06100-00
Unavailable
9
O-RING
1A0-24512-00-00
Unavailable
10
. SCREW, LEVER FITTING
619-24535-00-00
Unavailable
15
DAMPER, LOCATING 1
21W-24181-00-00
Unavailable
16
DAMPER, LOCATING
1A0-24181-00-00
Unavailable
17
CLIP 101235600
90467-08003-00
Unavailable
18
GRAPHIC, FUEL TNK 1
3TW-24244-00-00
Unavailable
19
WASHER PLATE 137241870000
90201-06072-00
Unavailable
20
WASHER PLATE 248217570000
90201-06074-00
Unavailable
21
BOLT, FLANGE
95812-06010-00
Unavailable
