Partiron

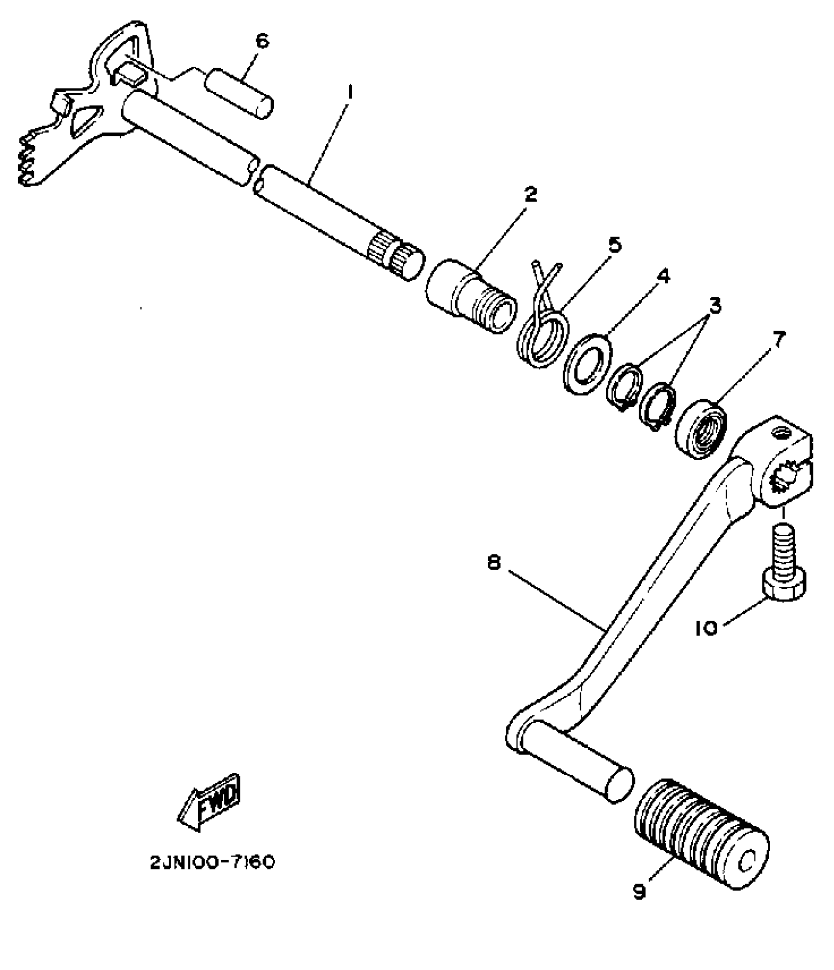
Yamaha BW350U (BIG WHEEL) 1988 SHIFT SHAFT Diagram

#

Description
Price

1

SHIFT SHAFT ASSY

3Y1-18101-01-00

Unavailable

2

COLLAR (3Y1)

90387-12787-00

$11.49

3

CIRCLIP(1EY)

99009-17400-00

$4.73

4

WASHER, PLATE (30X)

90201-177G4-00

$9.49

5

SPRING, TORSION (2K7)

90508-32374-00

$7.49

6

PIN, DOWEL

93608-30152-00

Unavailable

7

SEAL, OIL (30X)

93102-12321-00

$12.49

8

PEDAL, SHIFT

3Y6-18111-00-00

Unavailable

9

COVER, CHANGE PEDAL

132-18113-01-00

$7.99

10

BOLT, HEXAGON

97017-06020-00

$4.06