Partiron

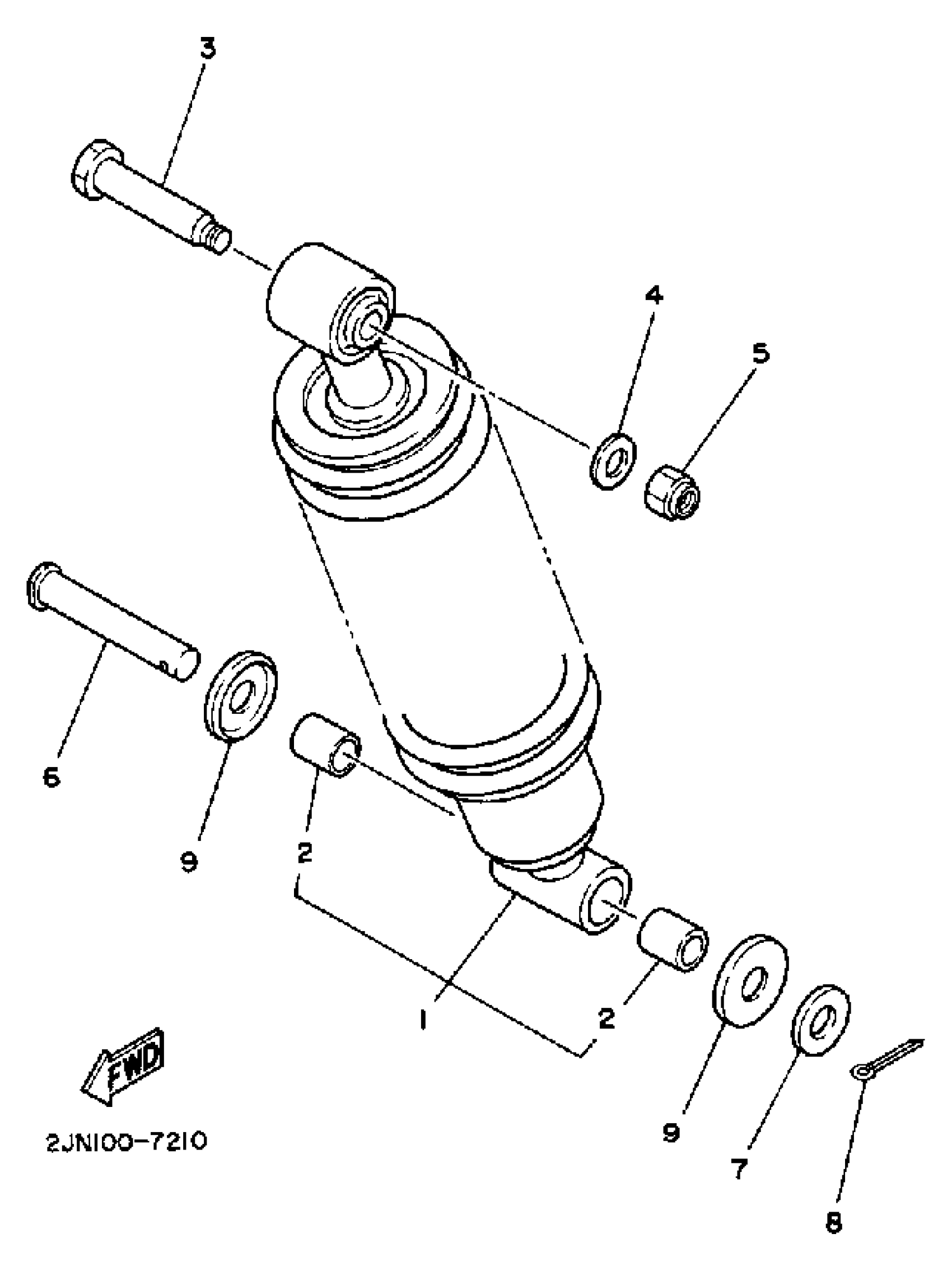
Yamaha BW350T (BIG WHEEL) 1987 REAR SHOCKS Diagram

#

Description
Price

1

SHOCK ABSORBER ASSY, REAR

5FY-22210-10-36

Unavailable

2

BUSH, SOLID (1M1)

90380-12051-00

$15.99

3

BOLT (1M1)

90109-10453-00

Unavailable

4

WASHER, PLATE (26H)

90201-102G9-00

$9.49

5

NUT, U

95617-10100-00

$8.49

6

PIN, CLEVIS (3Y2)

90240-12075-00

Unavailable

7

WASHER PLATE 122222440000

90201-12175-00

Unavailable

8

PIN, COTTER

91490-30030-00

$8.49

9

COVER, THRUST 2

30X-22129-00-00

$20.99