- Partiron
- OEM Parts
- Yamaha
- motorcycle
- 1987
- BW350T (BIG WHEEL) 1987
GENERATOR
Yamaha BW350T (BIG WHEEL) 1987 GENERATOR Diagram
#
Description
Price
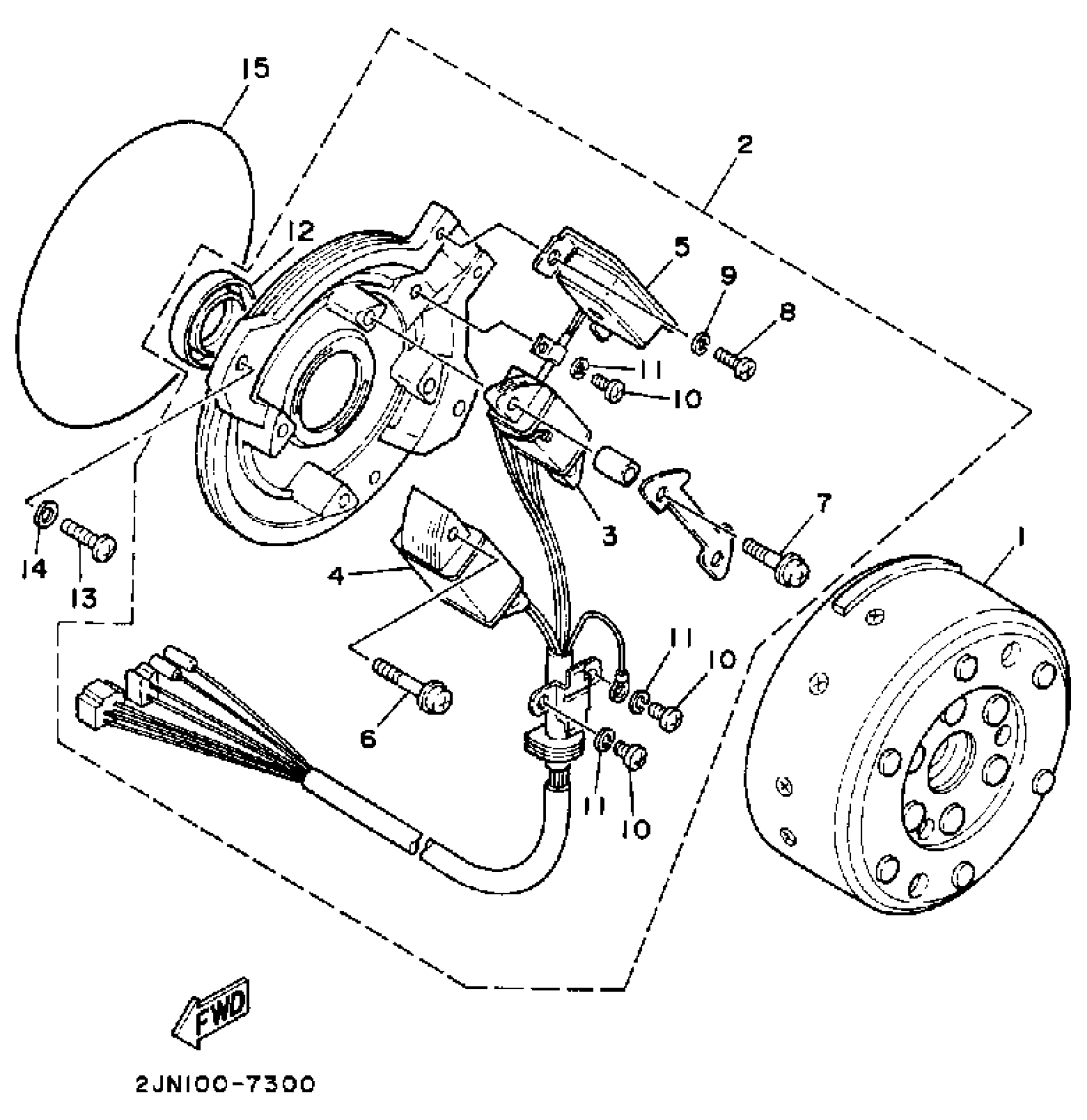
1
INACTIVE PART NUMBER
2JN-85550-M0-00
Unavailable
2
BASE ASSEMBLY
(2JN-85560-M0-00)
Unavailable
3
. COIL, CHARGE
2JN-85520-M0-00
Unavailable
4
. COIL, LIGHTING 1
2JN-81313-M0-00
Unavailable
5
. COIL, PULSER
2JN-85595-M0-00
Unavailable
7
SCREW, WITH WASHER
90159-05145-00
Unavailable
10
SCREW, PAN HEAD(3XP)
98517-04006-00
Unavailable
