- Partiron
- OEM Parts
- Yamaha
- motorcycle
- 1987
- BW350T (BIG WHEEL) 1987
ELECTRICAL 1
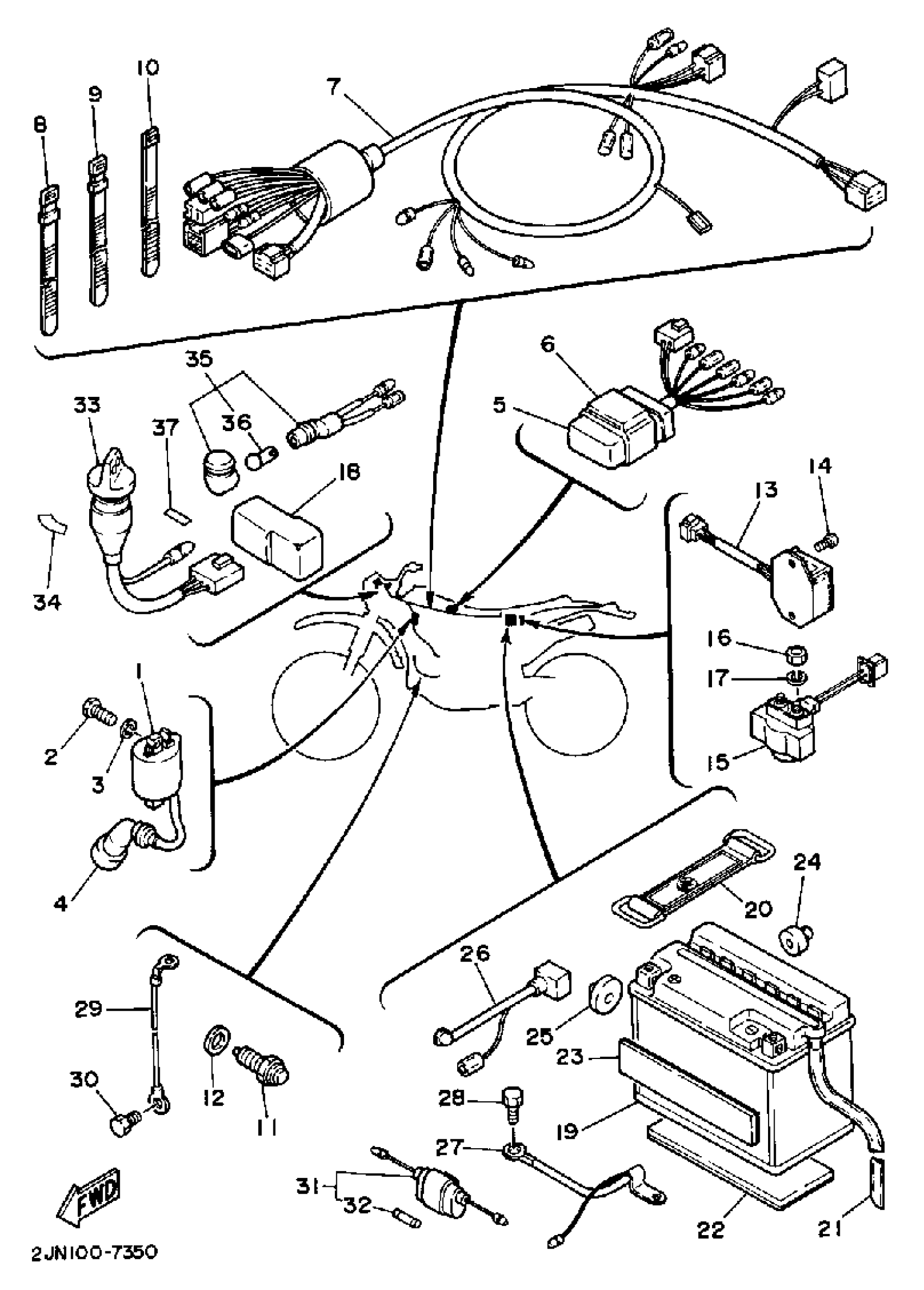
Yamaha BW350T (BIG WHEEL) 1987 ELECTRICAL 1 Diagram
#
3
WASHER, SPRING
92995-06100-00
Unavailable
5
CDI UNIT ASSEMBLY
2JN-85540-M0-00
Unavailable
6
BAND
50W-85546-00-00
Unavailable
7
WIRE HARNESS ASSEMBLY
2JN-82590-00-00
Unavailable
13
RECTIFIER & REGULATOR ASSEMBLY
33G-81960-60-00
Unavailable
14
SCREW, PAN HEAD(62J)
97885-06012-00
Unavailable
16
NUT(650)
95380-06700-00
Unavailable
17
WASHER, SPRING
92995-06100-00
Unavailable
18
RELAY ASSY
12R-81950-02-00
Unavailable
19
YB12BB2 YUASA BATTERY
YB1-2BB20-00-00
Unavailable
20
BAND, BATTERY
1E6-82131-00-00
Unavailable
21
HOSE (L540)
90445-084A7-00
Unavailable
22
DAMPER 2
1UY-21639-00-00
Unavailable
23
DAMPER
(2JN-21746-00-00)
Unavailable
24
STOPPER, MAIN STAND
116-27114-00-00
Unavailable
25
SEAL, RIGHT SIDE COVER
2J5-21732-00-00
Unavailable
26
WIRE, PLUS LEAD
2JN-82115-00-00
Unavailable
27
WIRE, MINUS LEAD
2JN-82116-00-00
Unavailable
28
BOLT (3H6)
90109-06557-00
Unavailable
29
NO LONGER AVAILABLE
2JN-82519-00-00
Unavailable
30
BOLT (3H6)
90109-06557-00
Unavailable
31
FUSE HOLDER ASSY
55K-82150-02-00
Unavailable
32
FUSE
1A0-82151-00-00
Unavailable
33
MAIN SWITCH ASSEMBLY
2JN-82510-02-00
Unavailable
34
LABEL
29U-83585-10-00
Unavailable
35
PILOT LIGHT ASSY
24W-83530-10-00
Unavailable
36
BULB (12V-3.4W)
123-83516-21-00
Unavailable
37
LABEL
24W-83585-20-00
Unavailable
