Yamaha BW200ES (BIG WHEEL ELEC START) 1986 STARTER Diagram
#
Description
Price
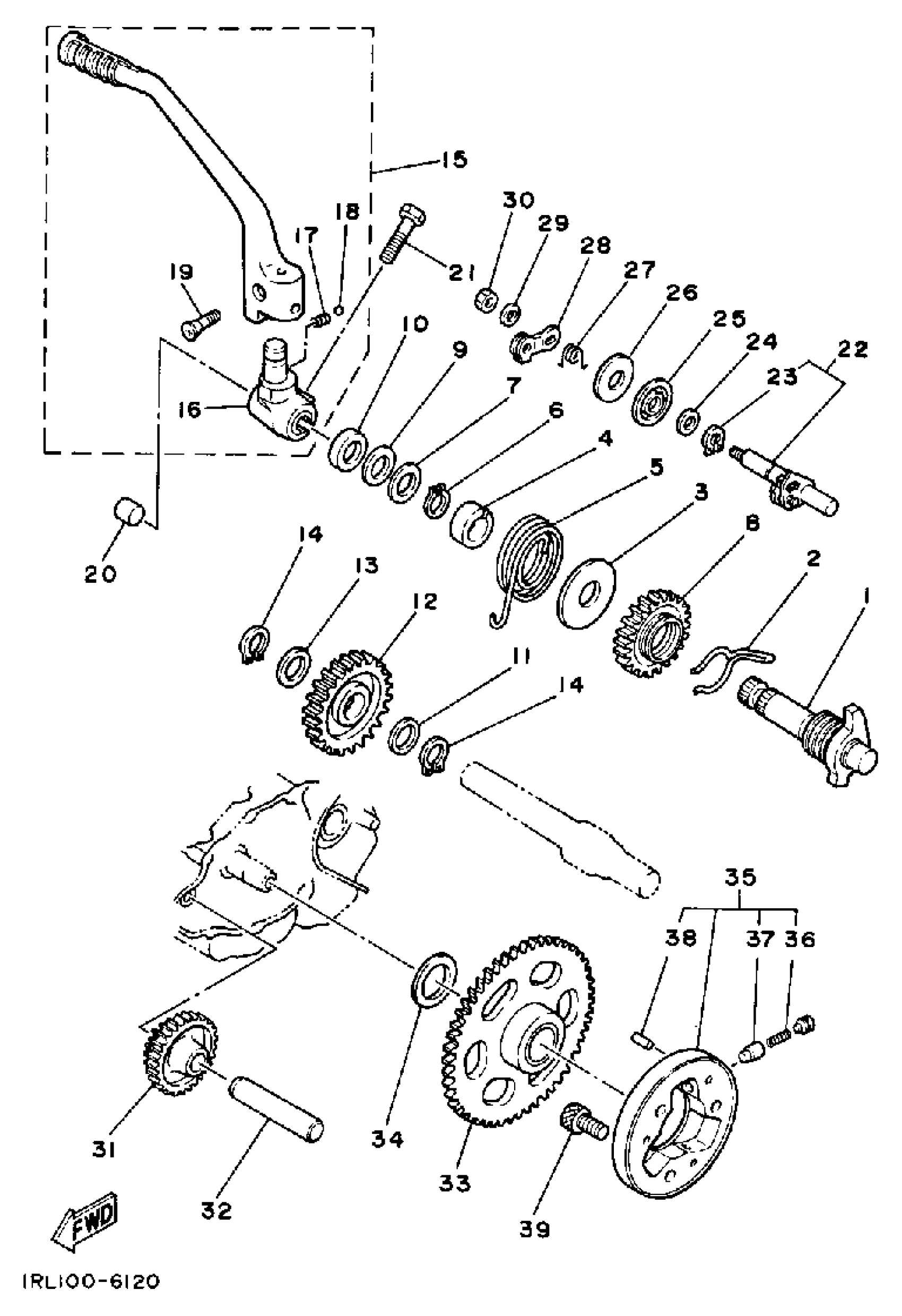
8
GEAR, KICK
36X-15641-00-00
Unavailable
16
BOSS, KICK CRANK
54G-15621-00-00
Unavailable
17
SPRING COMPRESSION278156220000
90501-12081-00
Unavailable
18
BALL (12R)
93507-32031-00
Unavailable
19
SCREW, COUNTERSUNK (5Y1)
90152-06010-00
Unavailable
20
PLUG 288251390000
90338-18014-00
Unavailable
21
BOLT, HEXAGON
97013-08030-00
Unavailable
22
DECOMP. LEVER ASSY
36X-1561A-00-00
Unavailable
23
CIRCLIP(10W)
99009-10400-00
Unavailable
24
WASHER, PLATE (2W5)
90201-10614-00
Unavailable
25
SEAL,OIL(SD 10-21-5 HS,3Y1)
93102-10207-00
Unavailable
26
WASHER, PLATE(52H)
90201-105J4-00
Unavailable
27
SPRING, TORSION (36X)
90508-14620-00
Unavailable
28
LEVER, CABLE (4J7-1561G-00)
36X-1561G-00-00
Unavailable
29
WASHER(6TA)
92907-06600-00
Unavailable
30
NUT(JN5)
95317-06700-00
Unavailable
31
GEAR, IDLER 1
5H0-15512-00-00
Unavailable
32
SHAFT 1
5H0-15521-00-00
Unavailable
33
GEAR, IDLER 2
5H0-15517-00-00
Unavailable
34
WASHER, PLATE(1FK)
90201-256K6-00
Unavailable
35
STARTER CLUTCH OUTER ASSY
4H7-15580-10-00
Unavailable
36
SPRING, COMPRESSION (4H7)
90501-04596-00
Unavailable
37
CAP, STARTER CLUTCH
1J7-15583-01-00
Unavailable
38
PIN,DOWEL(341)
93615-12088-00
Unavailable
39
BOLT, SOCKET
91317-08016-00
Unavailable
