Partiron

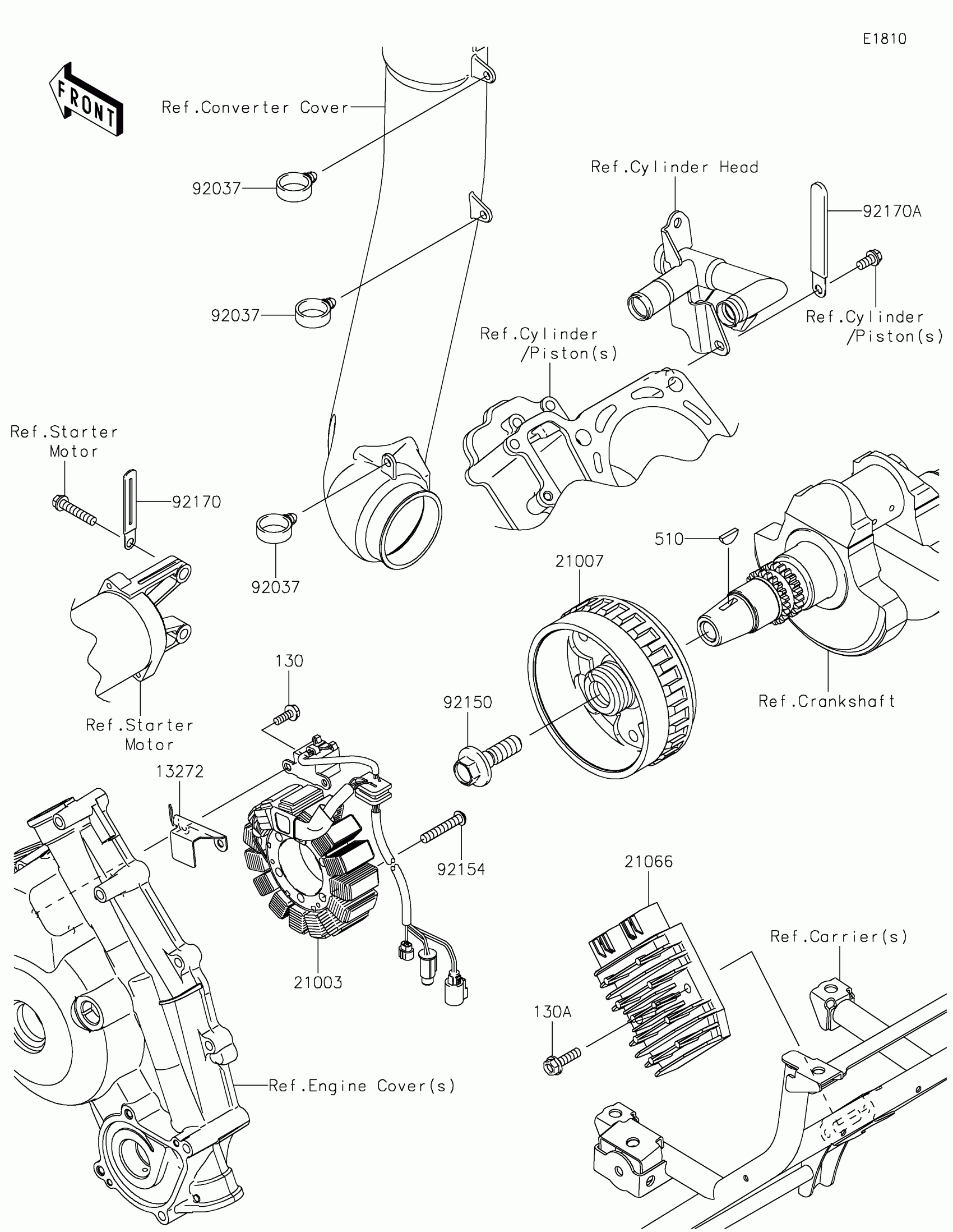
Kawasaki BRUTE FORCE® 750 LE EPS Generator Diagram

#

Description
Price

13272

PLATE

13272-1222

$3.65

21003

STATOR

21003-0167

$612.24

21007

ROTOR

21007-0633

$643.68

21066

REGULATOR-VOLTAGE

21066-0771

$339.14

92037

CLAMP,HOSE

92037-1827

$7.45

92150

BOLT,12X40

92150-1717

$11.39

92154

BOLT,TORX,6X35

92154-1007

$3.02

92170

CLAMP

92170-1514

$4.31

92170A

CLAMP

92170-1925

$2.40

130

BOLT-FLANGED,5X14

130BA0514

$2.06

130A

BOLT-FLANGED,6X22

130BA0622

$1.29

510

KEY-WOODRUFF

510A4200

$2.96