Partiron

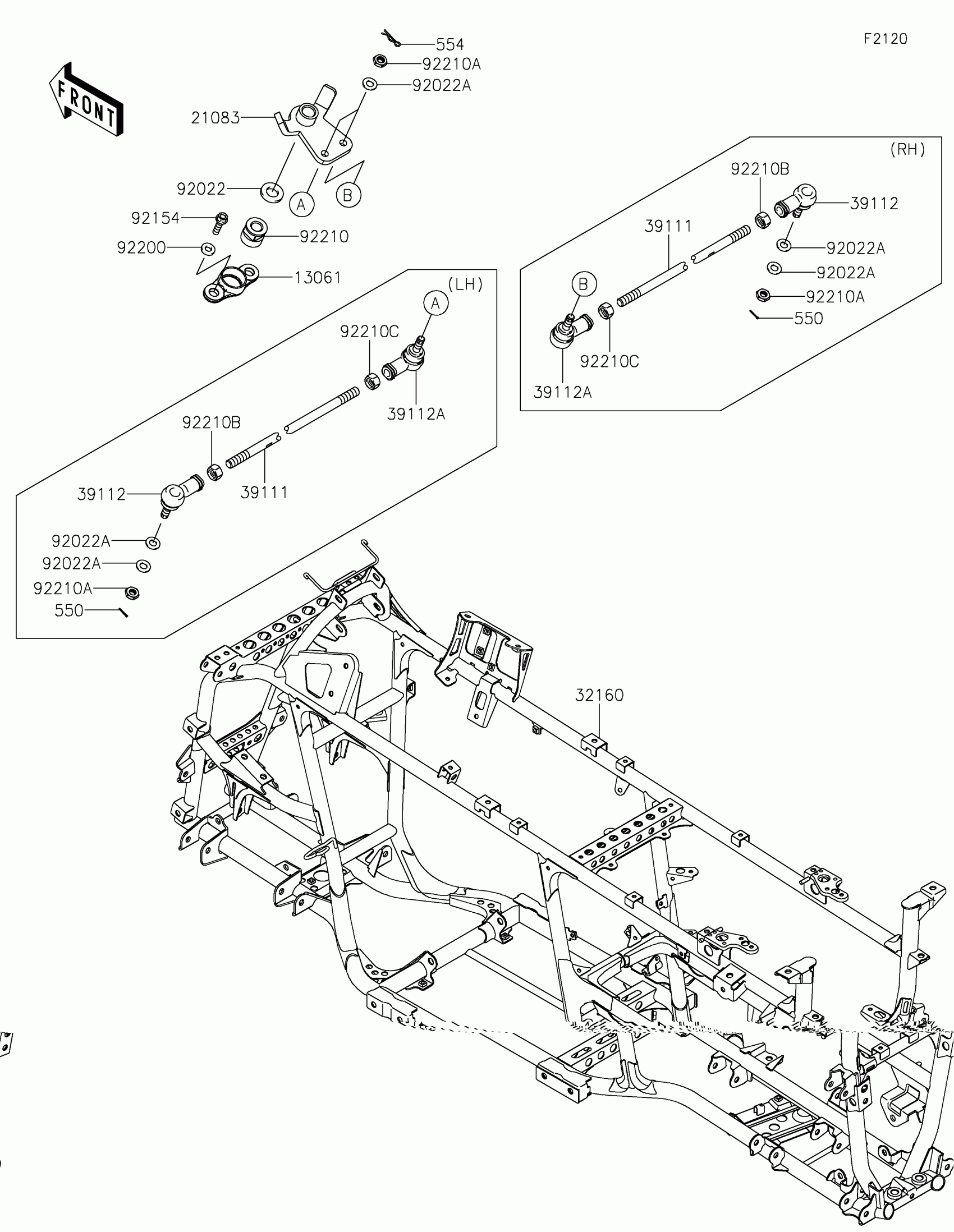
Kawasaki BRUTE FORCE® 750 LE EPS CAMO Frame Diagram

#

Description
Price

13061

BOSS,EPS STOPPER

13061-0611

$71.10

21083

ARM,PITMAN

21083-0053

$74.76

32160

FRAME-COMP

32160-0712

$1,230.19

39111

ROD-TIE

39111-0023

$18.09

39112

RODEND-TIE,RIGHT HANDED

39112-0009

$38.97

39112A

RODEND-TIE,LEFT HANDED

39112-0010

$38.97

92022

WASHER,16X32X3.2

92022-1701

$4.69

92022A

WASHER,10.2X20X1.5

92022-3742

$4.18

92154

BOLT,FLANGED,8X30

92154-0850

$2.67

92200

WASHER,8.2X20.0X2.5

92200-0205

$3.35

92210

NUT,16MM

92210-0751

$94.36

92210A

NUT,LOCK,10MM

92210-1184

$6.11

92210B

NUT,RIGHT HANDED

92210-1385

$6.21

92210C

NUT,LEFT HANDED

92210-1386

$6.21

550

PIN-COTTER,2.0X15

550AA2015

$1.12

554

PIN-SNAP,10MM

554DA1000

$1.36