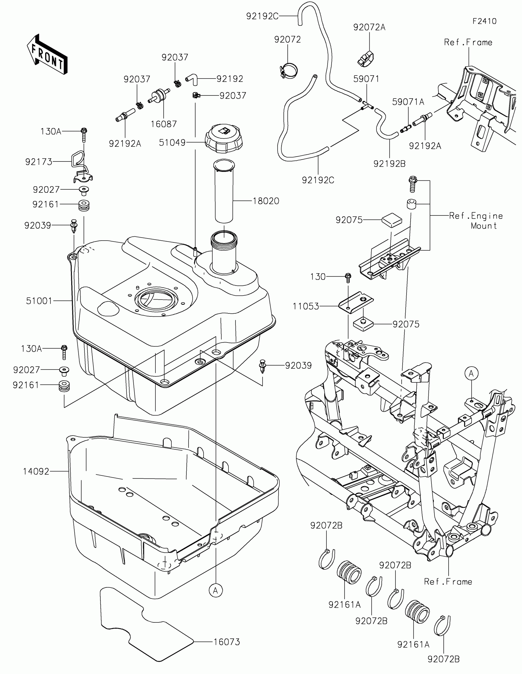
Partiron

Kawasaki BRUTE FORCE® 750 Fuel Tank Diagram

#

Description
Price

11053

BRACKET,FUEL TANK,TOP

11053-0936

$3.62

14092

COVER,FUEL TANK,LWR

14092-0186

$41.32

16073

INSULATOR,FUEL TANK COVER,LWR

16073-0925

$8.10

16087

VALVE-CHECK

16087-0008

$37.65

18020

BAFFLE,FUEL TANK

18020-0008

$10.54

51001

TANK-COMP-FUEL

51001-0237

$321.68

51049

CAP-TANK,FUEL

51049-0718

$64.67

59071

JOINT

59071-3705

$4.91

59071A

JOINT

59071-3717

$3.55

92027

COLLAR,L=16.1

92027-1847

$6.22

92037

CLAMP,TUBE

92037-1461

$3.88

92039

RIVET

92039-0776

$1.19

92072

BAND,L=149

92072-031

$5.00

92072A

BAND,L=186

92072-056

$5.00

92072B

BAND,L=188

92072-1239

$1.73

92075

DAMPER

92075-1882

$8.10

92161

DAMPER

92161-0106

$1.73

92161A

DAMPER,FUEL TANK,RR

92161-1111

$6.37

92173

CLAMP,FUEL TUBE

92173-0872

$12.58

92192

TUBE,FUEL TANK-CHECK VALVE

92192-0067

$3.87

92192A

TUBE,FRAME PIPE-CHECK VALVE

92192-0068

$10.90

92192B

TUBE,5X10X80/22

92192-0992

$4.37

92192C

TUBE,5X10X470

92192-0993

$9.09

130

BOLT-FLANGED,6X16

130BA0616

$1.20

130A

BOLT-FLANGED,6X30

130BA0630

$1.46