Partiron

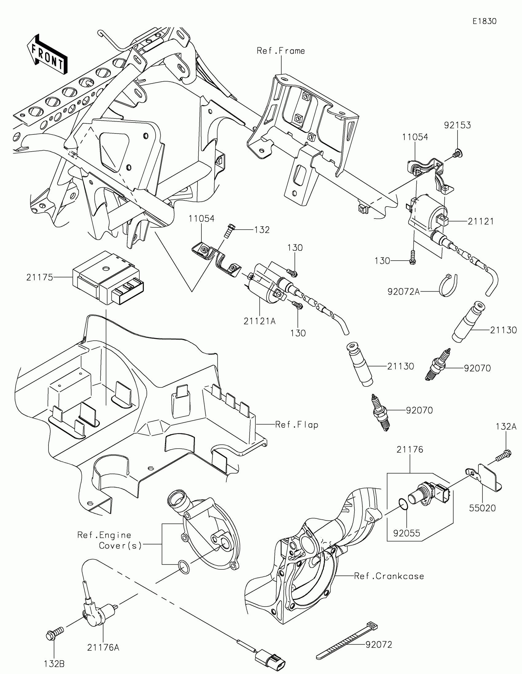
Kawasaki BRUTE FORCE® 750 EPS Ignition System Diagram

#

Description
Price

11054

BRACKET

11054-1328

$7.15

21121

COIL-IGNITION,RR

21121-0721

$73.98

21121A

COIL-IGNITION,FR

21121-0725

$73.98

21130

CAP-SPARK PLUG

21130-1071

$37.46

21175

CONTROL UNIT-ELECTRONIC

21175-0936

$710.49

21176

SENSOR,SPEED

21176-1104

$118.31

21176A

SENSOR,REVERSE

21176-1109

$109.78

55020

GUARD

55020-0762

$5.01

92055

RING-O

92055-1718

$2.41

92070

PLUG-SPARK,CPR7EA-9(NGK)

92070-0022

Unavailable

92072

BAND,L=123

92072-030

$5.00

92072A

BAND,L=188

92072-1239

$1.73

92153

BOLT,SOCKET,6X10

92153-1527

$1.78

130

BOLT-FLANGED,5X18

130BB0518

$2.03

132

BOLT-FLANGED-SMALL,6X16

132BA0616

$1.51

132A

BOLT-FLANGED-SMALL,6X20

132BA0620

$2.49

132B

BOLT-FLANGED-SMALL,8X22

132BA0822

$2.70