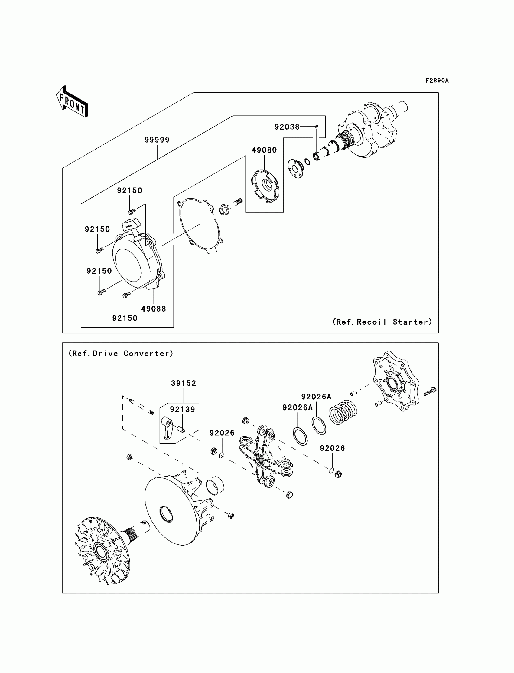
Partiron

Kawasaki Brute Force 750 4x4i Realtree APG HD Optional Parts(EAF) Diagram

#

Description
Price

39152

WEIGHT-RAMP

39152-0028

$60.77

49080

PULLEY-STARTING

49080-1057

$70.72

49088

STARTER-RECOIL

49088-1056

$342.63

92026

SPACER,T=0.1

92026-0038

$5.07

92026A

SPACER,39X49.5X1.0

92026-1603

$7.63

92038

KEY,SUNK

92038-1051

$5.73

92139

BUSHING

92139-0215

$10.21

92150

BOLT,6X14

92150-1916

$3.32

99999

KIT.,RECOIL STARTER

99999-0244

$381.76