Partiron

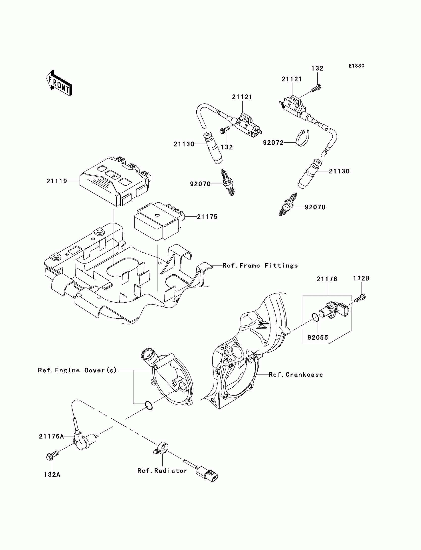
Kawasaki Brute Force 750 4x4i Hardwoods Green HD Ignition System Diagram

#

Description
Price

132

BOLT-FLANGED-SMALL

132H0616

$1.47

132A

BOLT-FLANGED-SMALL,8X22

132H0822

$2.52

132B

BOLT-FLANGED-SMALL,6X20

132Y0620

$3.84

21119

IGNITER

21119-0025

$640.75

21121

COIL-IGNITION

21121-0018

$75.71

21130

CAP-SPARK PLUG

21130-1071

$37.46

21175

CONTROL UNIT-ELECTRONIC

21175-0086

$580.42

21176

SENSOR,SPEED

21176-1104

$118.31

21176A

SENSOR,REVERSE

21176-1109

$109.78

92055

RING-O

92055-1718

$2.41

92070

PLUG-SPARK,CR7E(NGK)

92070-1209

$8.25

92072

BAND,L=188

92072-1239

$1.73