Partiron

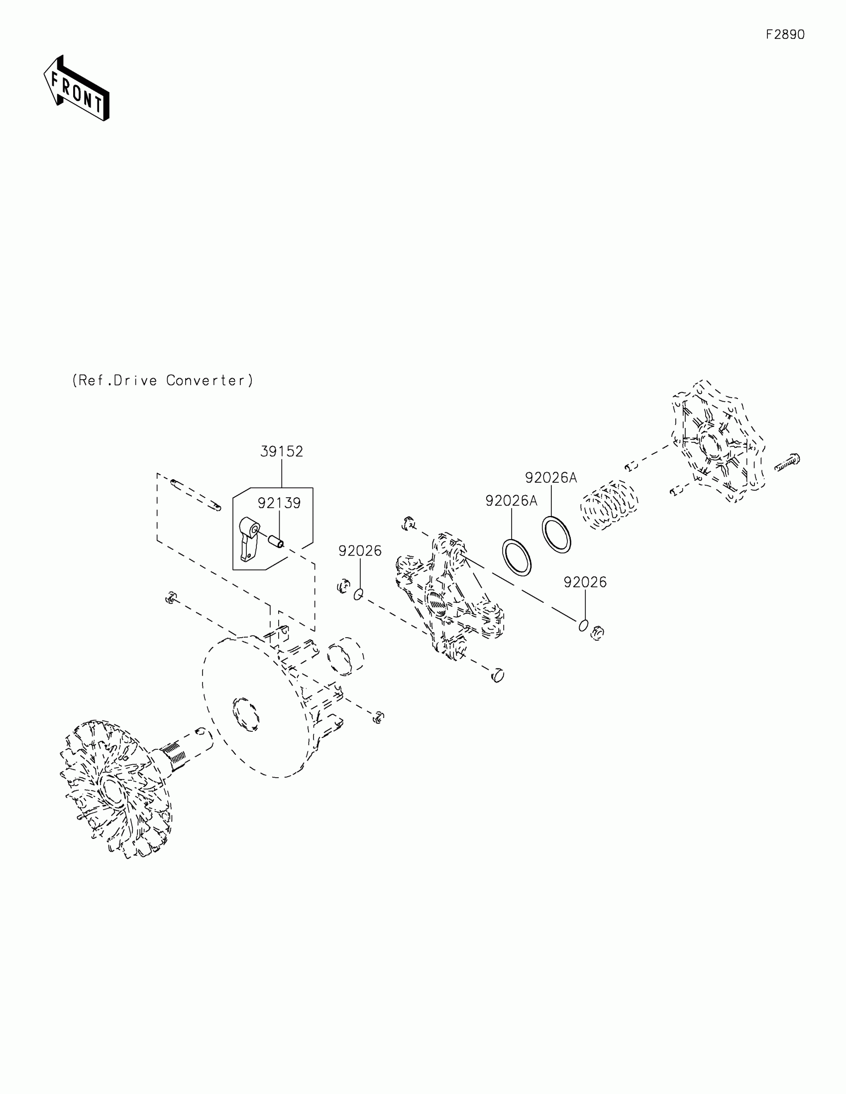
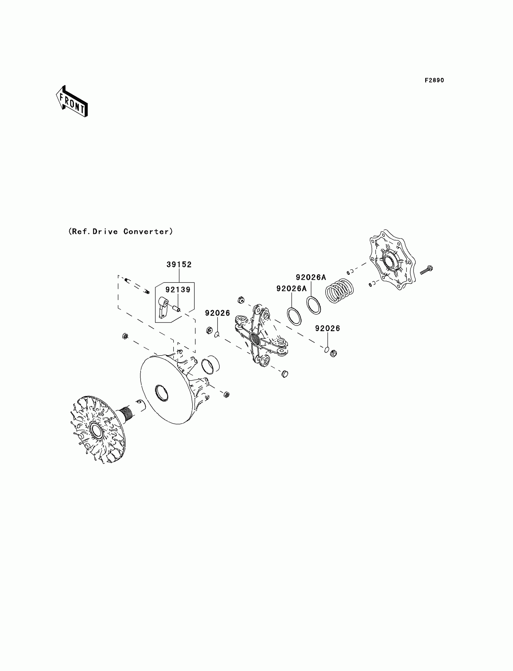
Kawasaki BRUTE FORCE® 750 4x4i EPS Optional Parts Diagram

#

Description
Price

39152

WEIGHT-RAMP

39152-0091

$55.60

92026

SPACER,T=0.1

92026-0038

$5.07

92026A

SPACER,39X49.5X1.0

92026-1603

$7.63

92139

BUSHING

92139-0215

$10.21