Partiron

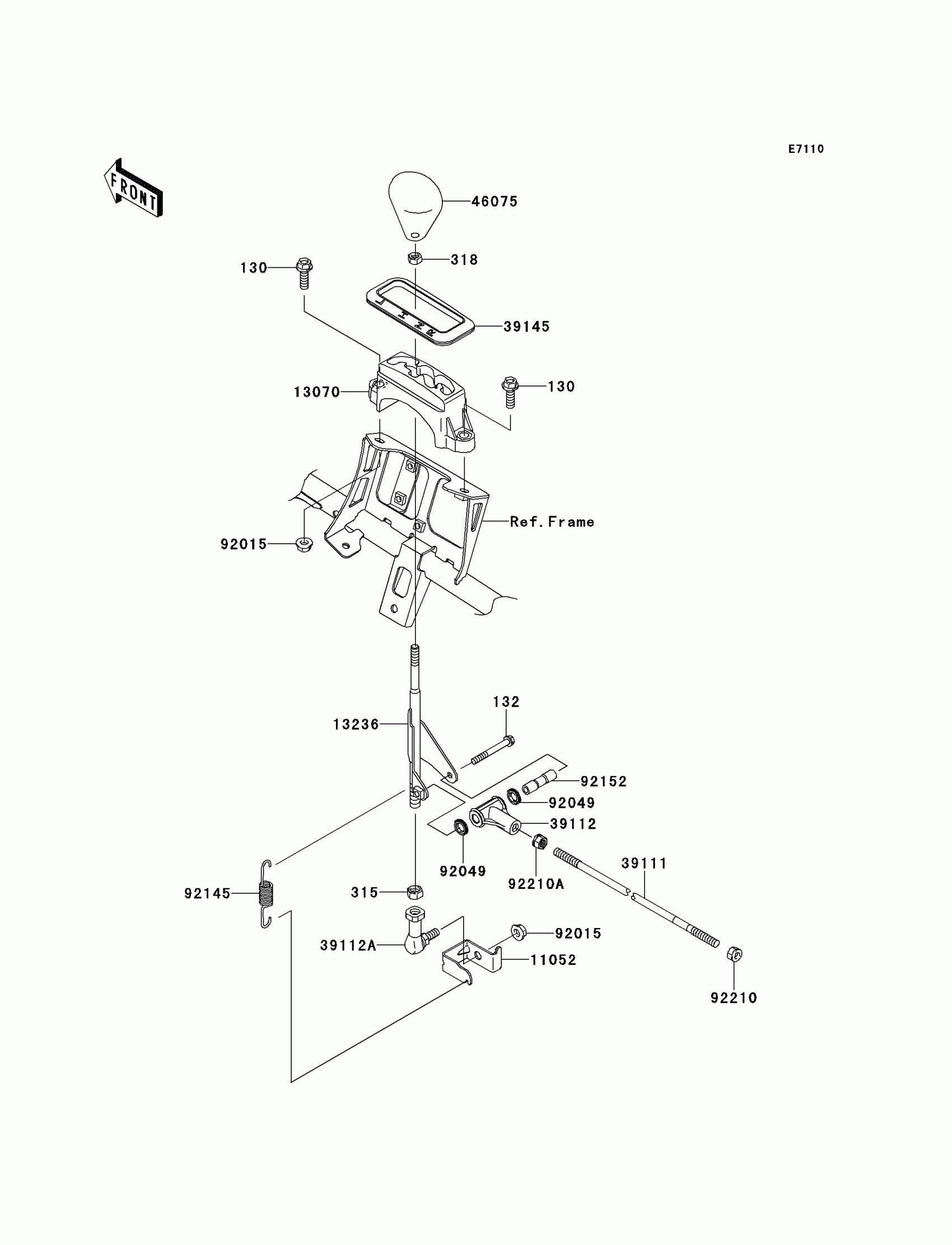
Kawasaki BRUTE FORCE® 750 4x4i EPS Control Diagram

#

Description
Price

130

BOLT-FLANGED,8X25

130CD0825

$2.70

132

BOLT-FLANGED-SMALL,6X50

132BB0650

$4.76

315

NUT-HEX-FINE,10MM

315AA1000

$0.59

318

NUT-HEX-SMALL,8MM

318BA0800

$1.34

11052

BRACKET,CONTROL

11052-1476

$6.18

13070

GUIDE,CONTROL SHAFT

13070-1396

$46.80

13236

LEVER-COMP,SHIFT

13236-0034

$34.55

39111

ROD-TIE,SHIFT

39111-1174

$22.29

39112

RODEND-TIE

39112-1079

$27.52

39112A

RODEND-TIE,CONTROL PIVOT

39112-1084

Unavailable

39145

TRIM-SEAL,CONTROL GUIDE

39145-1121

$5.64

46075

GRIP,SHIFT

46075-0046

$30.65

92015

NUT,8MM

92015-1432

$6.57

92049

SEAL-OIL

92049-1458

$11.69

92145

SPRING

92145-0130

$4.55

92152

COLLAR,RODEND-TIE

92152-1222

$8.36

92210

NUT,8MM

92210-1242

$2.41

92210A

NUT,LH,THREAD 8MM

92210-1284

$2.80