Partiron

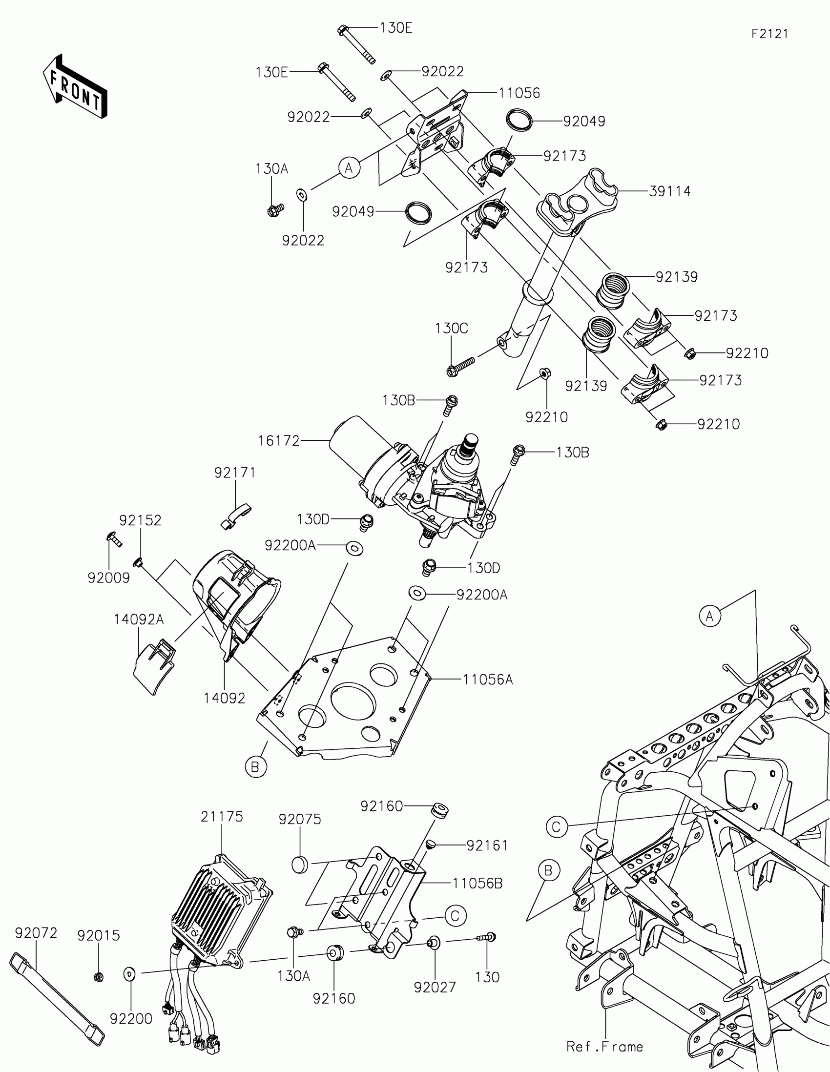
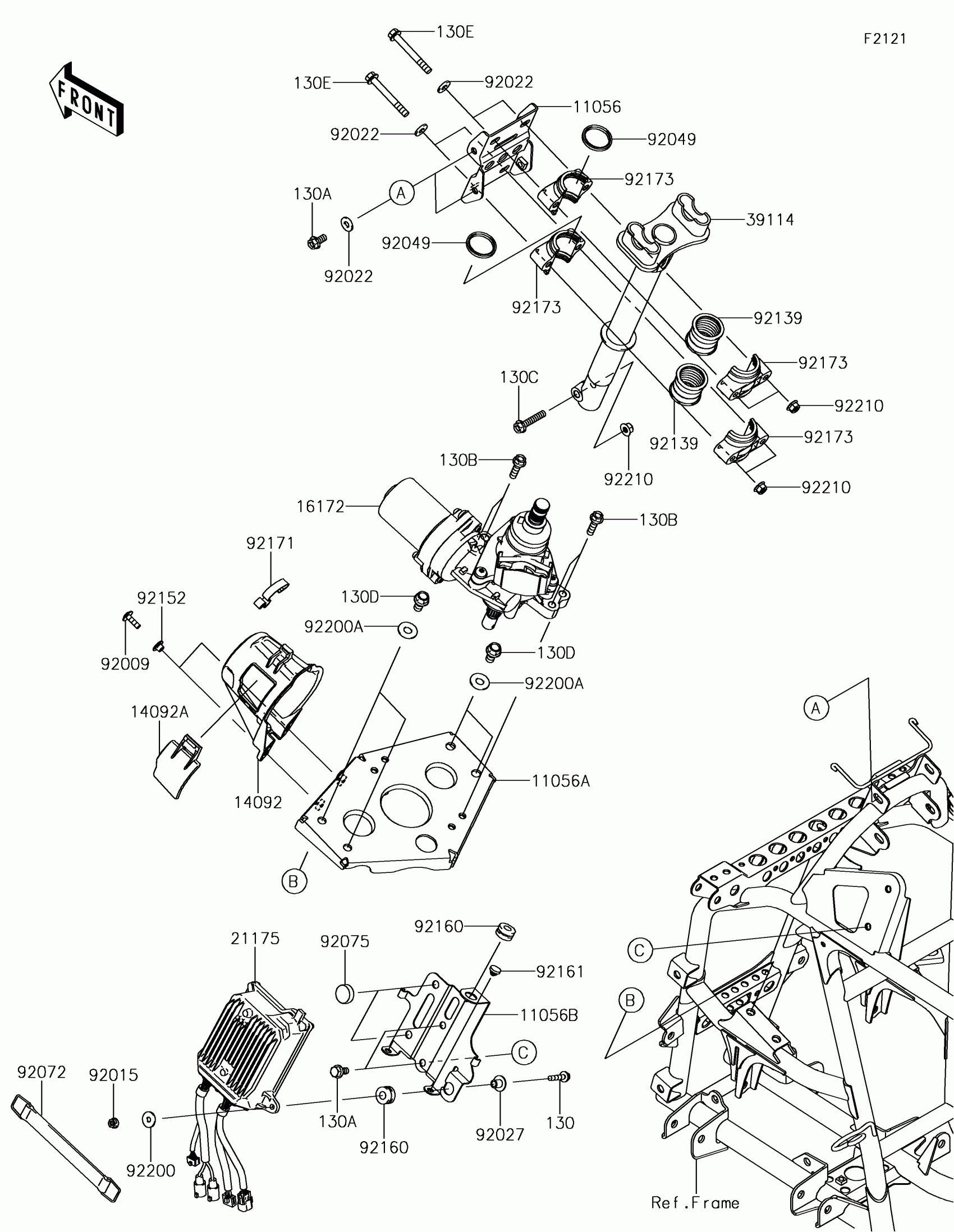
Kawasaki BRUTE FORCE® 750 4x4i EPS CAMO Steering Shaft Diagram

#

Description
Price

11056

BRACKET,STRG,UPP

11056-0284

$10.58

11056A

BRACKET,EPS BODY FIT

11056-0285

$47.92

11056B

BRACKET,EPS ECU

11056-0290

$16.98

14092

COVER,EPS

14092-0260

$34.28

14092A

COVER,EPS,CAP

14092-0261

$6.78

16172

ACTUATOR,EPS

16172-0560

$1,656.19

21175

CONTROL UNIT-ELECTRONIC,EPS

21175-0752

$863.51

39114

SHAFT-COMP-STRG

39114-0309

$108.94

92009

SCREW,6X20

92009-1289

$4.31

92015

NUT,FLANGED,6MM

92015-1367

$3.69

92022

WASHER,8.2X19X2

92022-1533

$5.52

92027

COLLAR,L=12

92027-1062

$7.34

92049

SEAL-OIL,SR31.8X37.5X3.8LR

92049-7501

$5.00

92072

BAND,BATTERY

92072-3879

$35.74

92075

DAMPER,9X24X14

92075-281

$6.22

92139

BUSHING,STRG SHAFT

92139-0763

$13.36

92152

COLLAR,6.3X8.3X7.2

92152-1865

$1.19

92160

DAMPER

92160-1895

$3.09

92161

DAMPER

92161-0586

$2.34

92171

CLAMP

92171-0225

$1.97

92173

CLAMP,STRG SHAFT

92173-0746

$16.35

92200

WASHER,6.5X20X1.6

92200-0283

$1.40

92200A

WASHER,10.5X25X1.6

92200-1595

$6.18

92210

NUT,FLANGED,LOCK,8MM

92210-0493

$7.60

130

BOLT-FLANGED,6X30

130BA0630

$1.46

130A

BOLT-FLANGED,8X16

130BA0816

$1.12

130B

BOLT-FLANGED,8X30

130BA0830

$1.98

130C

BOLT-FLANGED,8X40

130BA0840

$1.98

130D

BOLT-FLANGED,10X16

130BA1016

$4.76

130E

BOLT-FLANGED,8X65

130CA0865

$2.32