Partiron

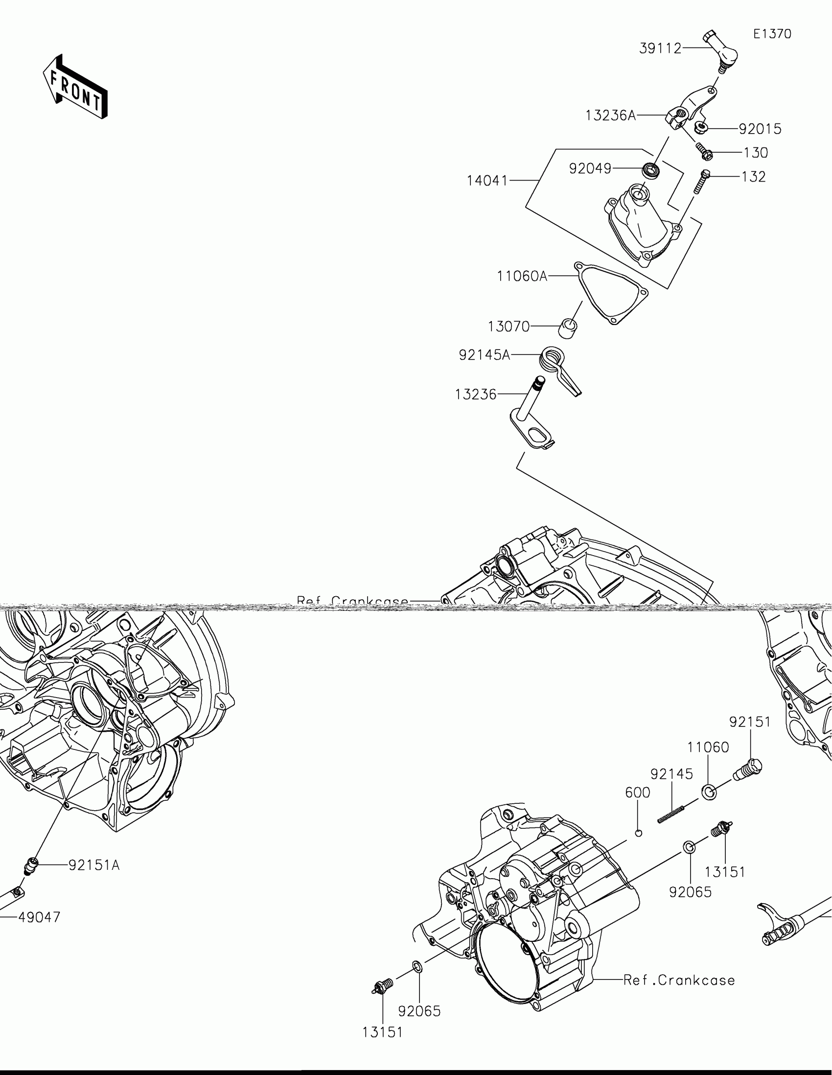
Kawasaki BRUTE FORCE® 750 4x4i EPS CAMO Gear Change Mechanism Diagram

#

Description
Price

11060

GASKET,14X20X2

11060-1287

$3.50

11060A

GASKET,CHANGE LEVER COVER

11060-1956

$6.12

13070

GUIDE

13070-1352

$4.96

13151

SWITCH-COMP,NEUTRAL

13151-1080

$10.38

13236

LEVER-COMP,CHANGE

13236-0051

$25.91

13236A

LEVER-COMP,CHANGE LEVER

13236-1343

$24.12

14041

COVER-COMP,CHANGE LEVER

14041-1136

$39.68

39112

RODEND-TIE,CHANGE LEVER

39112-0018

$71.28

49047

ROD-SHIFT

49047-1104

$110.27

92015

NUT,8MM

92015-1432

$6.57

92049

SEAL-OIL,TB12205.5

92049-1271

$9.28

92065

GASKET,10.5X16X1

92065-058

$3.96

92145

SPRING,CHANGE POSITION

92145-1297

$2.39

92145A

SPRING,CHANGE LEVER

92145-1299

$21.49

92151

BOLT,CHANGE POSITION

92151-1687

$14.71

92151A

BOLT,SHIFT ROD

92151-1699

$18.37

130

BOLT-FLANGED,6X20

130CA0620

$1.70

132

BOLT-FLANGED-SMALL,6X30

132BA0630

$2.65

600

BALL-STEEL,5/16

600A1000

$0.73