Partiron

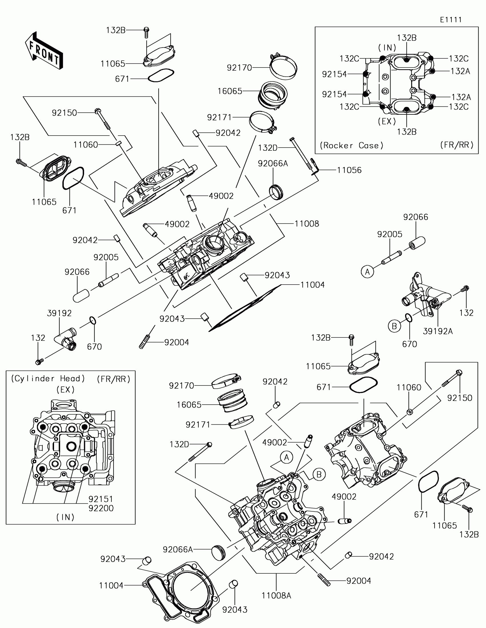
Kawasaki BRUTE FORCE® 750 4x4i EPS CAMO Cylinder Head Diagram

#

Description
Price

11004

GASKET-HEAD

11004-0011

$29.14

11008

HEAD-COMP-CYLINDER,FR

11008-0794

$991.15

11008A

HEAD-COMP-CYLINDER,RR

11008-0795

$991.15

11056

BRACKET

11056-1255

$4.41

11060

GASKET,6.2X12X0.3

11060-1994

$2.39

11065

CAP,ROCKER CASE

11065-0724

$14.18

16065

HOLDER-CARBURETOR

16065-0113

$14.62

39192

PIPE-WATER,FR

39192-0119

$36.44

39192A

PIPE-WATER,RR

39192-0120

$84.91

49002

GUIDE-VALVE

49002-0706

$28.86

92004

STUD,8X22

92004-1217

$5.65

92005

FITTING

92005-1264

$7.56

92042

PIN,DOWEL,6.3X8X14

92042-007

$5.70

92043

PIN,10.1X12X14

92043-4009

$6.22

92066

PLUG

92066-0713

$3.62

92066A

PLUG

92066-1289

$14.36

92150

BOLT,6X55

92150-1302

$6.34

92151

BOLT,FLANGED,10X150

92151-1917

$20.09

92154

BOLT,FLANGED,6X130

92154-0993

$4.41

92170

CLAMP

92170-1448

$8.10

92171

CLAMP

92171-0722

$15.20

92200

WASHER,11.5X20.5X1.6

92200-1128

$5.52

132

BOLT-FLANGED-SMALL,6X12

132BA0612

$1.20

132A

BOLT-FLANGED-SMALL,6X20

132BA0620

$2.49

132B

BOLT-FLANGED-SMALL,6X25

132BA0625

$2.80

132C

BOLT-FLANGED-SMALL,6X30

132BA0630

$2.65

132D

BOLT-FLANGED-SMALL,6X95

132BA0695

$2.49

670

O RING,16MM

670B2016

$1.36

671

O RING,55MM

671D2555

$3.65