Partiron

Kawasaki BRUTE FORCE® 650 4x4i Optional Parts Diagram

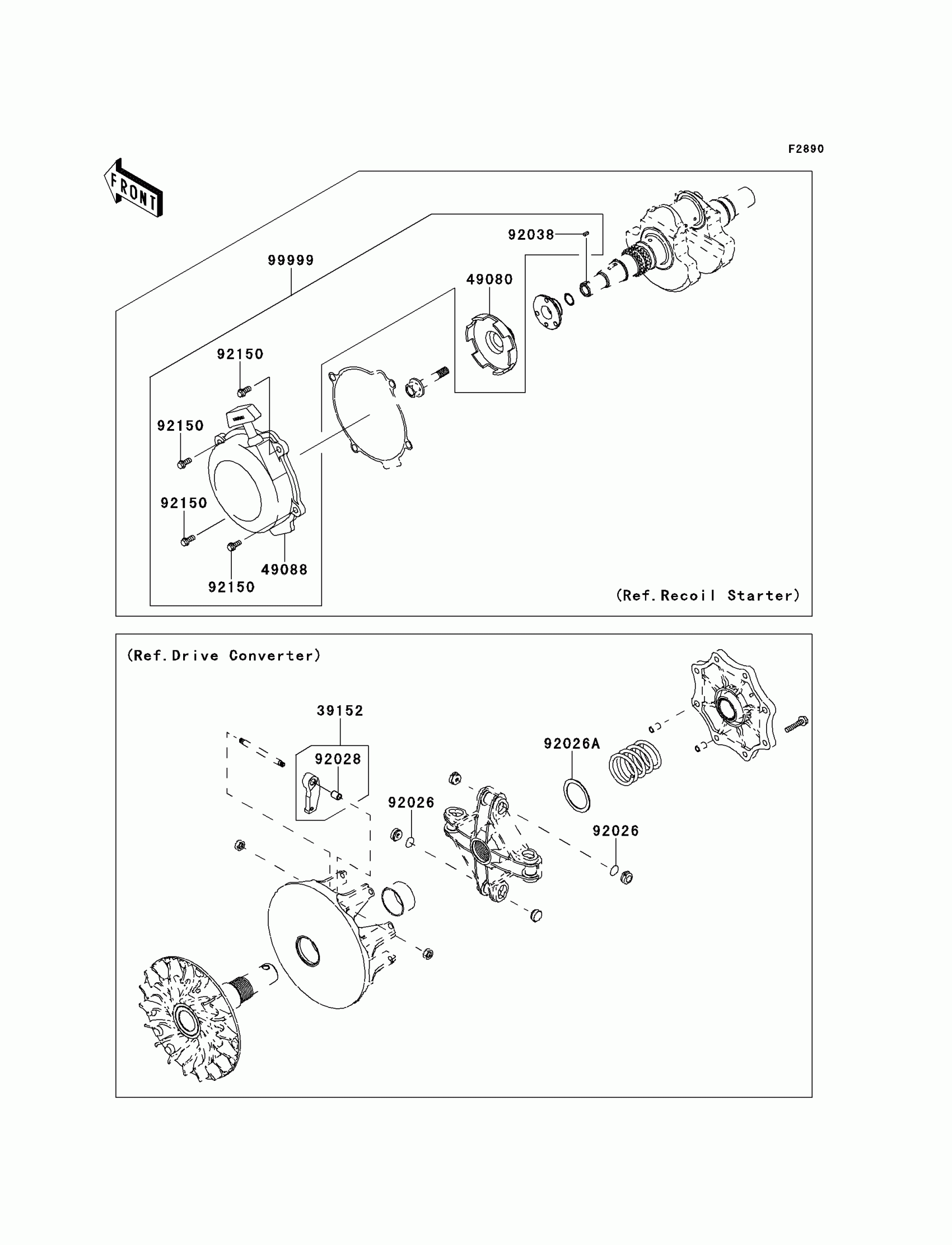
#

Description
Price

39152

WEIGHT-RAMP

39152-1088

$58.76

49080

PULLEY-STARTING

49080-1057

$70.72

49088

STARTER-RECOIL

49088-1056

$342.63

92026

SPACER,T=0.1

92026-0038

$5.07

92026A

SPACER,39X49.5X1.0

92026-1603

$7.63

92028

BUSHING

92028-1973

$4.81

92038

KEY,SUNK

92038-1051

$5.73

92150

BOLT,6X14

92150-1916

$3.32

99999

KIT.,RECOIL STARTER

99999-0244

$381.76