- Partiron
- OEM Parts
- Kawasaki
- atv
- 2010
- Brute Force 650 4x4i Hardwoods Green HD (Canada Only)
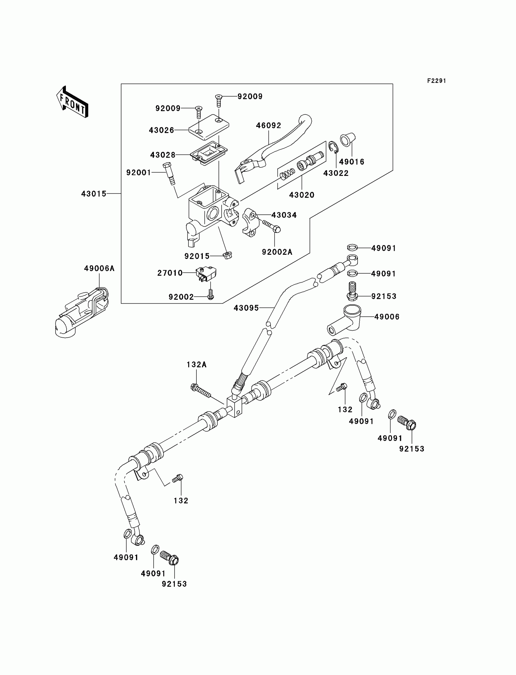
Front Master Cylinder
Kawasaki Brute Force 650 4x4i Hardwoods Green HD (Canada Only) Front Master Cylinder Diagram
#
Description
Price
Edit ride
