Partiron

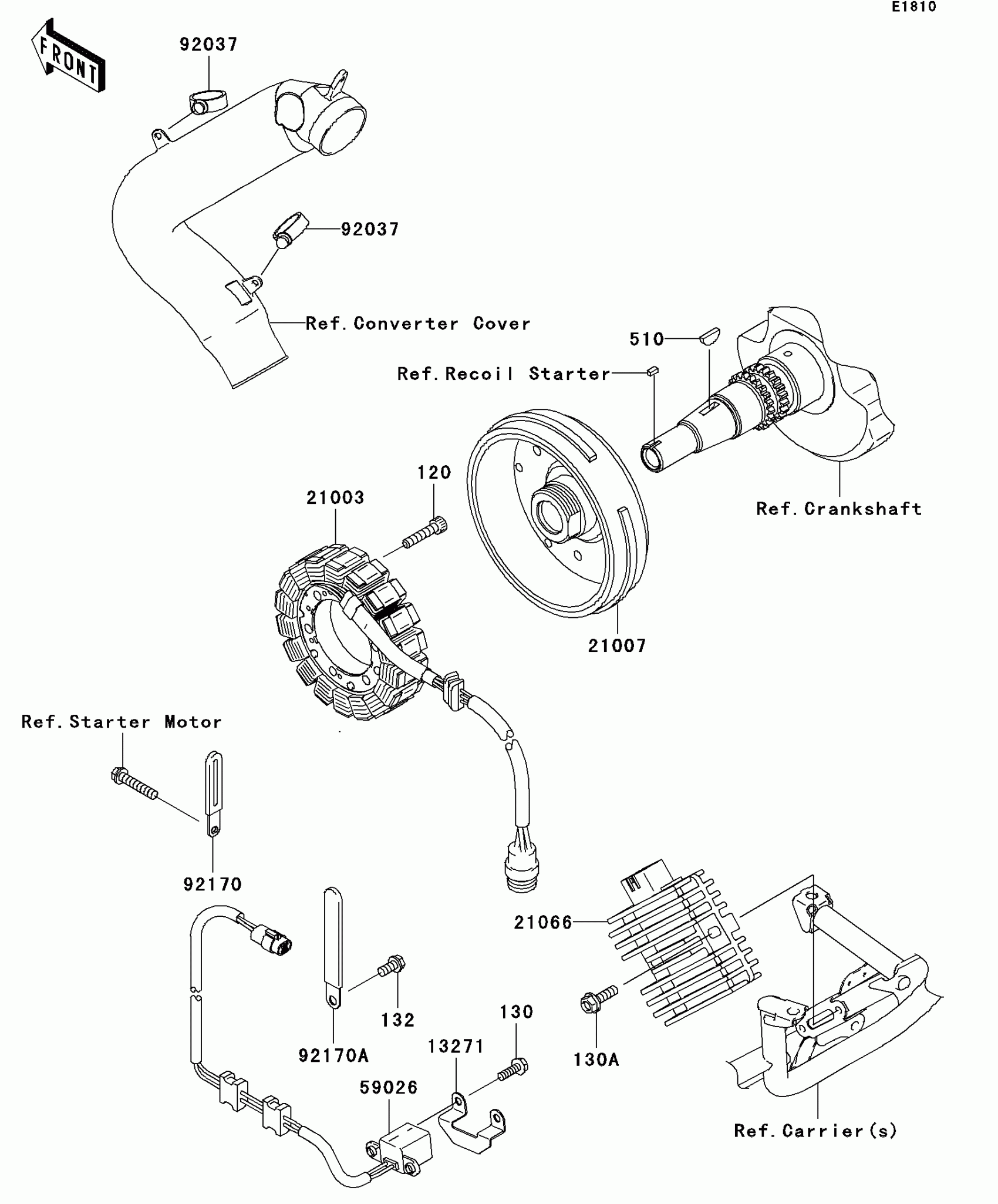
Kawasaki Brute Force® 650 4x4i Generator Diagram

#

Description
Price

120

BOLT-SOCKET,6X28

120P0628

$4.65

130

BOLT-FLANGED

130G0516

$0.85

130A

BOLT-FLANGED

130J0620

$0.43

132

BOLT-FLANGED-SMALL,6X12

132Y0612

$1.92

13271

PLATE

13271-1369

$2.93

21003

STATOR

21003-0012

$562.59

21007

ROTOR

21007-0013

$600.15

21066

REGULATOR-VOLTAGE

21066-1127

Unavailable

510

KEY-WOODRUFF

510A4200

$2.96

59026

COIL-PULSING

59026-0005

$108.09

92037

CLAMP,HOSE

92037-1827

$7.45

92170

CLAMP

92170-1514

$4.31

92170A

CLAMP

92170-1925

$2.40