Partiron

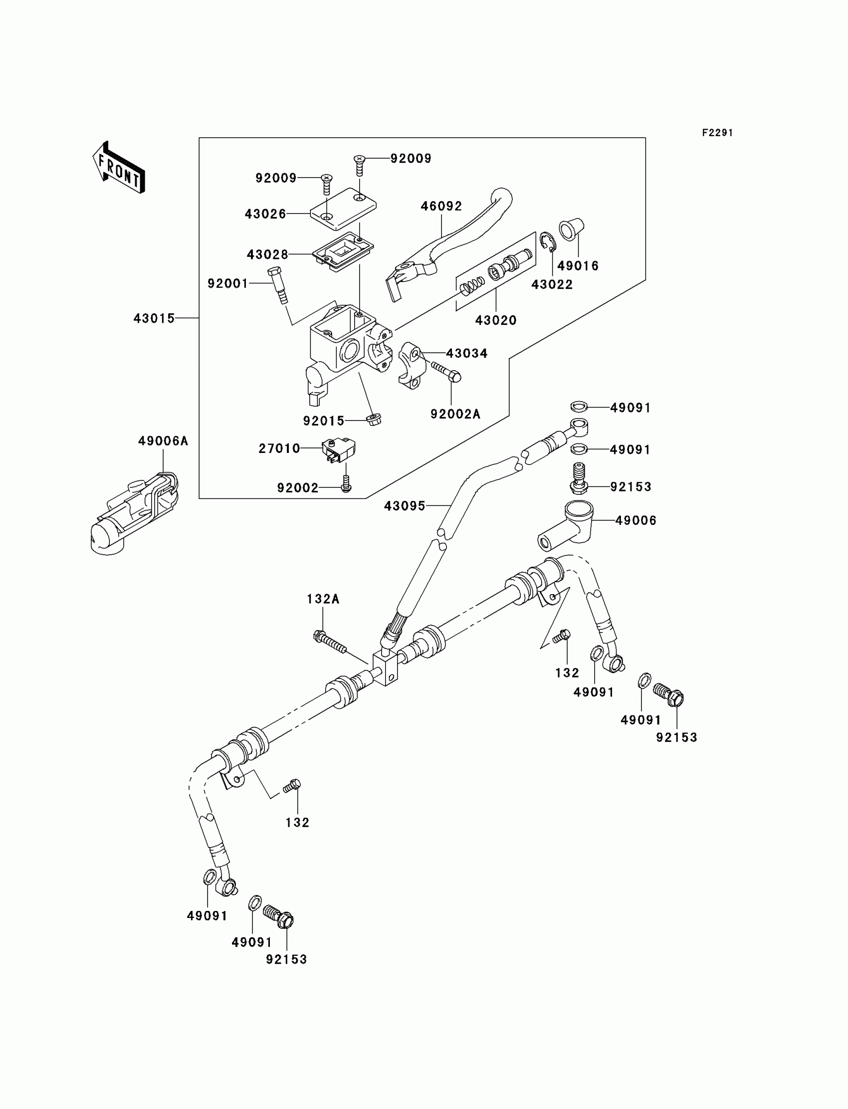
Kawasaki Brute Force 650 4x4i (Canada Only) Front Master Cylinder Diagram

#

Description
Price

132

BOLT-FLANGED-SMALL,5X12

132BB0512

$3.67

132A

BOLT-FLANGED-SMALL,6X30

132BB0630

$4.12

27010

SWITCH,BRAKE

27010-0025

$35.04

43015

CYLINDER-ASSY-MASTER,FR

43015-0036

$405.89

43020

PISTON-COMP-BRAKE,FR

43020-1054

$65.22

43022

STOPPER-BRAKE,PISTON

43022-1010

$4.65

43026

CAP-BRAKE

43026-1074

$25.59

43028

DIAPHRAGM

43028-1061

$16.18

43034

HOLDER-BRAKE,MASTER CYLINDER

43034-1016

$19.45

43095

HOSE-BRAKE,FR

43095-0078

$168.93

46092

LEVER-GRIP,FRONT BRAKE

46092-1208

$21.51

49006

BOOT,DUST

49006-1040

$11.49

49006A

BOOT

49006-1338

$10.39

49016

COVER-SEAL,MASTER CYLINDER

49016-1044

$8.68

49091

WASHER-SEAL,10.1X14.5X1.5

49091-0001

$2.15

92001

BOLT,FRONT BRAKE LEVER

92001-1728

$14.23

92002

BOLT,SCREW,4X12

92002-1323

$3.92

92002A

BOLT

92002-1894

$5.52

92009

SCREW,4MM

92009-1458

$3.21

92015

NUT,FLANGED,6MM,BLACK

92015-1233

$5.52

92153

BOLT,OIL,L=23

92153-0627

$5.48