Partiron

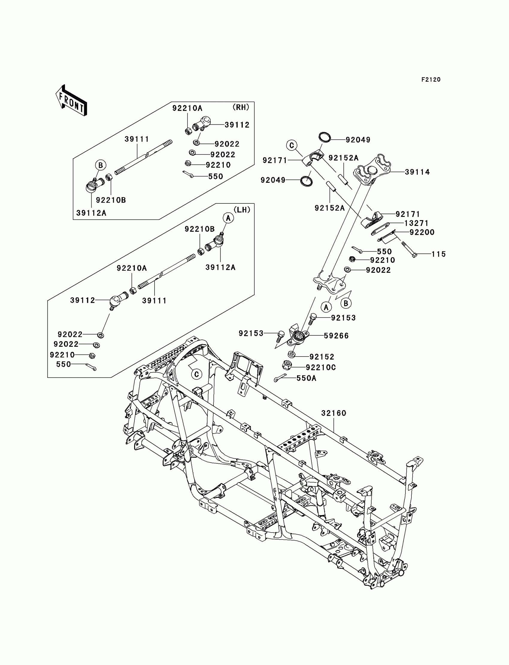
Kawasaki Brute Force 650 4x4i (Canada Only) Frame Diagram

#

Description
Price

115

BOLT-SMALL-UPSET,8X55

115CB0855

$3.53

550

PIN-COTTER,2.0X15

550AA2015

$1.12

550A

PIN-COTTER,3.0X25

550AA3025

$0.62

13271

PLATE,STEERING,CLAMP

13271-7506

$1.94

32160

FRAME-COMP

32160-0227

Unavailable

39111

ROD-TIE

39111-0023

$18.09

39112

RODEND-TIE,RIGHT HANDED

39112-0009

$38.97

39112A

RODEND-TIE,LEFT HANDED

39112-0010

$38.97

39114

SHAFT-COMP-STRG

39114-0006

$230.06

59266

JOINT-BALL

59266-1125

$156.46

92022

WASHER,10.2X20X1.5

92022-3742

$4.18

92049

SEAL-OIL,SR31.8X37.5X3.8LR

92049-7501

$5.00

92152

COLLAR,12X21.3X7

92152-1351

$12.83

92152A

COLLAR,9.1X13.95X42

92152-7501

$7.65

92153

BOLT,8X30

92153-1065

$2.93

92171

CLAMP,STEERING

92171-7501

$7.65

92200

WASHER,STEERING CLAMP

92200-0384

$5.92

92210

NUT,LOCK,10MM

92210-1184

$6.11

92210A

NUT,RIGHT HANDED

92210-1385

$6.21

92210B

NUT,LEFT HANDED

92210-1386

$6.21

92210C

NUT,12MM

92210-7501

$3.73