Kawasaki Brute Force 650 4x4 Hardwoods Green HD Generator Diagram
#
Description
Price
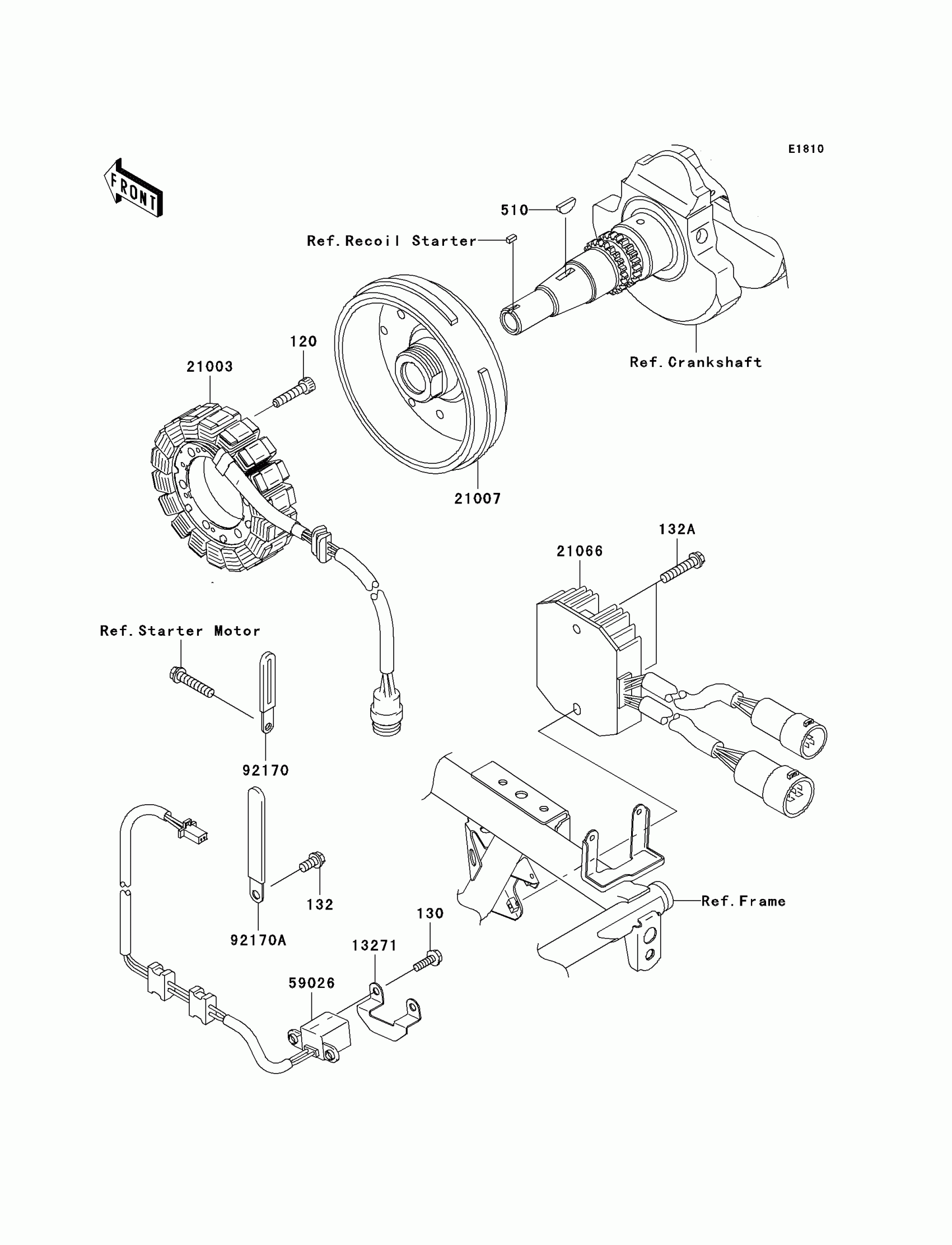
21003
STATOR
21003-1359
Unavailable
21066
REGULATOR-VOLTAGE
21066-1112
Unavailable
#
21003
21003-1359
Unavailable
21066
21066-1112
Unavailable
Edit ride
