- Partiron
- OEM Parts
- Yamaha
- snowmobile
- 1995
- BR250TV (BRAVO LT) 1995
GENERATOR
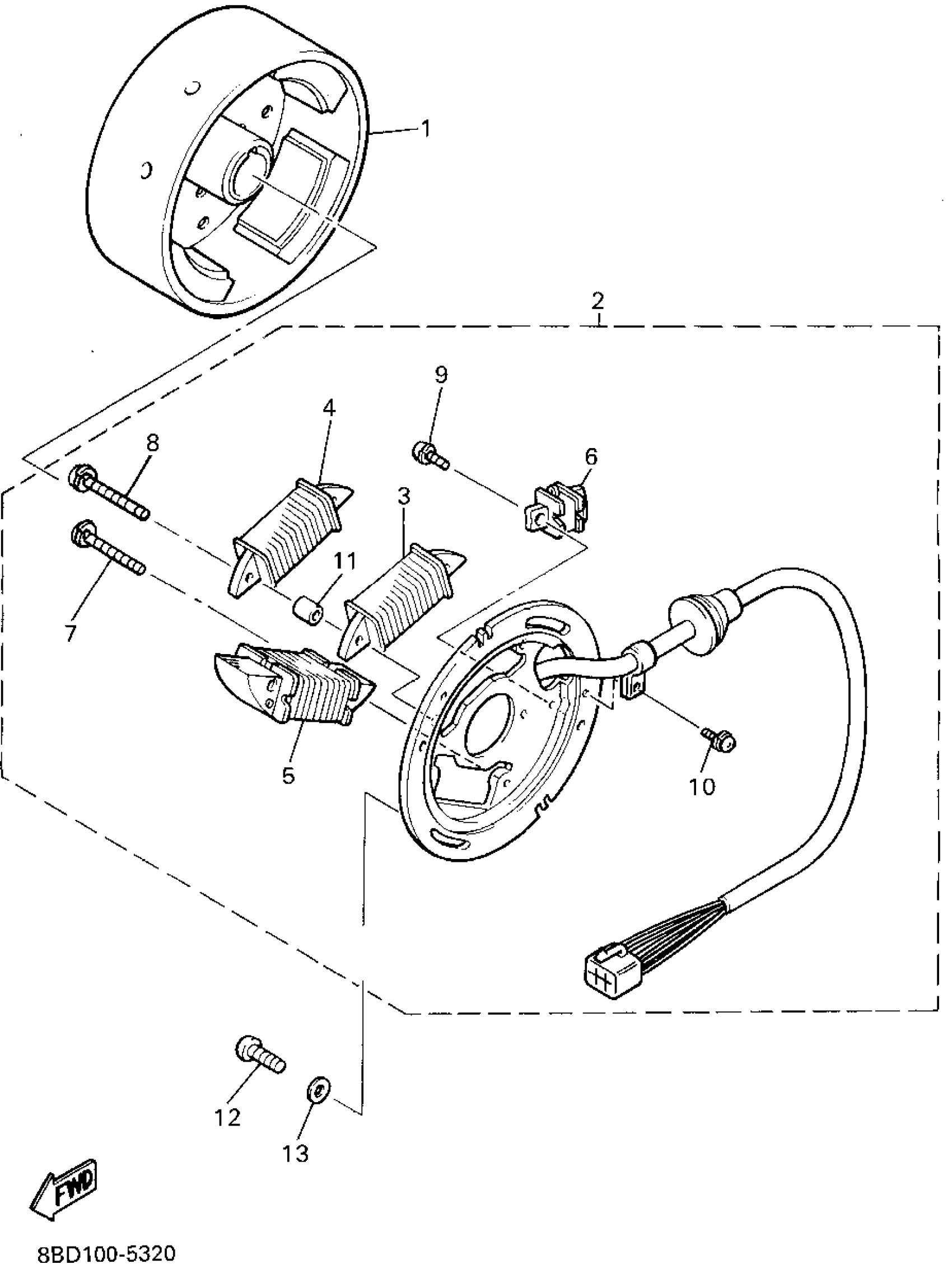
Yamaha BR250TV (BRAVO LT) 1995 GENERATOR Diagram
#
Description
Price
3
COIL, CHARGE
81L-85520-M0-00
Unavailable
4
COIL, LIGHTING 2
81L-81314-M0-00
Unavailable
5
COIL, LIGHTING 1
82H-81313-M0-00
Unavailable
6
PULSER ASSY
8R4-85580-M0-00
Unavailable
