- Partiron
- OEM Parts
- Yamaha
- snowmobile
- 1995
- BR250TV (BRAVO LT) 1995
AIR SHROUD FAN
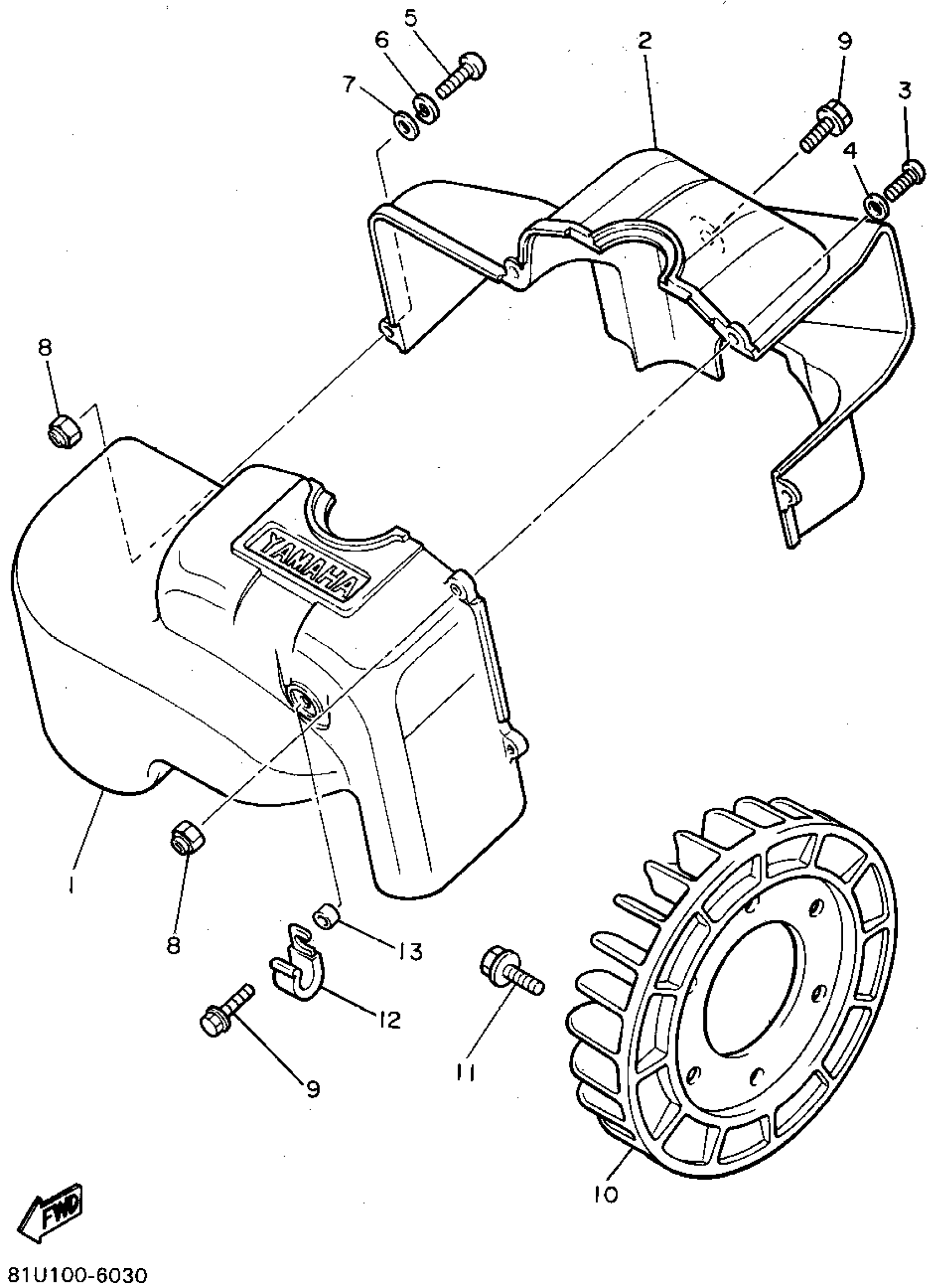
Yamaha BR250TV (BRAVO LT) 1995 AIR SHROUD FAN Diagram
#
Description
Price
1
AIR SHROUD, CYLINDER 1
8R4-12651-03-00
Unavailable
2
AIR SHROUD, CYLINDER 2
8R4-12652-02-00
Unavailable
10
FAN
8G8-12611-01-00
Unavailable
13
COLLAR
90387-06704-00
Unavailable
