Partiron

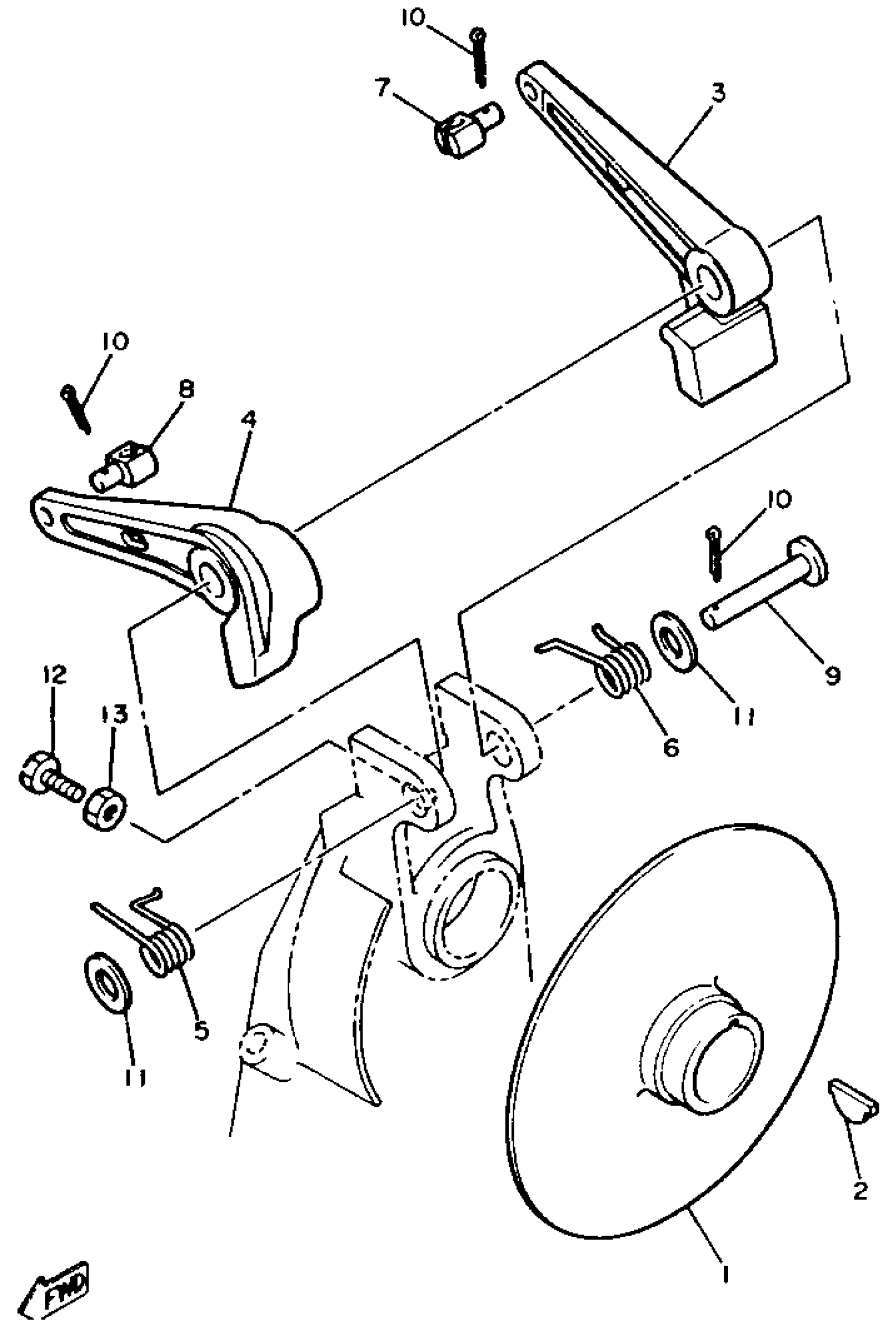
Yamaha BR250TU (BRAVO LT) 1994 BRAKE Diagram

#

Description
Price

1

DISC, BRAKE

8R4-25711-00-00

Unavailable

2

KEY

8J7-25848-00-00

$15.99

3

CALIPER BODY COMP.1

8BC-25730-00-00

Unavailable

4

CALIPER BODY COMP. 2

8BC-25740-00-00

Unavailable

5

SPRING, TORSION (8V7)

90508-29601-00

Unavailable

6

SPRING, TORSION (8V7)

90508-29602-00

Unavailable

7

PIN (810)

90249-06012-00

Unavailable

8

PIN

90249-06009-00

Unavailable

9

PIN, W/ HOLE (8J2)

90240-08068-00

Unavailable

10

PIN, COTTER

91490-20025-00

$1.99

11

.. WASHER, PLATE

92990-08600-00

Unavailable

12

BOLT, HEXAGON

97017-06025-00

$4.24

13

NUT(650)

95380-06700-00

$8.49