#
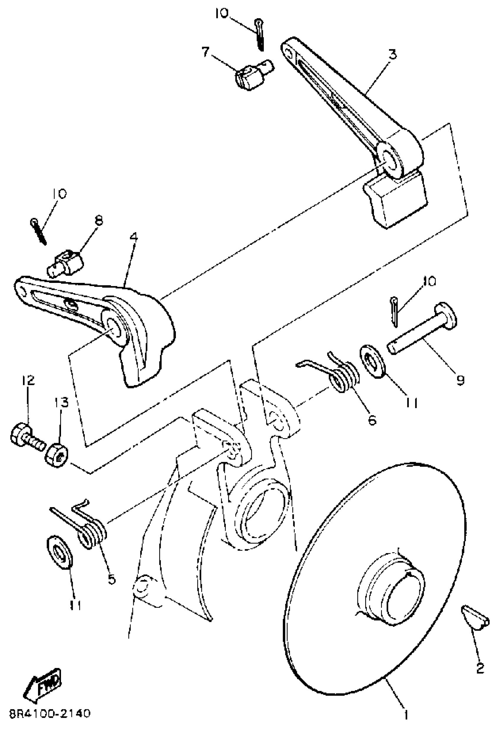
1
8R4-25711-00-00
Unavailable
3
8BC-25730-00-00
Unavailable
4
8BC-25740-00-00
Unavailable
5
90508-29601-00
Unavailable
6
90508-29602-00
Unavailable
7
90249-06012-00
Unavailable
8
90249-06009-00
Unavailable
9
90240-08068-00
Unavailable
11
92990-08600-00
Unavailable
Edit ride
