Yamaha BR250TR (BRAVO LT (LONG TRACK)) 1991 CARBURETOR Diagram
#
Description
Price
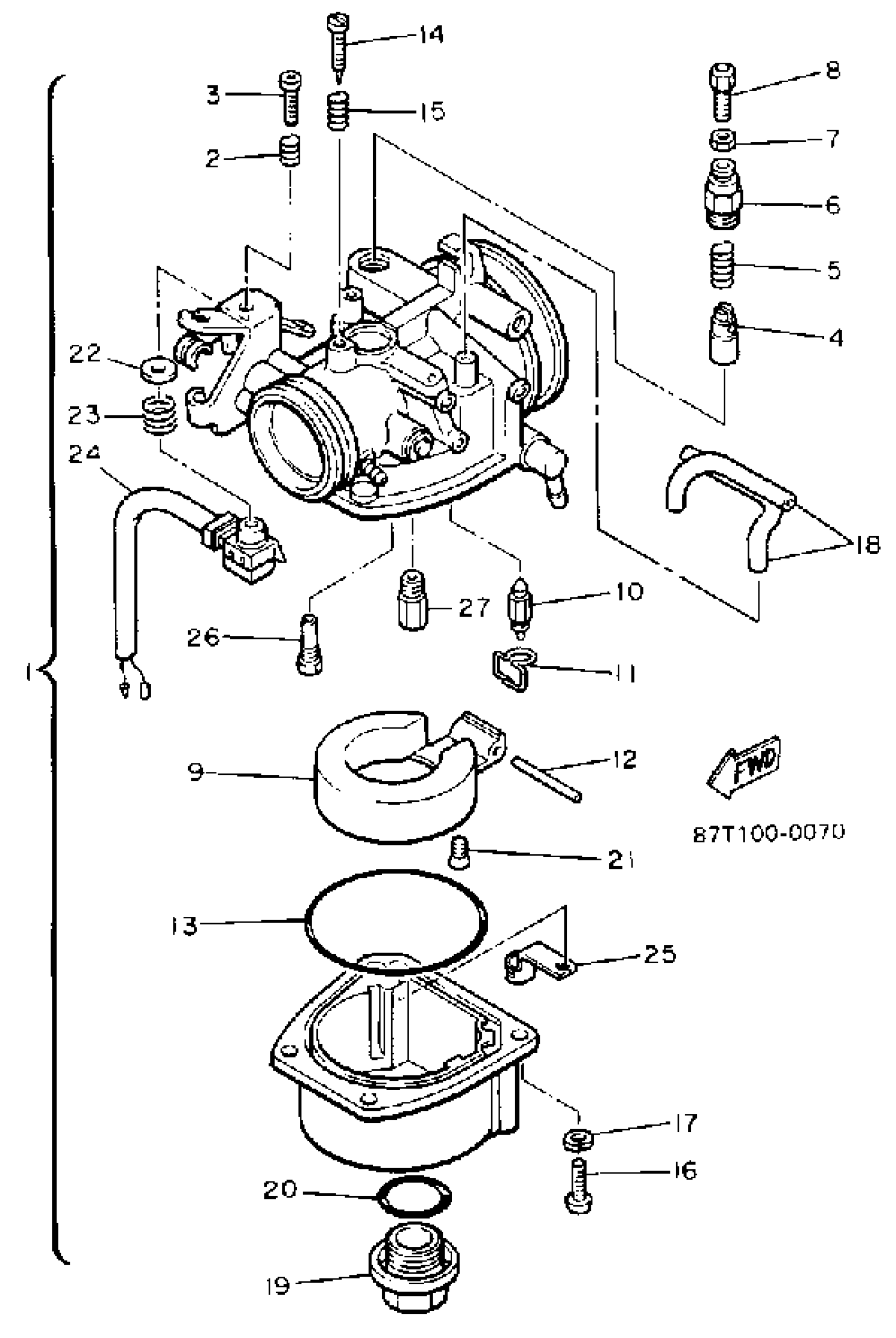
2
SPRING, THROTTLE VALVE
80F-14131-00-00
Unavailable
3
SCREW, THROTTLE STOP
80F-14121-00-00
Unavailable
7
. NUT, CABLE ADJUSTING
8E7-14161-00-00
Unavailable
12
. PIN, FLOAT ARM
663-14548-00-00
Unavailable
14
SCREW, ADJUST
8G6-14521-00-00
Unavailable
16
SCREW, PAN HEAD(GA5)
98580-04014-00
Unavailable
17
YBS67-4 WASHER, SPRING
92990-04100-00
Unavailable
18
. PIPE
8R4-14994-00-00
Unavailable
19
. ROD
8M7-14992-00-00
Unavailable
20
O-RING (8A6)
93210-19309-00
Unavailable
21
SCREW, FLAT
98707-04008-00
Unavailable
22
PLATE
80F-14146-00-00
Unavailable
23
. SPRING, THROTTLE STOP
80F-14133-00-00
Unavailable
24
SWITCH, CARBURETOR
87S-8259A-01-00
Unavailable
25
CLIP
80F-14137-01-00
Unavailable
26
JET, SLOW (#78)
8G6-14948-18-00
Unavailable
27
. JET, MAIN (#98)
8A6-14515-98-00
Unavailable
27
. JET, MAIN (#100)
8A6-14516-00-00
Unavailable
27
. JET, MAIN (#102)
8A6-14516-02-00
Unavailable
27
JET, MAIN (#105)
8A6-14516-05-00
Unavailable
