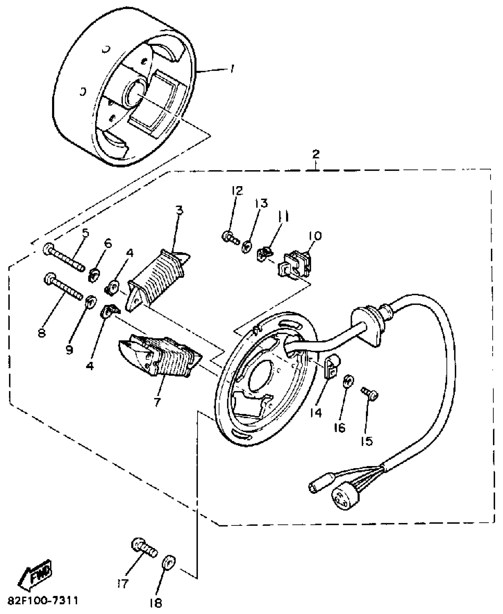
Yamaha BR250TN (BRAVO T (LONG TRACK)) 1989 GENERATOR Diagram
#
Description
Price
1
. ROTOR ASSEMBLY
8AE-85550-00-00
Unavailable
2
BASE ASSEMBLY
8AE-85560-00-00
Unavailable
4
. TERMINAL, EARTH 2
8R4-85569-M0-00
Unavailable
5
SCREW, PAN HEAD(6B0)
97885-05016-00
Unavailable
7
. COIL, LIGHTING 1
8R4-81313-M0-00
Unavailable
10
PULSER ASSY
8R4-85580-M0-00
Unavailable
11
. TERMINAL, EARTH 1
8R4-85568-M0-00
Unavailable
12
SCREW, PAN HEAD
98511-04012-00
Unavailable
14
CLAMP (2T4)
90461-05036-00
Unavailable
17
SCREW, BIND (705)
98980-06016-00
Unavailable
18
WASHER, PLATE 6261117600
90201-06043-00
Unavailable
