- Partiron
- OEM Parts
- Yamaha
- snowmobile
- 1988
- BR250TM (BRAVO T (LONG TRACK)) 1988
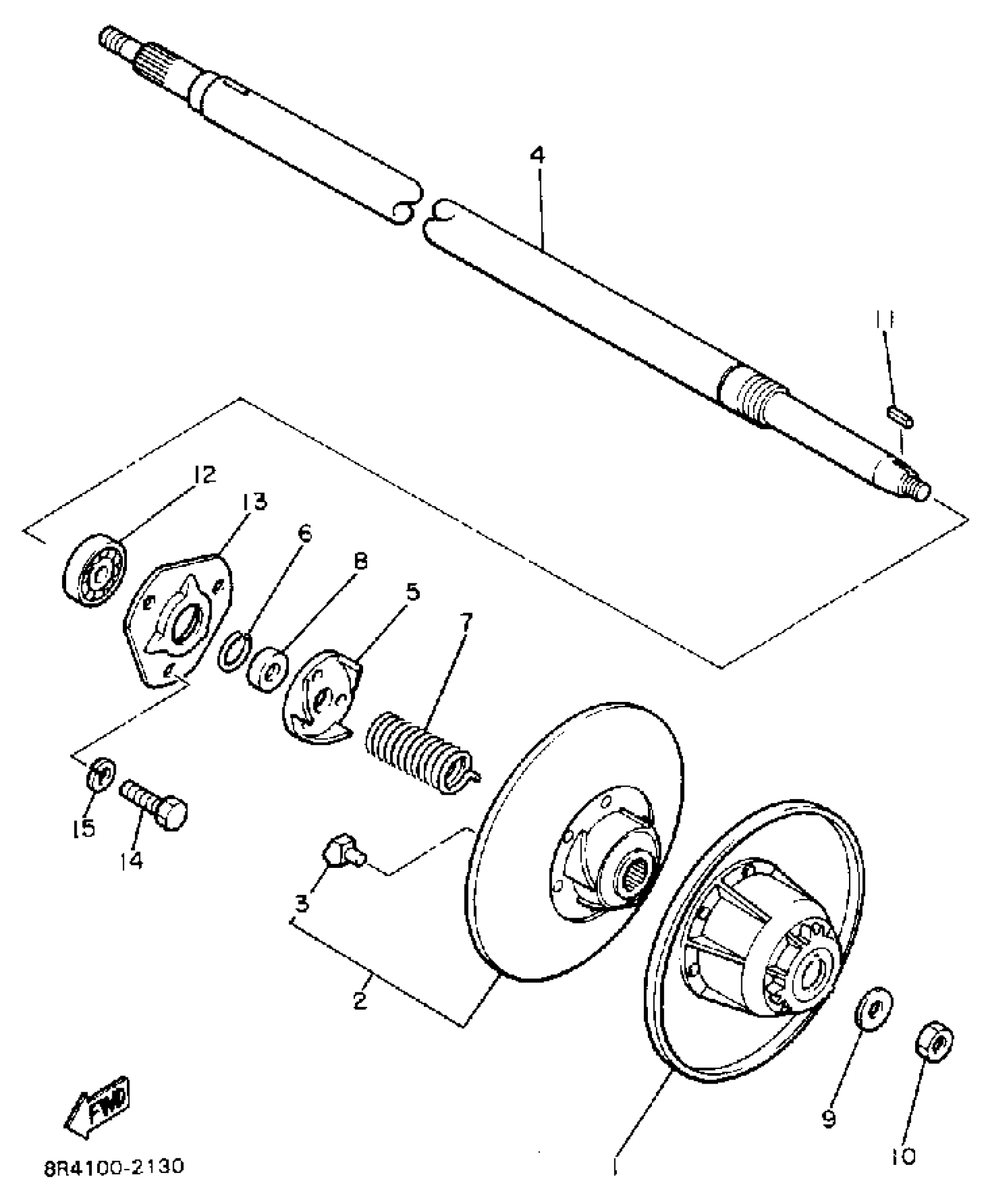
SECONDARY SHEAVE
Yamaha BR250TM (BRAVO T (LONG TRACK)) 1988 SECONDARY SHEAVE Diagram
#
Description
Price
1
SECONDARY FIXED SHEAVE COMP.
8R4-17660-00-00
Unavailable
2
SECONDARY SLIDING SHEAVE
8R4-17670-01-00
Unavailable
4
SHAFT, SECONDARY
8R4-17681-00-00
Unavailable
5
SEAT, SECONDARY SPRING
8R4-17684-00-00
Unavailable
6
CIRCLIP (8R4)
93440-25100-00
Unavailable
8
COLLAR
90387-260F5-00
Unavailable
12
BEARING
93306-20509-00
Unavailable
13
HOUSING, BEARING
8R4-47631-00-00
Unavailable
