- Partiron
- OEM Parts
- Yamaha
- snowmobile
- 2000
- BR250TD (BRAVO LT) 8BD7 2000
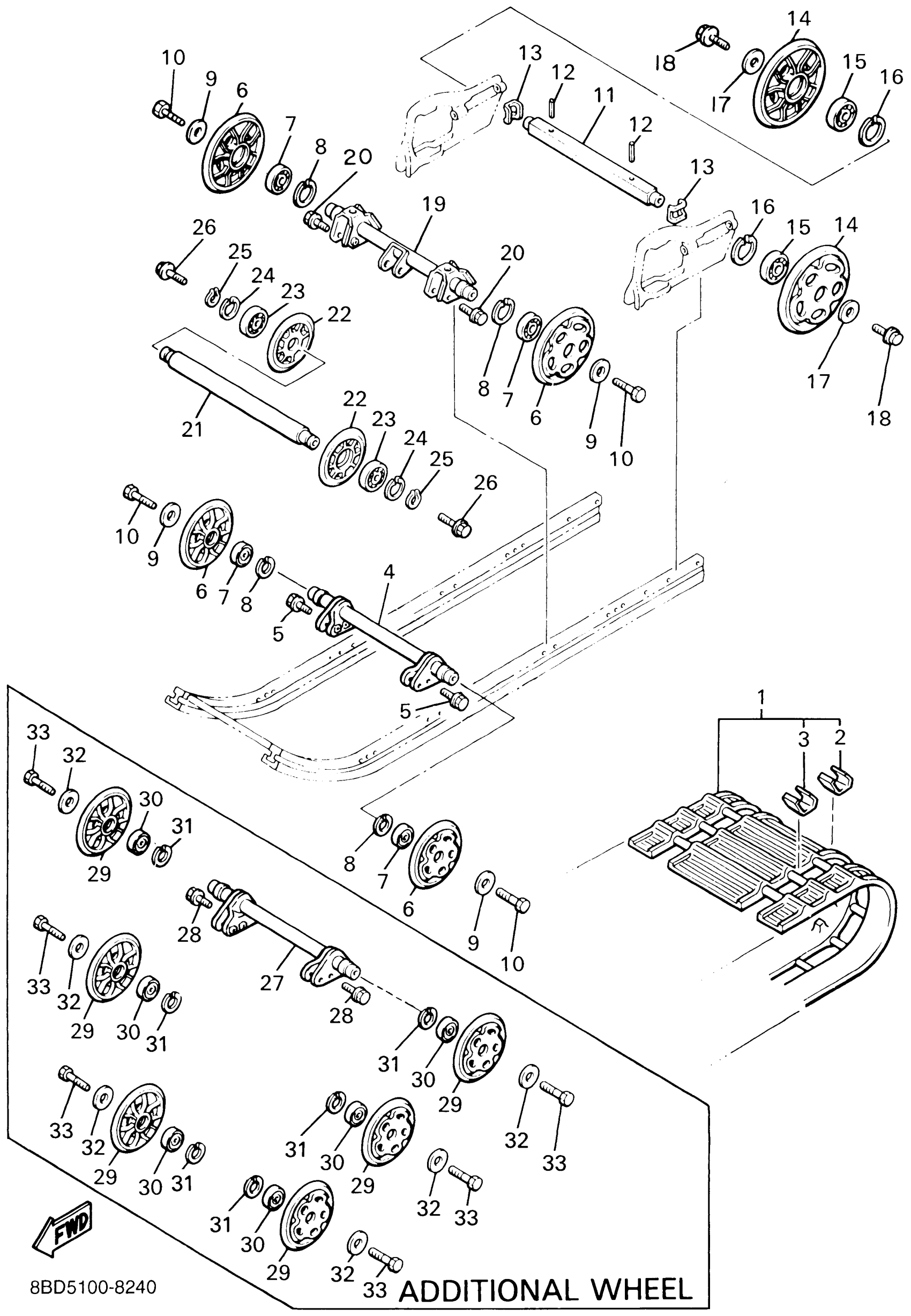
TRACK SUSPENSION 1
Yamaha BR250TD (BRAVO LT) 8BD7 2000 TRACK SUSPENSION 1 Diagram
#
Description
Price
1
TRACK ASY
8BH-47110-00-00
Unavailable
4
BAR, SUSPENSION
8T9-47451-00-00
Unavailable
11
AXLE, REAR
8E3-47521-00-00
Unavailable
12
PIN, SPRING (663)
91690-40040-00
Unavailable
13
WASHER
8E3-47384-00-00
Unavailable
16
CIRCLIP(48Y)
99009-47500-00
Unavailable
17
WASHER, PLATE (8M2)
90201-083A8-00
Unavailable
18
BOLT, FLANGE(8AB)
95817-08020-00
Unavailable
19
BAR, SUSPENSION
8V5-47451-00-00
Unavailable
20
BOLT, WITH WASHER
90119-08008-00
Unavailable
21
IDLER
8L1-47461-00-00
Unavailable
22
SUSPENSION WHEEL COMP.
8H8-47320-00-00
Unavailable
25
CIRCLIP(1AR)
99009-20400-00
Unavailable
26
BOLT, FLANGE(8AB)
95817-08020-00
Unavailable
27
BAR, SUSPENSION
8T9-47451-00-00
Unavailable
