- Partiron
- OEM Parts
- Yamaha
- snowmobile
- 1987
- BR250L (BRAVO) 1987
PUMP DRIVE - GEAR
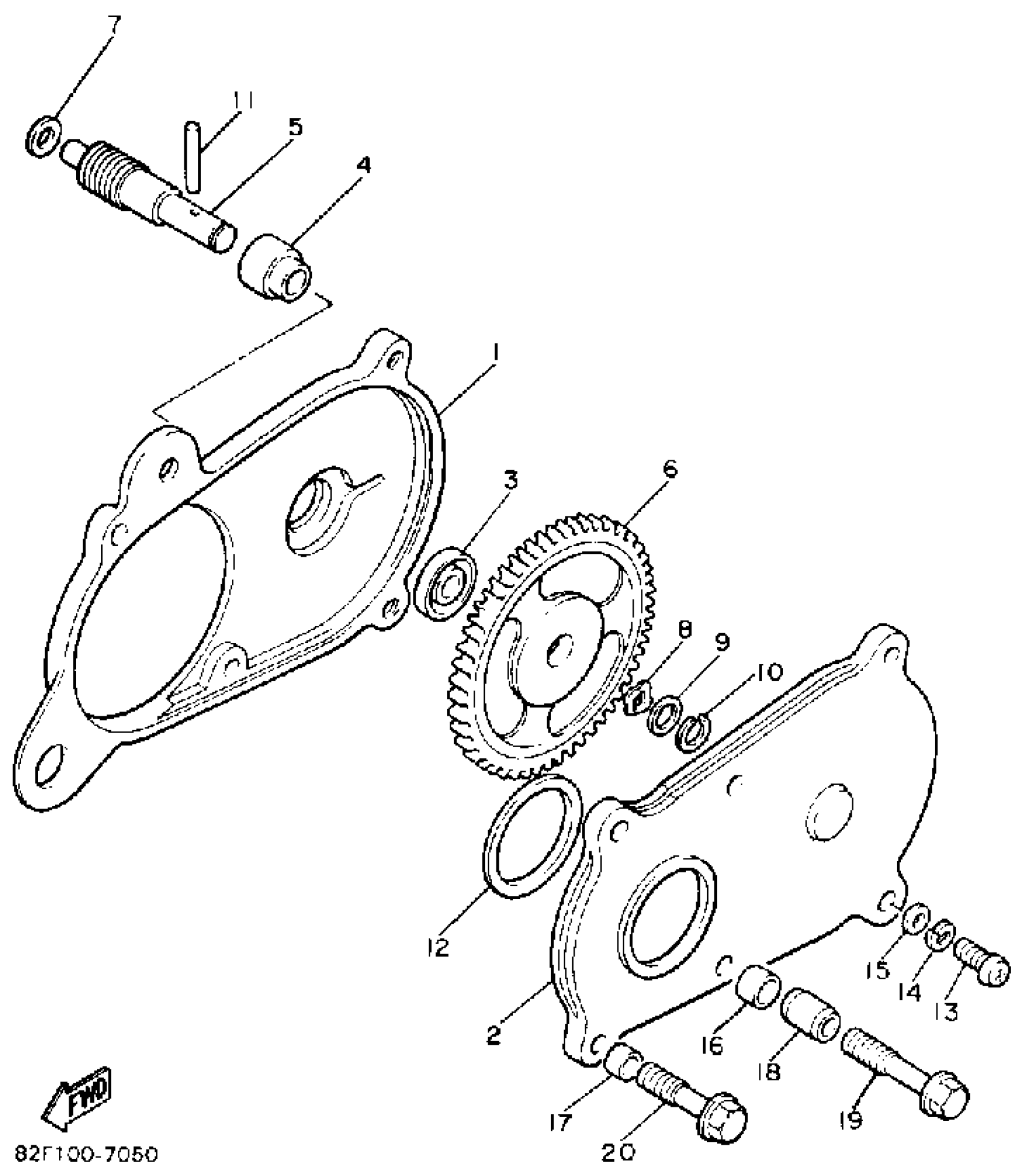
Yamaha BR250L (BRAVO) 1987 PUMP DRIVE - GEAR Diagram
#
Description
Price
1
COVER, OIL PUMP
8R4-15416-00-00
Unavailable
2
COVER, OIL PUMP 2
8R4-15426-00-00
Unavailable
5
SHAFT, WORM
8R4-13175-00-00
Unavailable
6
GEAR, DRIVE (59T)
8R4-13188-00-00
Unavailable
7
PLATE, CAM THRUST
137-13148-00-00
Unavailable
8
WASHER, WAVE (137)
90206-11016-00
Unavailable
9
WASHER, PLATE (1E7)
90201-08624-00
Unavailable
14
WASHER, SPRING
92995-06100-00
Unavailable
16
COLLAR(8R4)
90387-082N1-00
Unavailable
17
COLLAR(8R4)
90387-062N2-00
Unavailable
18
PIN, DOWEL
91810-18022-00
Unavailable
19
BOLT, FLANGE
95817-06030-00
Unavailable
20
BOLT, FLANGE
95822-06025-00
Unavailable
