- Partiron
- OEM Parts
- Yamaha
- snowmobile
- 1985
- BR250J (BRAVO) 1985
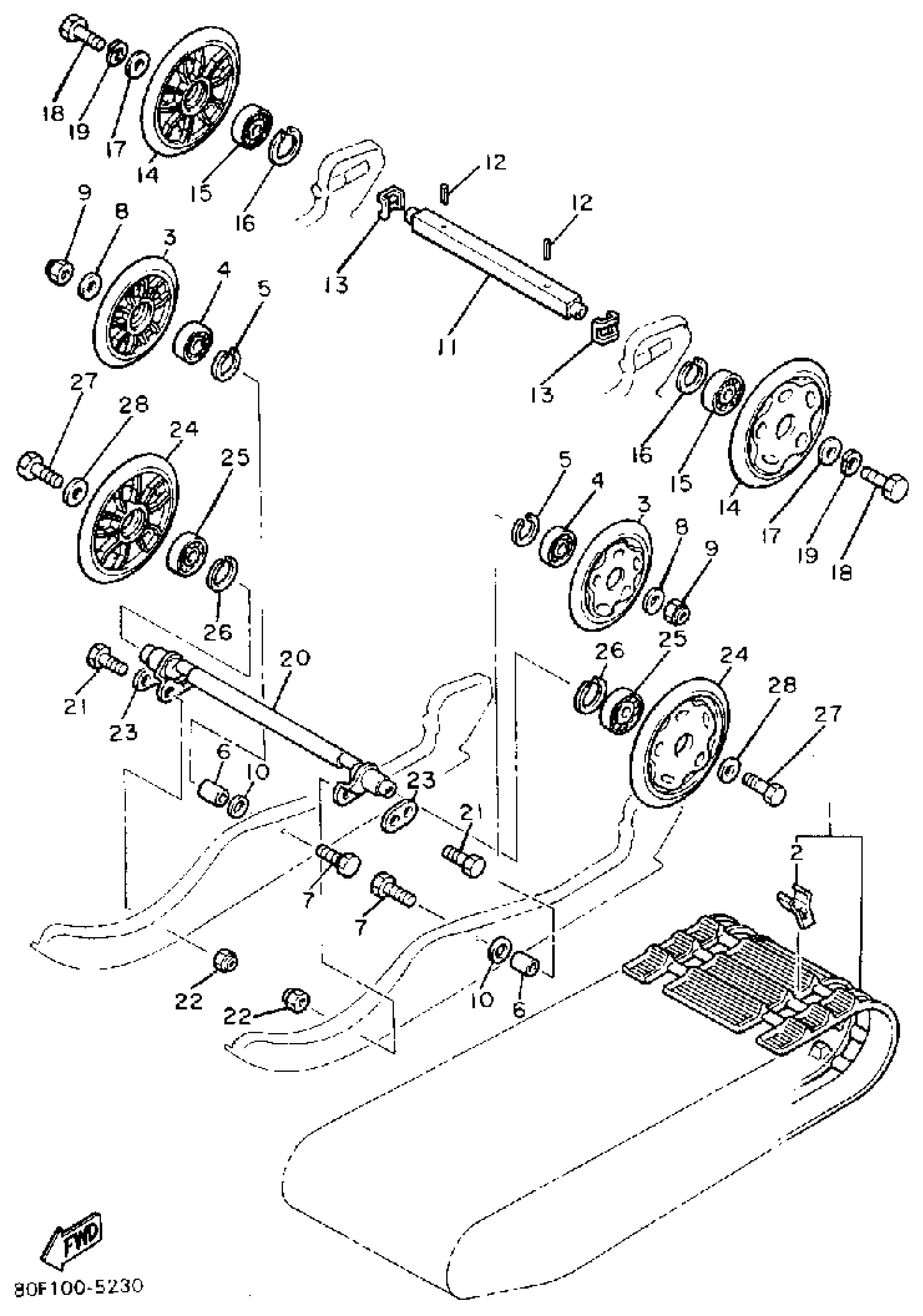
TRACK SUSPENSION 1 BR250J
Yamaha BR250J (BRAVO) 1985 TRACK SUSPENSION 1 BR250J Diagram
#
Description
Price
1
TRACK ASSY
8R4-47110-01-00
Unavailable
2
METAL, SLIDE
8A5-47115-00-00
Unavailable
6
COLLAR
90387-120F6-00
Unavailable
7
BOLT
90101-12539-00
Unavailable
11
AXLE, REAR
8E3-47521-00-00
Unavailable
12
PIN, SPRING (663)
91690-40040-00
Unavailable
13
WASHER
8E3-47384-00-00
Unavailable
16
CIRCLIP(48Y)
99009-47500-00
Unavailable
17
WASHER, PLATE (8M2)
90201-083A8-00
Unavailable
18
BOLT, HEXAGON
97013-08020-00
Unavailable
19
YBS67-8 WASHER, SPRING
92990-08100-00
Unavailable
20
BAR, SUSPENSION
8R4-47451-10-00
Unavailable
21
BOLT, HEXAGON
97013-08030-00
Unavailable
22
NUT, NYLON
95717-08300-00
Unavailable
23
SPACER
8G5-47466-00-00
Unavailable
27
BOLT (8K2)
90109-08559-00
Unavailable
28
WASHER (8G1)
90201-08681-00
Unavailable
