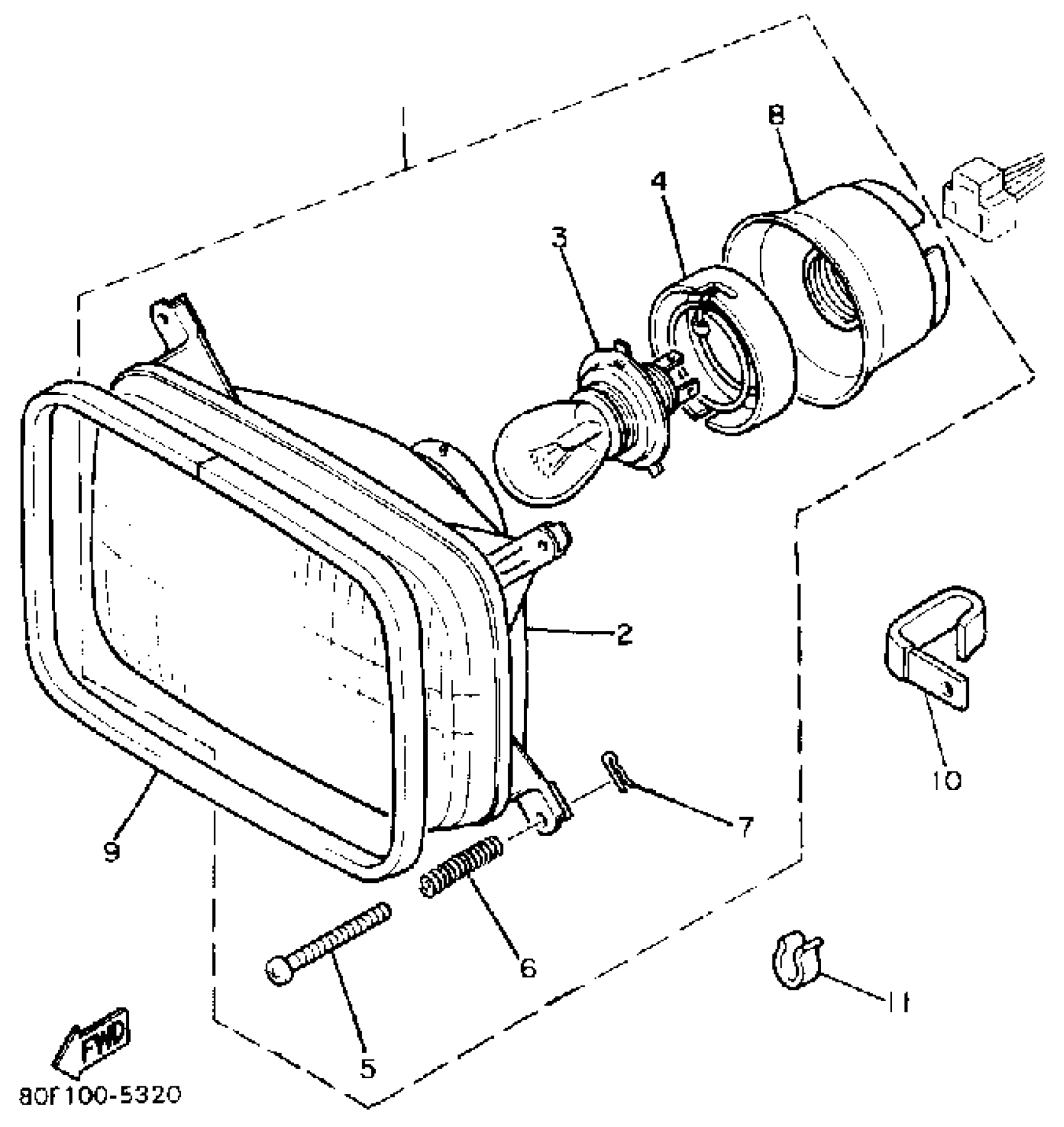
HEADLIGHT
#
1
8A7-84310-81-00
Unavailable
2
8A7-84320-00-00
Unavailable
3
8A7-84314-00-XX
Unavailable
8
8A7-84397-01-00
Unavailable
9
8T7-84366-00-00
Unavailable
10
90465-08028-00
Unavailable
11
(90468-05118-00)
Unavailable
11
90468-05176-00
Unavailable
Edit ride
