Partiron

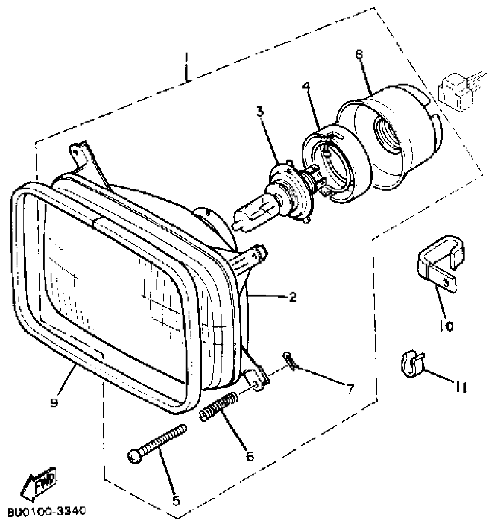
Yamaha BR250H (BRAVO) 1984 HEADLIGHT Diagram

#

Description
Price

1

HEADLIGHT UNIT ASSEMBLY

8A7-84310-81-00

Unavailable

2

LENS ASSY

8A7-84320-00-00

Unavailable

3

BULB,HL 12V60/60W

8A7-84314-00-XX

Unavailable

4

HOLDER, SOCKET

8A7-84312-00-00

$29.99

5

SCREW, ADJUSTING

8M6-84331-00-00

$17.99

6

SPRING, ADJUST SCREW

8A5-84332-00-00

$9.99

7

CLIP

8K4-84374-00-00

$8.49

8

COVER, SOCKET

8A7-84397-01-00

Unavailable

9

DAMPER, HEADLIGHT 1

8T7-84366-00-00

Unavailable

10

CLAMP

90465-08028-00

Unavailable

11

CLIP

(90468-05118-00)

Unavailable