- Partiron
- OEM Parts
- Yamaha
- snowmobile
- 1984
- BR250H (BRAVO) 1984
ELECTRICAL 2
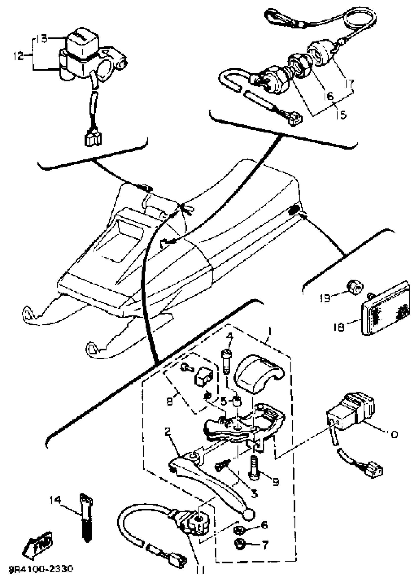
Yamaha BR250H (BRAVO) 1984 ELECTRICAL 2 Diagram
#
Description
Price
1
LEVER HOLDER ASSY (LEFT)
8R4-W8291-02-00
Unavailable
2
LEVER L
803-83912-00-38
Unavailable
3
. SCREW, TAPPING
97780-30312-00
Unavailable
5
COLLAR, LEVER
802-83913-00-00
Unavailable
6
. WASHER, PLAIN
92990-05200-00
Unavailable
8
LEVER LOCK ASSY
8E3-W8393-01-00
Unavailable
9
SCREW, PAN HEAD(41N)
90157-05057-00
Unavailable
12
SWITCH, HANDLE 1
8R4-83976-01-00
Unavailable
15
STOP SWITCH ASSEMBLY
8R4-82550-00-00
Unavailable
16
NUT
8H8-82557-00-00
Unavailable
17
CAP, SWITCH
8H8-82552-09-00
Unavailable
18
REAR REFLECTOR ASSY
3Y6-85130-02-00
Unavailable
