- Partiron
- OEM Parts
- Yamaha
- snowmobile
- 1982
- BR250F 1982
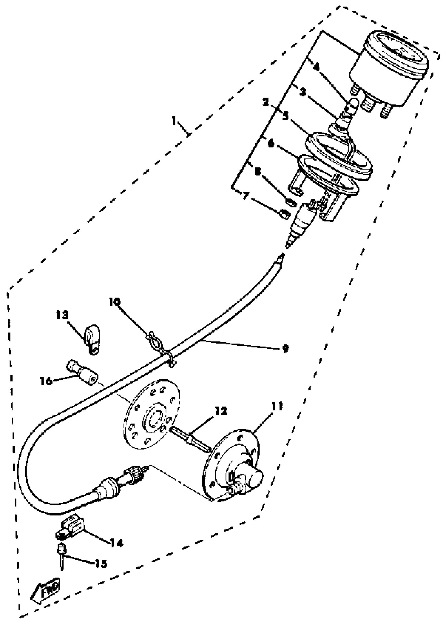
SPEEDOMETER KIT (ALTERNATE PARTS) BR250F - G
Yamaha BR250F 1982 SPEEDOMETER KIT (ALTERNATE PARTS) BR250F - G Diagram
#
Description
Price
1
SPEDO KIT, BR250
80V-W0081-40-00
Unavailable
2
. SPEEDOMETER ASSEMBLY
8N4-83510-40-00
Unavailable
3
SOCKET, METER
(861-83536-40-00)
Unavailable
5
DAMPER, METER
8G6-83523-00-00
Unavailable
6
. BRACKET, METER
8G6-83519-00-00
Unavailable
9
SPEEDOMETER CABLE ASSEMBLY
8K4-83550-00-00
Unavailable
11
. METER GEAR HOUSING
8R4-47700-00-00
Unavailable
13
CLAMP (6A4)
90461-06M01-00
Unavailable
14
CLAMP(83R)
90461-08113-00
Unavailable
15
RIVET, BLIND
90267-48060-00
Unavailable
16
CONNECTOR
8K4-47577-00-00
Unavailable
