- Partiron
- OEM Parts
- Yamaha
- snowmobile
- 1982
- BR250F 1982
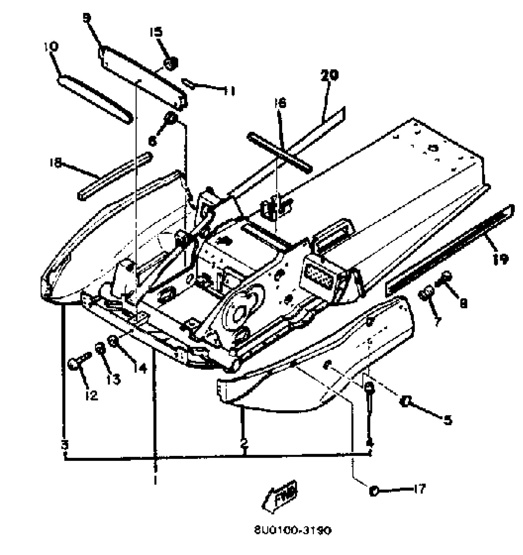
FRAME BR250G
Yamaha BR250F 1982 FRAME BR250G Diagram
#
Description
Price
1
FRAME
8R4-21910-00-00
Unavailable
2
. HOOD 1
8R4-21982-00-00
Unavailable
3
. HOOD 2
8R4-21983-00-00
Unavailable
7
. HOLDER, LATCH
8M6-77175-00-00
Unavailable
9
COVER 1
8U0-2198F-00-00
Unavailable
10
DAMPER 1
8U0-77198-00-00
Unavailable
11
LABEL, WARNING 3
8U0-77763-00-00
Unavailable
16
SHIELD, NOISE 1
8R4-23891-00-00
Unavailable
17
PLUG (8R4)
90338-09127-00
Unavailable
18
MOLD, FUEL TANK
(8U0-24188-00-00)
Unavailable
19
EMBLEM 4
8U0-77354-00-00
Unavailable
20
EMBLEM 5
8U0-77355-00-00
Unavailable
