Partiron

Yamaha BR250F 1982 EXHAUST BR250F - G Diagram

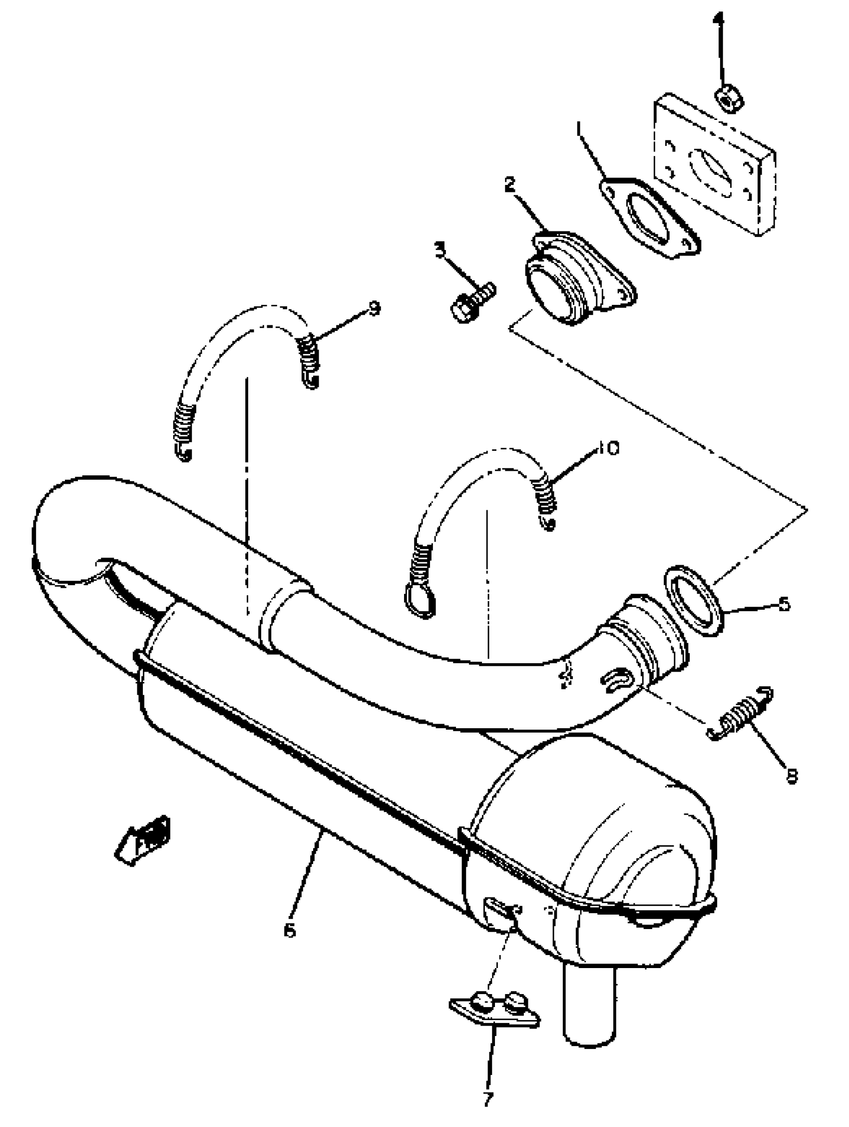
#

Description
Price

1

GASKET, EXHAUST PIPE

8R4-14613-01-00

$23.99

2

NUT, RING

8R4-14612-01-00

Unavailable

3

BOLT, FLANGE(8AB)

95817-08020-00

$9.49

4

. NUT

95380-08700-00

Unavailable

5

RING

888-14633-00-00

Unavailable

6

MUFFLER ASSY 1

8BD-14710-00-00

Unavailable

7

PROTECTER, MUFF 2 (8R4-14728-00)

8R4-14728-01-00

Unavailable

8

SPRING, HOOK (864)

90506-20074-00

$9.49

9

SPRING, TENSION (8BU1)

90506-16494-00

$7.49

10

SPRING, TENSION

90506-16271-00

Unavailable